第0页共22页编号:时间:2021年x月x日书山有路勤为径,学海无涯苦作舟页码:第0页共22页合肥工业大学Access数据库设计报告设计题目:学生信...
数据库技术课程设计题目:财务管理系统姓名:冯燕学号:33班级:网络1002时间:2011年6月31日目录1.需求分析................................
数据库学生选课系统数据库设计——学生选课系统设计内容:我们组设计的是学生选课管理系统,选课管理系统是学校教务系统中很庞大、很复杂的...
2019数据库期末复习内容1.选择题(1)(数据库)是存储在计算机内结构化的数据的集合(2)下述关于数据系统正确的描述是(数据库系统减少了...
2011上半年数据库系统工程师考试真题及答案-下午卷
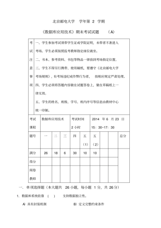
北京邮电大学学年第2学期《数据库应用技术》期末考试试题(A)考试注意事项一、学生参加考试须带学生证或学院证明,未带者不准进入考场。学...
第1页共8页编号:时间:2021年x月x日书山有路勤为径,学海无涯苦作舟页码:第1页共8页1.更多资料请访问.(.....)更多企业学院:...../Shop/...
第1页共31页编号:时间:2021年x月x日书山有路勤为径,学海无涯苦作舟页码:第1页共31页新疆区公司RFID数字仓储项目数据库设计说明书文件状...
单选填空第1章绪论一、单项选择题1.数据库系统是采用了数据库技术的计算机系统,数据库系统由数据库、数据库管理系统、应用系统和(C)。A....
标准实用文案文档2018年上半年数据库系统工程师考试真题上午题+下午题●计算机运行过程中,遇到突发事件,要求CPU暂时停止正在运行的程序,...
数据库管理与开发课程教学大纲
数据库系统概论复习资料:第一章:三:简答题:1.什么是数据库?答:数据库是长期存储在计算机内、有组织的、可共享的数据集合。数据库是按...
。-可编辑修改-课程名称:数据库原理及应用考试时间专业:年级:学号:姓名:。题号一二三四总得分得分得分评卷人一、单项选择(共20小题,...
第1页共7页编号:时间:2021年x月x日书山有路勤为径,学海无涯苦作舟页码:第1页共7页CHGISTime-ContinuousDataModel,MinimumRequiredTable...
10信计2012-2013(一)《数据库原理及应用》课程设计设计题目选修课管理系统设计时间2012.12.31---2013.1.4学生姓名学生学号200904022所在...
第1章MySQL导论本章对数据库技术的发展概况作了简要的说明,同时介绍一些常用的小型数据库和大型数据库,重点介绍MySQL数据库。通过本章的...
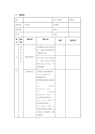
1.1数据库编号生产厂商/型号12-5-4物理位置中心机房所在网络检查日期检查人责任人审核人编号检查项目检查内容操作方法结果检查记录1通用安...
数据库课程设计报告课题:仓库管理系统目录1课程设计的目的和意义............................22需求分析..................................
大型数据库课程设计设计报告题目:库存物资管理系统后台数据库学号:学生姓名:指导教师:提交时间:2013-11-22目录库存物资管理系统后台数...
VERITAS数据库存储管理方案在网通计费结算中心的应用项目背景中国网络通信集团公司自开展小灵通无线市话业务以来,用户数量高速增长。截止...

