沪杭甬高速公路拓宽工程项目沽渚至宁波段土建工程第一驻地办月监理报告第五期黑龙江省远升咨询监理公司沪杭甬高速公路拓宽工程第一驻地办二...
高边坡施工技术方案一、工程概况K25+760~K26+180右侧深挖最大边坡高度达48米.边坡设计坡比为1:1。本段挖方削坡坡体主要为中风化白云岩,...
2020年乡高速公路收费站学习情况工作汇报范文已经过去的2020年是**高速公路收费站迎难而上、克服种种困难、破冰前行的一年,这一年***收费...
上半年高速公路养护工作总结(精选多篇)第一篇:上半年高速公路养护工作总结上半年高速公路养护工作总结2014年上半年高速公路养护工作总结20...
上半年高速公路养护工作总结2006年,养护部门在局党委及管理处的正确领导下,坚持以邓小平理论和“三个代表”的重要思想为指导,深入贯彻党...
高速公路收费站爱岗敬业奉献社会演讲爱岗敬业奉献青春尊敬的各位领导、各位评委、朋友们:大家好。爱岗,是我们的职责;敬业,是我们的本分...
高速公路征地拆迁动员大会讲话稿全县征地拆迁工作动员大会上的讲话全县征地拆迁工作动员大会上的讲话同志们:这次千人大会是经县委、县政府...
高速公路工作人员爱岗演讲真情灌溉文明花微笑铸造文明路各位领导、各位同事:大家好。时光如梭,回想**高速公路通车的日子,已经不知不觉地...
高速公路收费站爱岗敬业奉献社会演讲大全爱岗敬业奉献青春亚一尊敬的各位领导、各位评委、朋友们:大家好。爱岗,是我们的职责;敬业,是我...
高速公路收费站爱岗敬业奉献社会演讲大全爱岗敬业奉献青春(高速公路收费站)爱岗敬业奉献青春亚一尊敬的各位领导、各位评委、朋友们:大家...
高速公路收费站爱岗敬业奉献社会演讲大全文章标题:高速公路收费站爱岗敬业奉献社会演讲爱岗敬业奉献青春尊敬的各位领导、各位评委、朋友们...
高速公路收费站站长竞聘演讲各位领导。大家好,我是来自,我竞选的职务是高速公路收费站站长。非常感谢局党组、局领导给了我这次担当重任的...
第1页共3页2024年市高速公路公司工作总结一、工作概述2024年,市高速公路公司在公司领导的正确指导下,全体员工通力合作,努力工作,完成了...
高速公路征地拆迁动员大会讲话稿同志们:召开这次xx高速公路征地拆迁工作动员大会,非常重要,非常必要。由于xx高速公路xx段主要经过xx市,...
高速公路开工仪式领导讲话稿尊敬的各位领导、各位来宾、同志们:今天,绥阳人民期盼已久的绥阳至正安高速公路正式动工,这是我县交通史上的...
第一节高速公路的特点和意义第二节高速公路的线形标准第三节高速公路的沿线设施第四章高速公路高速公路的名称:欧洲多数国家称为“汽车公...
路基表公路工程填方地段填前检查表保龙高速公路第九合同段编:路基表2〔204—3〕里程桩工程工程监理重庆育才工程咨询监理检查日年月日项次...
张石高速公路石家庄段路面工程施工平安监理施行细那么张石高速公路第二驻地监理工程师二○○七年六月施工平安监理施行细那么(一)总那么1....
在高速公路通车仪式上的讲话稿备受全省人民关注的大运高速公路,经过八万筑路员工三年艰苦奋战,全线建成通车了。这是**公路建设史上的一个...
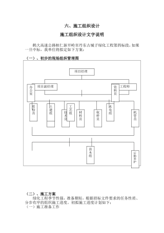
六、施工组织设计施工组织设计文字说明鹤大高速公路桓仁新开岭至丹东古城子绿化工程第四标段,如果一旦中标,我单位将拟定如下方案:(一)...

