A.0.4------工程监理实施细则(智能化工程)内容提要:专业工程特点监理工作流程监理工作要点监理工作方法及措施项目监理机构(章):专业...
对工程负责严格控制监理规划第1页共41页目录一、工程慨况二、监理依据三、监理工作范围和目标1、监理范围2、监理目标四、监理组织机构1、现...
目录工程开工/复工报审表..................................................................3施工组织设计(方案)报审表.................
目录一、工程慨况二、监理依据三、监理工作范围和目标1、监理范围2、监理目标四、监理组织机构1、现场监理机构2、监理部人员职责五、监理控...
习水县习酒镇中学教学区平场工程监理规划编制:王云刚审批:赵光辉技术负责人:魏成贵州三力建设监理有限责任公司习水县习酒镇中学教学区平...
*****幕墙工程监理细则编制:校对:审核:******监理有限公司******一期项目监理部年月2目录一、工程概况二、监理细则依据三、幕墙工程施工...
监理常用表格填写范例XXX监理有限公司(总工室编制)年月日精选第一部分A类表(承包单位用表)1、工程开工/复工报审表(A1)----------------...
.........学习参考.工程监理企业资质分为综合资质、专业资质和事务所三个序列。综合资质只设甲级。专业资质原则上分为甲、乙、丙三个级别,...
工程监理企业的成本控制【摘要】合理的工程监理企业的成本控制,是各监理企业必须考虑的工作,有的监理企业不注重成本控制,其效益不佳,发...
工程监理费用内部承包协议(可编辑)精选资料工程监理费用内部承包协议甲方:乙方:第一条经甲乙双方协商一致签订本协议。第二条工程概况:工...
B9××××调度楼工程工程质量评估报告建设单位:××××供电局设计单位:××建筑设计研究院承包单位:×××建筑工程公司监理单位(章):...
工程质量评估报告工程工程名称:*******************建设单位:编制人:审核人:审批人:******监理工程日0年812012月9表E0104监理单位工程...
00题目工程监理在工程造价控制中的作用姓名_学号所在学院专业班级指导教师日期1目录摘要⋯⋯⋯⋯⋯⋯⋯⋯⋯⋯⋯⋯⋯⋯⋯⋯⋯⋯⋯⋯⋯⋯⋯⋯...
建设工程监理规范(GB50319-2000)施工阶段监理工作基本表式国家质量技术监督局中华人民共和国建设部发布实施目录A类表(承包单位用表)A1...
安徽省公路工程建设监理有限责任公司第1页共15页芜宣高速扁担河大桥维修加固工程及路面微表处监理工作总结目录一、工程概况(一)工程描述...
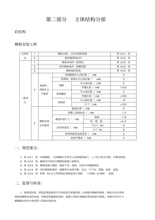
第二部分主体结构分部砼结构模板安装工程主控项目1模板支撑、立柱位置和垫板第4.2.1条2避免隔离剂沾污第4.2.2条一般项目1模板安装的一般要...
xxxxx项目区水土保持综合治理工程1目录1前言............................................................................................
精选监理例会会议纪要第022期一工程名称:滨河景秀二期工程8#住宅楼二会议时间:2014年5月24日三会议地点:施工单位办公室四主持人:黄平...
工程监理例会制度工程监理例会制度、为搞好监理机构的内部管理协调工程各方关系加强工程控制工作解决重大或特殊问题形成监理例会制度。、工...
工程监理企业资质标准工程监理企业资质分为综合资质、专业资质和事务所三个序列。综合资质只设甲级。专业资质原则上分为甲、乙、丙三个级别...

