电脑桌面
添加小米粒文库到电脑桌面
安装后可以在桌面快捷访问

建筑电气照明安装工程监理细则概述VIP免费

建筑电气照明安装工程监理细则概述_第1页
1/13
建筑电气照明安装工程监理细则概述_第2页
2/13
建筑电气照明安装工程监理细则概述_第3页
3/13
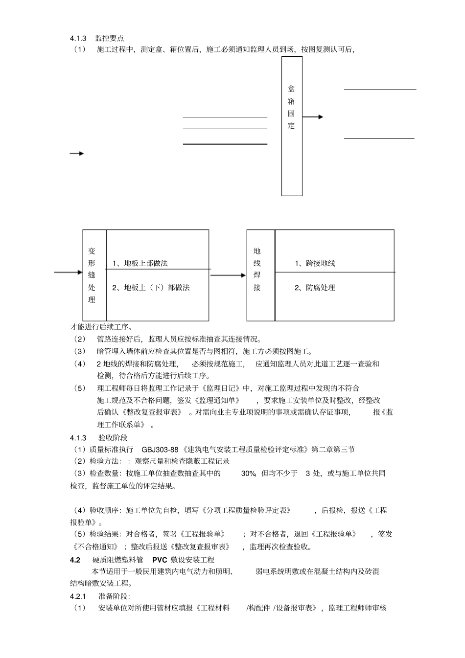
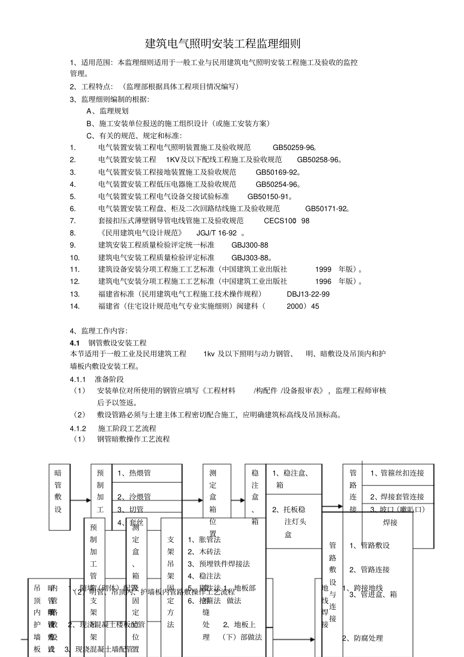
建筑电气照明安装工程监理细则1、适用范围:本监理细则适用于一般工业与民用建筑电气照明安装工程施工及验收的监控管理。2、工程特点:(监理部根据具体工程项目情况编写)3、监理细则编制的根据:A、监理规划B、施工安装单位报送的施工组织设计(或施工安装方案)C、有关的规范、规定和标准:1.电气装置安装工程电气照明装置施工及验收规范GB50259-96。2.电气装置安装工程1KV及以下配线工程施工及验收规范GB50258-96。3.电气装置安装工程接地装置施工及验收规范GB50169-92。4.电气装置安装工程低压电器施工及验收规范GB50254-96。5.电气装置安装工程电气设备交接试验标准GB50150-91。6.电气装置安装工程盘、柜及二次回路结线施工及验收规范GB50171-92。7.套接扣压式薄壁钢导管电线管施工及验收规范CECS100:988.《民用建筑电气设计规范》JGJ/T16-92。9.建筑安装工程质量检验评定统一标准GBJ300-8810.建筑电气安装工程质量检验评定标准GBJ303-88。11.建筑设备安装分项工程施工工艺标准(中国建筑工业出版社1999年版)。12.建筑电气安装分项工程施工工艺标准(中国建筑工业出版社1996年版)。13.福建省标准(民用建筑电气工程施工技术操作规程)DBJ13-22-9914.福建省(住宅设计规范电气专业实施细则)闽建科(2000)454、监理工作内容:4.1钢管敷设安装工程本节适用于一般工业及民用建筑工程1kv及以下照明与动力钢管、明、暗敷设及吊顶内和护墙板内敷设安装工程。4.1.1准备阶段(1)安装单位对所使用的钢管应填写《工程材料/构配件/设备报审表》,监理工程师审核后予以签返。(2)敷设管路必须与土建主体工程密切配合施工,应明确建筑标高线及吊顶标高。4.1.2施工阶段工艺流程(1)钢管暗敷操作工艺流程(2)明管、吊顶内、护墙板内管路敷操作工艺流程暗管敷设预1、热煨管制加2、泠煨管工3、切管4、套丝测定盒箱位置稳1、稳注盒、注箱盒、2、托板稳箱注灯头盒管1、管箍丝扣连接路连2、焊接套管连接接3、坡口(嗽叭口)焊接变1、地板部形做法缝处2、地板上理(下)部做法暗1、随墙(砌体)配管管敷设2、现浇混凝土楼板配管方式3、现浇混凝土墙配管地1、跨接地线线焊接2、防腐处理明管敷设预制加工管弯支架吊架吊内顶管内路护敷墙设板测定盒、箱及固定点位置支1、胀管法架2、木砖法吊3、预埋铁件焊接法架4、稳注法固5、剔注法定6、抢箍法方法管1、管路敷设路敷2、管路连接设与3、管进盒、箱连接4.1.3监控要点(1)施工过程中,测定盒、箱位置后,施工必须通知监理人员到场,按图复测认可后,才能进行后续工序。(2)管路连接好后,监理人员应按标准抽查其连接情况。(3)暗管埋入墙体前应检查其位置是否与图相符,施工方必须按图施工。(4)2地线的焊接和防腐处理,必须按规范施工,应通知监理人员对此道工艺逐一查验和检测,待合格后方能进行后续工序。(5)理工程师每日将监理工作记录于《监理日记》中,对施工监理过程中发现的不符合施工规范及不合格问题,签发《监理通知单》,要求施工安装单位及时整改,经整改后确认《整改复查报审表》。对需向业主专业项说明的事项或需确认存证事项,报《监理工作联系单》。4.1.3验收阶段(1)质量标准执行GBJ303-88《建筑电气安装工程质量检验评定标准》第二章第三节(2)检验方法::观察尺量和检查隐蔽工程记录(3)检查数量:按施工单位抽查数抽查其中的30%,但均不少于3处,或与施工单位共同检查,监督施工单位的评定结果。(4)验收顺序:施工单位先自检,填写《分项工程质量检验评定表》,后报检,报送《工程报验单》。(5)检验结果:对合格者,签署《工程报验单》;对不合格者,退回《工程报验单》,签发《不合格通知》;整改后报送《整改复查报审表》,监理再次检查验收。4.2硬质阻燃塑料管PVC敷设安装工程本节适用于一般民用建筑内电气动力和照明、弱电系统明敷或在混凝土结构内及砖混结构暗敷安装工程。4.2.1准备阶段:(1)安装单位对所使用管材应填报《工程材料/构配件/设备报审表》,监理工程师师审核盒箱固定变形1、地板上部做法缝处2、地板上(下)部做法理地线1、跨接地线焊接2、防腐处理后予以签返。(2)敷...

1、当您付费下载文档后,您只拥有了使用权限,并不意味着购买了版权,文档只能用于自身使用,不得用于其他商业用途(如 [转卖]进行直接盈利或[编辑后售卖]进行间接盈利)。
2、本站所有内容均由合作方或网友上传,本站不对文档的完整性、权威性及其观点立场正确性做任何保证或承诺!文档内容仅供研究参考,付费前请自行鉴别。
3、如文档内容存在违规,或者侵犯商业秘密、侵犯著作权等,请点击“违规举报”。

碎片内容

建筑电气照明安装工程监理细则概述

确认删除?
VIP
微信客服
  • 扫码咨询
会员Q群
  • 会员专属群点击这里加入QQ群
客服邮箱
回到顶部