丙纶短纤维、丙纶膨体长丝(BCF)安全生产要点1工艺简述1.1生产丙纶短纤维以聚丙烯切片为原料,用气流输送至螺杆挤压溶融纺丝,再经牵伸、...
维纶纤维安全生产要点1工艺简述生产维纶纤维主要采用湿法纺丝,即将聚乙烯醇树脂洗去不纯物后,用热水溶解制成纺丝原液,然后经喷丝头将原...
在胚胎组织和胚胎发育过程中Hedgehog(HH)通路具有非常显著的作用,如增殖、分化、和组织构建等,在成年人的组织和器官中,HH信号传导涉及...
我國聚酯長纖維梭織成品布產業受進口損害評估分析一、前言2006年第1季我國聚酯長纖維梭織成品布之進口價格連續3個月警示燈號皆呈現黃燈,達...
附件:第一标段:纤维胆道镜电视系统技术参数及功能要求生产厂家原装进口资质材料根据招标文件要求主要技术参数和要求功能说明一、系统概述...
第1页共41页编号:时间:2021年x月x日书山有路勤为径,学海无涯苦作舟页码:第1页共41页第一章总论1.1、项目概况1.1.1项目名称:年产5000吨...
项目名称高性能竹基纤维复合材料产业化项目所处阶段种子期团队组成3人团队,2位属于国家林业研究所木工所,掌握相关技术专利;另1位以林地出...
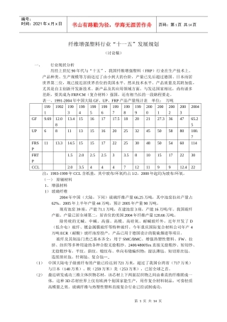
第0页共37页编号:时间:2021年x月x日书山有路勤为径,学海无涯苦作舟页码:第0页共37页甘肃畜牧工程职业技术学院首届大学生创业计划大赛商...
目录1.1工程简介........................................................................................31.2厂房的结构形式............
可行性研究报告2013-7第一章项目概论一、项目名称及承办单位1、项目名称:生态超细纤维超真皮革生产项目2、项目建设性质:新建3、项目承办...
关于纤维复合材料行业的发展规划篇一:纤维复合材料行业“十三五”发展规划进入“十二五”以来,玻璃纤维复合材料工业,在发展规划的引导下...
编号NO:河北农业大学本科毕业论文论文题目BC1F2遗传连锁图谱和纤维品质性状QTL定位学生姓名唐冰川学号2009014010213成绩学院农学院专业班...
速溶型纤维蛋白胶项目可行性研究报告(立项+批地+贷款)编制单位:北京中投信德国际信息咨询有限公司编制时间:二〇二四二〇二四年十一月咨...
超高分子量聚乙烯纤维项目可行性研究报告(立项+批地+贷款)编制单位:北京中投信德国际信息咨询有限公司编制时间:二〇二四二〇二四年十一...
第1页共8页编号:时间:2021年x月x日书山有路勤为径,学海无涯苦作舟页码:第1页共8页“点石成金”当梦想遭遇现实——连续玄武岩纤维产业的...
丙纶纤维上下游市场分析及预测目前,由于原油下游衍生物类需求情况出现了一定的变化导致了能源价格的不稳定态势,涨跌行情频繁出现,如本周...
目录•肺间质纤维化概述•肺间质纤维化护理常规•肺间质纤维化患者常见并发症的预防与护理•肺间质纤维化患者的康复与健康教育•肺间质纤维...
负离子磁性纤维项目可行性研究报告(立项+批地+贷款)编制单位:北京中投信德国际信息咨询有限公司编制时间:二〇二四二〇二四年十一月咨询...
目录一、编制依据................................................................11施工图.............................................
•涤纶纤维简介•原料及辅助材料contents•涤纶纤维生产流程•关键技术及设备目录•生产过程中的质量控制•生产过程的节能与环保•生产过程...

