微星785G系列主板BIOS设置详细介绍(全)(图文教程,菜鸟也能看懂)!!!此帖对"微星"的评论此贴于2010.11.22更新本贴转自DIY联盟,感谢...
大内存时代的应用虚拟磁盘设置及测试作者:中关村在线刘平责任编辑:刘搏【原创】CBSi中国·ZOL2010年09月16日内存能当硬盘用?是的!而且...
是BOIS说来话长,开机DEL进入Time/S***emTime时间/系统时间Date/S***emDate日期/系统日期Level2Cache二级缓存S***emMemory系统内存VideoCon...
致远A8系统基础设置手册(简版)实施软件,就像建楼房一样,要先打好基础。A8系统的基础数据,也是系统中最核心的数据,他们是保证系统运行...
更多企业学院:《中小企业管理全能版》183套讲座+89700份资料《总经理、高层管理》49套讲座+16388份资料《中层管理学院》46套讲座+6020份...
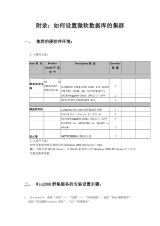
附录:如何设置微软数据库的集群一、集群的硬软件环境:(一)硬件方案:Item项目ProductModel产品型号Description描述Quantity数量数据库服...
设置不公开淘客计划详细步骤步骤1:点击进入我要推广步骤2:点击进入淘宝客步骤3:新建定向计划步骤4:设置计划步骤5:创建成功(将链接复...
IBM笔记本电脑BIOS的设置IBM笔记本电脑进入BIOS的方法是:在冷开机(注意不是重新启动)屏幕上出现IBM标志,且左下角出现提示信息时,按F1键...
一、什么是高清视频?2009-04-1616:35什么是高清视频?HighDefinitionTelevision,即“高清晰度电视”,它采用了数字信号传输,即从电视节...
微星H61主板BIOS设置12011-07-2117:47BIOS基础设置可点击放大可点击放大一、主菜单该菜单显示基本硬件配置和设置日期时间(可点击放大)二...
系列之四:ORACLEEBS基础设置要点简介(E)热度7已有1006次阅读2009/12/2310:27|关键词:EBS基础设置要点简介ORACLEEBS基础设置要点简介七、...
淘宝客,是一种按成交计费的推广模式,也指通过推广赚取收益的一类人,淘宝客只要从淘宝客推广专区获取商品代码,任何买家(包括您自己)经...
【神州旗舰-神舟i7四核本】图解BIOS设置,让您轻松用A本笔记本电脑和台式机不同,BIOS设置项目很少,一般不需要做任何改变。但是,在安装系...
微星Z77主板BIOS设置详解微星Z77系列主板全面上市,BIOS采用第2代UEFI图形BIOS(ClickBIOSII)。本文以Z77A-GD55为例,讲解一下BIOS设置。...
更多企业学院:《中小企业管理全能版》183套讲座+89700份资料《总经理、高层管理》49套讲座+16388份资料《中层管理学院》46套讲座+6020份...
目录一、主板BIOS界面常见英文翻译…………………………………………1二、技嘉主板设置和优化(所用GA-60XE主板的AwardBIOSV6.00PG为例)…...
2.2.1需求概述职位设置是根据公司现有的组织机构图来构建职位的目录树,职位目树直接反映了公司现有职位的组织结构,当管理员登陆系统后...
BIOS(basicinputoutputsystem即基本输入输出系统)设置程序是被固化到计算机主板上的ROM芯片中的一组程序,其主要功能是为计算机提供最底...
第1页共35页编号:时间:2021年x月x日书山有路勤为径,学海无涯苦作舟页码:第1页共35页一、开场白作图方法因人而异,这是由于大家对软件的...
金宇U9-ERP项目初始化配置指导书金宇轮胎集团有限公司U9-ERP系统初始化配置参考方案-基础目录目录........................................

