水的密度和焓值表附录 A(标准的附录) 水的密度和焓值表 A1 当工作压力≤1。0MPa 时,水的密度和焓值应采纳表 A1。 表A1 P=0。600...
表 4.2。7 现浇结构模板安装的允许偏差及检验方法 项 目允许偏差(mm) 检验方法 轴线位置 5 钢尺检查 底模上表面标高 ±5水准仪...
附录:常用数理统计表表 1 标准正态分布函数数值表0。000。010。020。030。040。050。060.070。080。090.00.10。20。30.40。50000。53980....
国家标准规定了电阻的阻值按其精度分为两大系列,分别为 E-24 系列和 E—96 系列,E-24 系列精度为 5%,E—96 系列为 1%.精度为 5...
国家标准规定了电阻的阻值按其精度分为两大系列,分别为 E-24 系列和 E—96 系列,E-24 系列精度为 5%,E-96 系列为 1%.精度为 ...
2024 年秋峦庄小学四(1)班教室卫生轮值表卫生委员(教室):郭维鸿姓名第 1 组卞亚倩余香洋郭维鸿严金金第 2 组彭自强王荣杨朱欣怡谢...
总承包服务费组成一、 总承包项目管理费组成总承包管理费=会议费+招标服务费+保险费+风险费+ HSE 费用+项目管理费二、 总承包项目管理...
低GI事物(GI值小于 40)主食类: 无蔬菜类: 菠菜、花椰菜、茄子、苦瓜、黄瓜、豆芽、海带、白萝卜、 四季豆、番茄、洋葱鱼肉类: ...
片式固定电阻器,俗称贴片电阻(简称 SMD Resistor),是金属玻璃铀电阻器中的一种。 贴片电阻封装尺寸与功率关系: 0201 1/20W、0402 1...
代码为 3 位数精度 5%数字代码=电阻阻值代码为 3 位数精度 5%数字代码=电阻阻值代码为 3 位数精度 5%数字代码=电阻阻值代码为 3...
岗位薪酬对比表一、岗位职类等级对比表等级12345岗位职类等级对比表181180012500133001420015200F179500980010200107001120016850087008900...
荷载取值屋面常屋 1.Ⅲ 级柔性防水层节能屋面(非上人)(K=0。5)1. 4 厚自带保护层 SBS 改性沥青防水卷材一道 11×0.004=0。052。...
标准阻值表E-96?F(+1%)StandardResistanceTableOHMCODEOHMCODEOHMCODEOHMCODEOHMCODE1010R010010001.00K100110.0K1002100K100310.210R21021...
精度为%的金属膜电阻,以欧姆为单位的标称值:精度为%的金属膜电阻,以欧姆为单位的标称值:国家标准规定了电阻的阻值按其精度分为两大系列...
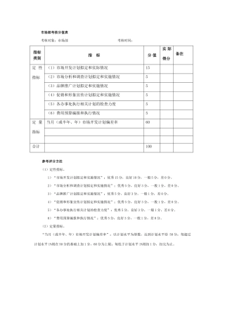
市场部考核分值表考核对象:市场部 考核时间:指标类别指 标分 值实 际得分备注定 性指标(1)市场开发计划拟定和实际情况15(2)市场...
LGJ 型(钢芯铝绞线)架空线路的电阻及感抗导线型号Dcp电阻感 抗35.366.385.403.417.429.438.44650.353.374.392.406.418.427.43570.343.3...
离散数学实验报告 专业班级:1 2 级计算机本部一班 姓名:鲍佳珍 学号: 2 0 1 2 1 2 2 0 1 4 0 1 0 1 6 实验成绩:...
P(%)Cv0.0010.0020.0050.010.10.20.330.50.051.241.231.211.201.171.151.141.140.061.291.281.261.251.201.181.181.160.071.351.331.311.29...
中国饲料成分及营养价值表(2000 年修订版)(4)2002-3-15表四鸡饲料真和或表观氨基酸利用率参考值饲料名称 feedname数据生成方法 meth...
“离散数学”实验报告 (求给定命题公式的真值表并根据真值表求公式的主范式) 专 业 网络工程 班 级 1 2 0 2 班 学 号 ****...

