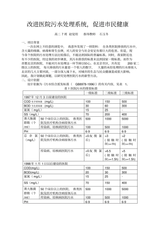
94 水产养殖臭氧水处理系统的设计与应用 孙广明 冯守明 王德兴 赵二伏 李宝华 天津市水产研究所 300221 前言 我所自 90年代中期...
目录第一章 编制说明................................................................2第二章 工程概况及特点..........................
超滤装置反洗排水厂区工业水原水箱多介质过滤器热交换器杀菌剂反洗泵 净化水箱化学清洗箱清洗泵 图 1 超滤预处理系统工艺流程图超滤预...
榆林市金龙北郊热电有限责任公司2×50MW 供热发电机组锅炉补给水处理系统调试方案批准:审核:编制:浙江欧美环境工程有限公司北京分公司2...
第一章数据汇总一.1. 自定义统计分组管理在数据汇总之前,需要自定义一张汇总表。然而在制作汇总表时,需要先将汇总表的分组提前准备好。...
合同编号:SG600HTSBRH0021韶关发电厂“上大压小”燃煤机组工程(2×600MW)污水处理系统含煤废水处理系统及设备采购合同书甲方: 广东省韶...
目录第一章 编制说明................................................................2第二章 工程概况及特点..........................
纯水处理系统施工工艺(医药行业)3纯水系统……………………………………………………………………………………3.1 总则……………………...
目录编制说明第一节编制说明在本施工组织设计大的编制中,我方认可招标文件所规定的各项条款。本施工组织设计体现我方对本工程施工组织的总...
第 1 页 共 46 页目录第 1 章引言 . ............................................ 1 1.1 编写目的 . .......................
综合性设计型实验报告实验名称:基于组态软件的污水处理系统设计姓名:学号:所在院系:专业:自动化指导老师:实验时间:1 综合性设计型...
1 目录目录 ........................................................................................................................
国 际 收 支 网 上 申 报 系 统企 业 联 机 接 口 报 文 规 范版 本 号 : V 1 . 0国 家 外 汇 管 理 局20...
在线投稿及稿件处理系统说明书1、系统设计需求分析系统功能设计系统模块划分错误!未定义书签错误!未定义书签错误!未定义书签错误!未定义书...
J/GC011 工程名称:镇江电厂三期工程 机组容量:2×600MW 编 号:BOP-38 类 别:Ⅰ类作 业 指 导 书作 业 项 目 名 称原水...
目录第一章 编制说明................................................................5第 1 节 编制说明.............................
河南中孚电力有限公司300MW 供热工程锅炉补给水反渗透及除盐处理系统设备技术协议需方:河南豫联能源集团有限责任公司供方:郑州恒博水处...
水处理系统施工组织设计一、 工程范围1. 工程概况:本期工程安装 2×600MW 的凝汽式汽轮发电机组,锅炉设备由东方锅炉股份有限公司制造...
1 绪论1.1课题的提出 水和电是人类生活、生产中不可缺少的重要物质,在节水节能已成为时代特征。我们这个水资源和电能源短缺的国家,面临...
目录第一章 编制说明................................................................2第二章 工程概况及特点..........................

