喀什新海3PE 管线施工组织设计 一、编制依据 1.《涂装前钢材表面锈蚀和除锈等级》GB/T8923—1988 2.《钢质管道熔结环氧粉末外防腐层技...
第 1 页 共 8 页 锅炉钢架平台维护防腐技术要求 1 概况 ***电厂 300MW机组锅炉为哈尔滨锅炉厂引进 CE公司技术设计制造,型号HG-...
下载后可任意编辑2024 年设备防腐管理制度范本设备防腐保温工程合同合同编号:dmsh11-01合同签订地:连云港板桥工业园合同签订时间:___年...
山东省工业设备安装总公司沾化粉煤灰综合利用项目原料系统基础防腐施工方案编制:审核:审批:编制单位:山东省工业设备安装总公司编制日期...
基础工程防腐/防水施工方案工程名称:××××××××××××××××编制:审核:批准:发布日期:执行日期:××××××××有限公司-...
埋地管道外防腐层修复方案一、修复规定1、直径不大于 30mm 的损伤(包括针孔),采用热熔胶粘剂+聚乙烯补伤片。2、直径大于 30mm 的损...
1.工程概况张掖市晋昌源煤业有限公司 20 万吨/年中温焦油加氢处理项目位于高台县南华镇,宁波市化工设计研究院作为设计单位,监理单位为...
. .1.工程概况张掖市晋昌源煤业有限公司 20 万吨/年中温焦油加氢处理项目位于高台县南华镇,宁波市化工设计研究院作为设计单位,监理单...
实用监 A2施工组织设计(方案)报审表工程名称:兖矿国泰年产 30 万吨醋酸、10 万吨醋酸乙酯工程编号:A2-HJ6-致:天津辰达工程监理公...
施工方案目录一、工程概况.............................................................................................................
山东天弘化学有限公式9 万吨/年M M A 项目配套工程 储罐防腐 技术协议 甲方:山东天弘化学有限公司 乙方: 一、工程范围 MMA罐区...
3000m ³罐体防腐保温施工工程 施工方案 1 3000m ³罐体防腐保温施工工程 施 工 方 案 2011 年 11 月 23 日 3000m ³罐...
下载后可任意编辑2024 年惩治和防腐体系工作小结欢迎大家检查指导工作,我镇根据市___、市___《印发〈关于推动惩治和预防___体系建设的检...
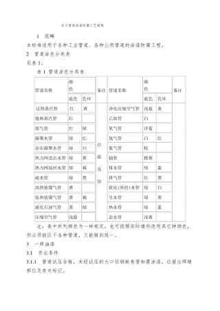
压力管道涂漆防腐工艺规程1范畴本标准适用于各种工业管道、各种公用管道的涂漆防腐工程。2管道涂色分类表见表 1。表 1 管道涂色分类表颜...
升压站防腐、水泥线杆加固及包箍编制单位:施工方案年月日一、施工工艺1、横担防腐手工表面除锈检查合格冷涂锌防腐底漆第一遍检查合格冷涂...
宁夏神瑞化工有限公司球罐 防腐施工方案 一、工程概况: 本工程为宁夏神瑞化工有限公司技改工程,2 台球罐防腐由我方进行施工,为了更好...
中国石油大庆炼化公司 储运厂成品二车间Q31# Q32#球罐喷砂除锈防腐工程 施工技术方案 河南新纪元防腐绝热工程有限公司 2014年9月2日 ...
XG-1 高氯化聚乙烯玻璃鳞片防腐漆 一、组成与特性 1. 由高氯化聚乙烯树脂和玻璃鳞片组成,属于厚浆型超长效防料使用期高达10-20 年。...
- 1 - 防 腐 施 工 方 案 一 、 实 施 目 标 充 分 发 挥 我 公 司 项 目 部 的 优 势 , 科 学 组 织 ...
玻璃鳞片的应用范围及防腐优点 玻璃鳞片作为一种特殊的防腐蚀颜料,用于防腐涂料中,具有优异的防腐性能,成为值得人们青睐的新型防腐材料...

