下载后可任意编辑楼道照明活动方案一、活动目的本次活动的目的在于提高楼道照明的亮度和可见性,同时增强住宅小区的安全感,促进业主之间的...
下载后可任意编辑楼宇照明养护方案1. 背景楼宇照明是保障居民生活和工作安全的重要设施之一。随着城市化的加速,越来越多的楼宇涌现在城市...
下载后可任意编辑库房照明更换方案背景库房照明是工业企业的基础设施之一,合理的照明能够提高生产和管理效率,降低事故风险,保障员工的健...
下载后可任意编辑库房照明改善方案库房照明是重要的环节,对于提高库房的安全性、管理效率以及工作人员的工作效率都有极大的影响。因此,在...
XX 街照明工程施工技术交底编号:工程名称施工部位交底负责人XXXX 街施工单位施工内容施工期限XXX照明工程施工年月日至年月日交底内容:1...
目录一、各种规划思想二、建筑物三、光纤四、色彩城市亮化、美化需要受过专业教育的照明设计师。夜景照明规划与设计,其目的是让人们在有限...
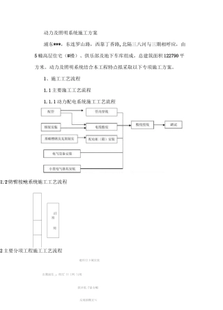
践地僧整■说 I—►找皿社浹吐动力及照明系统施工方案浦东***,东连罗山路,西靠丁香路,北隔三八河与三期相呼应,由5 幢高层住宅(#楼)...
下载后可任意编辑商场照明调查方案背景商场是一个聚集大量人流的公共场所,照明系统在其中扮演着重要角色。一个良好的照明系统不仅可以提高...
下载后可任意编辑卖场灯具照明评估方案简介卖场照明在消费者购买行为中起到至关重要的作用,好的照明可以提高展示效果,提升消费体验,增加...
XXXXXXX设计任务书XXXX 项目夜景照明方案及施工图设计任务书鑫苑 XXXX 有限公司XXXX 年 XX 月 XX 日目录第一章项目概况及规划方案...
下载后可任意编辑人工照明方案报告概述随着人们对于生活质量的不断提升,人工照明的重要性也越来越得到重视。本报告旨在分析室内人工照明的...
下载后可任意编辑高效照明电器产品项目可行性讨论报告下载后可任意编辑目录序言...........................................................
下载后可任意编辑高效照明电器产品项目深度讨论分析报告下载后可任意编辑目录序言.........................................................
下载后可任意编辑高效照明电器产品项目投资分析及可行性报告下载后可任意编辑目录概论.....................................................
下载后可任意编辑高效照明电器产品项目可行性分析报告下载后可任意编辑目录前言...........................................................
下载后可任意编辑通用照明项目深度讨论分析报告下载后可任意编辑目录序言.................................................................
下载后可任意编辑通用照明项目投资分析及可行性报告下载后可任意编辑目录前言.............................................................
下载后可任意编辑通用照明项目可行性分析报告下载后可任意编辑目录前言...................................................................
下载后可任意编辑车辆专用照明、信号及其装置项目可行性分析报告下载后可任意编辑目录序言.................................................
下载后可任意编辑绿色照明项目深度讨论分析报告下载后可任意编辑目录前言.................................................................

