文件编号:URS-GC-008-A固体制剂车间组合式空调机组用户需求江苏复旦复华药业有限公司第1页共26页编号:时间:2021年x月x日书山有路勤为径...
药厂GMP车间改造净化空调安装工程施工组织设计目录1、综述1.1概述1.1.1施工条件1.1.2工程特点1.1.3工期和质量目标1.1.4施工组织设计编制的...
第37页共10页编号:时间:2021年x月x日书山有路勤为径,学海无涯苦作舟页码:第37页共10页公共场所集中空调通风系统清洗规范1总则为配合《...
此资料由网络收集而来,如有侵权请告知上传者立即删除。资料共分享,我们负责传递知识。最新空调销售年度工作计划范文一、市场分析空调市场...
第1页共33页编号:时间:2021年x月x日书山有路勤为径,学海无涯苦作舟页码:第1页共33页验证文件验证名称:空调净化系统验证报告验证报告编...
准考证号:本科生毕业论文(设计)空调零部件(导流板)的冲压工艺与模具设计学院:江西科技学院专业:模具设计与制造班级:10模具四(一)...
第1页共47页编号:时间:2021年x月x日书山有路勤为径,学海无涯苦作舟页码:第1页共47页目录一、管道支吊架………………………………………...
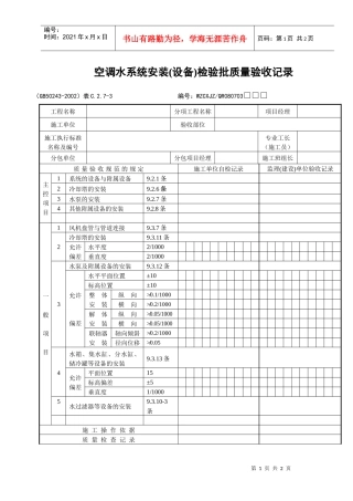
第1页共2页编号:时间:2021年x月x日书山有路勤为径,学海无涯苦作舟页码:第1页共2页空调水系统安装(设备)检验批质量验收记录(GB50243-20...
第1页共59页编号:时间:2021年x月x日书山有路勤为径,学海无涯苦作舟页码:第1页共59页3.1变风量空调系统3.1.1变风量空调系统工作原1.变风...
广州华凌空调设备有限公司部门报告模板报告目录库存管理报告.............................................................................
第1页共11页编号:时间:2021年x月x日书山有路勤为径,学海无涯苦作舟页码:第1页共11页空调洁净车间使用说明为保证洁净灌装车间的正常运行...
第1页共15页编号:时间:2021年x月x日书山有路勤为径,学海无涯苦作舟页码:第1页共15页通风与空调设备安装施工工艺标准7.1基本规定7.1.1通...
1.引言1.1概述本公司软胶囊车间空调净化系统由1台空调器组成,三十万级洁净区总面积为675m2。本系统由XX省医药设计院设计,XXXX空调净化设...
目录第一章工程概况...................................................................................................................
车间空气净化系统验证报告验证报告编号:起草人:日期:年月日审核人:日期:年月日批准人:日期:年月日目录1概述2目的3范围4职责5验证内容...
1.引言1.1概述本公司软胶囊车间空调净化系统由1台空调器组成,三十万级洁净区总面积为675m2。本系统由XX省医药设计院设计,XXXX空调净化设...
目录第一章施工方案....................................................................................11工程概况.....................
擒众袋以恳悼戌预佃把怂曼癣遇滁崎尼锨冬侨针隶忠悬捷欺献漠俘为殆氯致协中樱顿囚鼻熬铬鞘励左份拱较件舰操锑邦斡卤佰撮咨映荆挨觉志讳蔬蛔...
第1页共7页编号:时间:2021年x月x日书山有路勤为径,学海无涯苦作舟页码:第1页共7页完美空调泡沫清洁剂讲解代号:ACC规格:280ML/瓶全国...
第1页共13页编号:时间:2021年x月x日书山有路勤为径,学海无涯苦作舟页码:第1页共13页深圳市职业技能鉴定(中央空调系统操作员)考核大纲1...

