人力资源管理第一章绪论一、管理概述(一)管理的概念(略,见名次解释)(二)管理的职能:包括计划、组织、人力资源管理、领导、控制五个...
第一章工程总体概述及项目特点、重点、难点分析第一节工程概况1工程基本情况工程名称:重庆江北国际机场东航站区及第三跑道建设工程新建T3A...
流程简述原料空气由自洁式空气过滤器吸入并去除灰尘和机械杂质后,在离心式空压机中被压缩至0.52MPa、~100℃,压缩空气经空气冷却塔洗涤并...
养老服务项目概述及说明目录(一)、养老服务项目概述及说明一、概念说明二、居家养老的优点(二)、市场现状与分析(三)、市场细分与策略...
第1页共11页编号:时间:2021年x月x日书山有路勤为径,学海无涯苦作舟页码:第1页共11页护士职业礼仪概述及着装规范与管理一、护士职业礼仪...
既有建筑结构鉴定与加固技术概述及应用内容介绍1、引言近年来,随着昆山地方经济的迅猛发展,城市建设日新月异,每年新开量逐年攀升,截至2...
第一章信息技术概述及Windows、Word、Excel测试题一、选择题1.世界上第一台电子计算机是c的科学家和工程师设计并制造。A.1946年由英国B....
目录前言..................................................2SAP简介...............................................2SAPR/3系统概述.....
第1页共28页编号:时间:2021年x月x日书山有路勤为径,学海无涯苦作舟页码:第1页共28页第一章工程量计算概述及规则第一节工程量计算概述一...
第1页共58页编号:时间:2021年x月x日书山有路勤为径,学海无涯苦作舟页码:第1页共58页第四篇工程部目录:1、概述及组织结构图-----------...
危险源辨识及风险控制1目的识别项目部活动、产品、服务或运行条件中的影响环保和职业健康安全的危险因素,评价危险、风险因素,并确定、更...
目录0、编制说明…………………………………………………………………………..21、编制依据…………………………………………………………...
第1页共7页编号:时间:2021年x月x日书山有路勤为径,学海无涯苦作舟页码:第1页共7页云南包虫病流行现状描述及影响因素分析作者:董莹,罗...
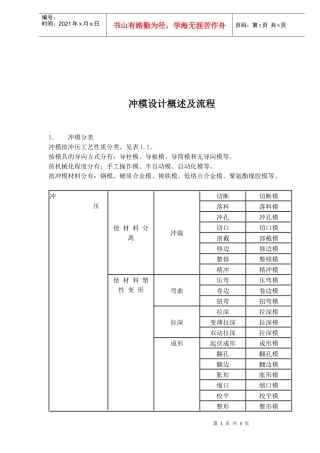
第1页共5页编号:时间:2021年x月x日书山有路勤为径,学海无涯苦作舟页码:第1页共5页冲模设计概述及流程1.冲模分类冲模按冲压工艺性质分...
第十五章机械设计综述及CAD简介第一节机械设计综述一、机械设计的基本原则各种机器尽管在功能、原理、类型等诸多方面均有不同,但是在进行...
第1页共17页编号:时间:2021年x月x日书山有路勤为径,学海无涯苦作舟页码:第1页共17页STS静态转换开关产品描述及技术参数一、产品描述静...
合同管理:合同管理(ContractManagement),企业的经济往来,主要是通过合同形式进行的。一个企业的经营成败和合同及合同管理有密切关系。企...
②订立合同内容不合法,表现为:a.违反法律、行政法规的强制性规定的合同,无效;b.违反社会公共利益的合同,无效;c.恶意串通,无效合同是指...
合同管理:合同管理(ContractManagement),企业的经济往来,主要是通过合同形式进行的。一个企业的经营成败和合同及合同管理有密切关系。...
第九章财务报表之报表概述及资产负债表【本章内容提要】本章为本准则的财务报表部分,从第七十九条至第八十八条,共十条。本章的主要内容为...

