玻璃屋顶施工方案审批:审核:编制:中兆海山建筑装饰工程有限公司二零一六年十二月十六日钢结构玻璃采光顶一、工程概况:工程名称:玻璃结...
1第二篇钢结构工程检测一、填空题:1.熔焊缺陷可分为六类:_________、________、________、________、_________、__________及其他缺陷。...
1/10玻璃幕墙施工方案◆本工程的玻璃幕墙主要为:隐框玻璃幕墙、半隐框玻璃幕墙一、施工工艺流程:☆施工队伍进场后,首先与各工种进行幕墙...
纵横集团丰南钢铁烧结机及配套项目工程质量报验单编号:工程名称纵横集团丰南钢铁烧结机及配套项目合同编号单位工程名称头尾骨架制作致:项...
钢结构深化设计方案1.1.1钢结构深化设计深化设计概况及总体思路本工程深化设计部分将根据业主提供的招标文件、答疑补充文件、技术要求及图...
甘肃七建八公司钢结构施工策划甘肃第七建设股份有限公司集团公司八公司二O一五年一月目录第一章、编制依据..................................
个人收集整理-ZQ1/5钢结构渗透检测方案目录.检测人员.材料和工具.被检表面地制备.检测时机.检测技术.迹痕评定和质量分级.记录与标准.相关表...
钢结构焊接施工记录工程名称:#4机组主厂房及其附属系统建筑安装工程编号:04-01电土施表6—6单位工程名称#4机组主厂房工程监理单位中咨工...
钢结构检测报告****************工程检测*****年**月编号:报告共**页*******收费所新建网架检测报告委托单位:*******钢结构工程名称:***...
钢结构滑移施工技术【摘要】现阶段大跨度钢结构广泛应用于铁路站房建设,施工技术更是日新月异。以下以莆田站站房钢结构工程为例,说明滑移...
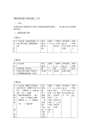
钢结构涂装方案及施工工艺一、目的本涂料涂装方案推荐用于各种户外钢结构的保护和装饰。该方案可应业主防腐年限而设定。二、推荐涂装方案方...
0龙城街道办综合办公楼钢结构楼梯工程施工组织设计编制单位:中国有色金属工业第六冶金建设公司批准:审核:编制:2007年7月28日11.工程概...
Appendices检验申请单REQUESTFORINSPECTION文号RFI.NO.:工程案号PACKAGENO.:工程名称PACKAGE:承包商SUBCONTRACTOR:Chung-KangSteelStruc...
144/7钢结构涂装方案11.1防腐涂装11.1.1涂装施工准备11.1.1.1涂装前构件表面的处理1.钢材在涂装前表面应作除锈处理,除锈等级应达到设计规...
钢结构氟碳漆施工工艺一、前言1、钢结构氟碳漆简介氟碳涂料是在氟树脂基础上经改性、加工而成的一种新型涂层材料。其基料氟树脂所含碳氟健...
实用标准文档大全考试复习题一、什么是钢结构钢结构是钢材经过设计、制作和安装而形成的工程结构形式。二、钢结构的特点①材质均匀,可靠性...
杭州天溪湖酒店工程钢结构氟碳喷涂施工方案第1页共11页目录一、工程概况⋯⋯⋯⋯⋯⋯⋯⋯⋯⋯⋯⋯⋯⋯⋯⋯⋯⋯⋯⋯⋯⋯⋯⋯⋯⋯⋯⋯1二、产...
钢结构构件出厂合格证工程名称:产品名称:钢柱H规格:HM440*300*11*18数量:52件一、产品质量检查情况:1.主要受力零部件的材料,其化学...
钢结构楼梯制作安装工程施工方案编制人:审核人:审批人:xxx年xx月xx日目录1.编制依据...................................................
实用标准精彩文档尺寸允许偏差热轧钢板和钢带尺寸允许偏差(GB/T709-1988)钢板的厚度允许偏差(一)mm公称厚度在下列宽度时的厚度允许偏差(钢...

