电脑桌面
添加小米粒文库到电脑桌面
安装后可以在桌面快捷访问

钢结构涂装方案及施工工艺VIP免费

钢结构涂装方案及施工工艺_第1页
1/20
钢结构涂装方案及施工工艺_第2页
2/20
钢结构涂装方案及施工工艺_第3页
3/20
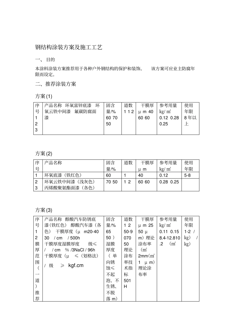
钢结构涂装方案及施工工艺一、目的本涂料涂装方案推荐用于各种户外钢结构的保护和装饰。该方案可应业主防腐年限而设定。二、推荐涂装方案方案(1)序号123产品名称环氧富锌底漆环氧云铁中间漆氟碳防腐面漆固含量/%607050道数112干膜厚μm406060参考用量㎏/㎡0.120.280.25使用年限8年以上方案(2)序号产品名称固含量/%道数干膜厚μm参考用量㎏/㎡使用年限1环氧底漆(铁红色)601400.125-823环氧云铁中间漆(浅灰色)丙烯酸聚氨酯面漆(各色)70501260600.280.25方案(3)序号12膜厚范围(一道)推荐产品名称醇酸汽车防锈底漆(铁红色)醇酸汽车漆(各色)干膜厚度(μm20-4030/cm/500h干膜厚度湿膜厚度级≤//cm%/3NaCl/96h干膜厚度(μ≤(划格法)/级≥kgf.cm固含量/%6550)湿膜厚度(单向锈蚀≤不起泡、不生锈、不脱落m)道数1250-907050理论涂布率技术指标501H干膜厚μm2550μm)理论涂布率(㎡2mm(㎡1μm)理论涂布率参考用量㎏/㎡0.110.158.4-12.810.2(㎡使用年限1-2/㎏)/㎏)膜厚(一道)耐冲击性耐盐雾性/)㎏)μm)m(μ(膜厚范围(一11.5120~5.7~306060~道)检湿膜厚度(技术指标验项目附着力(划格法)耐冲击性耐盐水检验项目附着力硬度(铅笔)50耐冲击性不起泡、不起皱、不脱落5%硫酸)168h耐酸性(4耐碱液)溶5%性(NaOH不起泡、不起皱、不脱落168h2168h/级耐盐雾性说明:方案(1)涂膜坚韧、耐磨、丰满、光泽度高,附着力好,防腐性优良,耐候性、装饰性强、耐热性及耐低温性佳。(2)涂膜坚韧、耐磨、丰满、光泽度高,附着力好,防腐性优良,耐候性、装饰性强、对湿热性气候具有良好的稳定性。(3)漆膜丰满度高,机械强度较好,漆膜柔韧,耐盐水,适用于在轻耐候性一般。微至中等腐蚀环境下,三、施工工艺(一)、钢结构表面前处理工艺1、检查钢结构质量,清扫表面焊渣、灰尘等杂物。2、打磨、除锈、除焊渣。用动力角磨机磨去毛刺、锐边,敲净焊渣,磨平焊接处,基面须使用动力角磨机或动力钢丝刷打磨旧漆膜表面,除去表面的氧化膜及锈迹,各种记号。基面处理达到St2级以上标准。无油污、作到洁净无尘、再用溶剂多次擦拭,先刮去大量油脂,基面如果有油脂,、3.干燥。4、处理好的基面要在6小时内进行涂装,以免再次污染和锈蚀。5、安全注意事项,站在工件上一定要站稳扶好。(二)、涂装工艺1、涂装前的准备(1)首先要仔细阅读产品使用说明书和施工工艺,了解清楚产品的性能、使用方法、注意事项以及技术、质量要求等。(2)施工前要准备好相应的物料,注意检查包装是否完整、是否在保质期内,并仔细核对产品的标签标识,以免用错固化剂、稀释剂及搞错A、B双组份的配比。(3)正确的混合和稀释:开桶时,注意不要将杂质带入基料;先用动力工具将A组分漆料搅拌均匀,再加入B组分低速搅拌均匀。静置熟化一段时间(视环境温度情况,一般为15-20分钟。温度越高熟化时间越短)。(4)施工现场要远离火源,防火发生;保持通风良好;施工人员要穿戴好防护用具包括护目镜等。注意不要将漆料溅到皮肤上,如溅入眼中要马上用清水冲洗,并及时送医院救治。2、涂装的环境条件(1)相对湿度:空气的相对湿度小于75%,禁止在雨、雪及有雾的条件下施工。(2)施工时的环境温度:a.底漆及中间漆:10-35℃。b.聚氨酯面漆:5-35℃。c.露点温度:基材表面温度高于露点温度3℃以上。d.基材处于阳光直射、温度过高时不得施工。3、涂装方法:(1)可以采用刷涂、空气喷涂和高压无气喷涂法施工。采用滚涂法施工时,要选用不掉毛、不开胶质量好的中等长度毛滚筒。采用高压无气喷涂法时,空气压力:0.6MPa左右;无气喷涂喷嘴:0.4-0.5mm;喷出压力15-20MPa。喷涂时要形成很好的雾化扇面,垂直距离被涂物表面30cm左右,均匀在左右或上下移动,后一枪要压住前一枪漆膜的一半。.(2)大面积施工以前,先用质量好的板刷将边角、形状复杂处刷涂一遍,再进行大面积的滚涂或无气喷涂施工。4、注意事项:(1)对于所用双组份涂料,A、B双组份兑合后,常温下(23°c)可使用时间为4-6小时,随着温度的升高,使用期将缩短。所以,应当现调现用,时间不得过长,以免使得漆料的性能下降或胶化...

1、当您付费下载文档后,您只拥有了使用权限,并不意味着购买了版权,文档只能用于自身使用,不得用于其他商业用途(如 [转卖]进行直接盈利或[编辑后售卖]进行间接盈利)。
2、本站所有内容均由合作方或网友上传,本站不对文档的完整性、权威性及其观点立场正确性做任何保证或承诺!文档内容仅供研究参考,付费前请自行鉴别。
3、如文档内容存在违规,或者侵犯商业秘密、侵犯著作权等,请点击“违规举报”。

碎片内容

钢结构涂装方案及施工工艺

您可能关注的文档

确认删除?
VIP
微信客服
  • 扫码咨询
会员Q群
  • 会员专属群点击这里加入QQ群
客服邮箱
回到顶部