浅析工业钢结构厂房的防腐防火对策摘要:钢结构防腐防火设计是保证钢结构厂房在设计使用年限内安全的重要因素之一。本文结合工业钢结构厂房...
平安技术交底表〔二〕工程名称施工局部或层次施工内容交底工程进场平安教育交底日交底内容:一.平安帽:在配戴平安帽时应先检查平安帽外壳是...
钢构造手工电弧焊焊接1范围本工艺适用于一般工业与民用建筑工程中钢构造制作与安装手工电弧焊焊接工程。2施工准备2.1材料及主要机具:电焊...
浅谈如何做好钢结构建筑消防监督管理钢结构作为现代建筑的一种主要建筑结构形式,具有强度高、自重轻、抗震性能好、施工周期短、建筑工业化...
钢结构进场安全教育交底内容:这认真贯彻执行党和国家有关生产方针、政策和法规,搞好安全生产,保障职工在劳动过程中的安全和健康,做工到...
浅谈超高空钢结构安装的安全防护技术【摘要】广州新电视塔主体是一项超高空钢混组合结构工程,454m高钢骨砼核心筒和钢结构外框筒已顺利封顶...
钢构造防腐涂装1范围本工艺适用于建筑钢构造工程用的防腐蚀施工工艺。2施工准备2.1材料建筑钢构造工程防腐材料的选用应符合设计要求。防腐...
钢构造防火涂料涂装1范围本工艺适用于钢构造厚涂型防火涂料喷涂工艺施工。2施工准备2.1材料及主要机具:防火涂料:需使用经主部门鉴定并经...
2015-2020年中国钢结构行业现状分析与发展前景研究报告报告编号:1576506中国产业调研网www.cir.cn投资机会分析市场规模分析市场供需状况产...
中山利和公寓钢结构安装专项施工方案编制单位:山东莱钢建设有限公司东莞分公司编制人:批准人:编制日期:2009年12月18日目录一、编制依据...
第一章编制依据一、图纸及文件北大国际医院钢结构分包工程招标文件及其工程图纸。二、主要法规类别名称实施日期国家法律、法规中华人民共和...
钢构造及铁件制作工程平安技术交底施工名称工程名称施工部位施工内容安全技术交底内容1、大锤、手锤的木把应质地坚实、安装结实。打锤时制...
关于印发《轻型房屋钢结构工程设计专项资质管理暂行办法》和《建筑幕墙工程设计专项资质管理暂行办法》的通知建设[2000]126号各省、自治区...
钢构造手工电弧焊焊接工艺〔501-1996〕范围本工艺适用于一般工业与民用建筑工程中钢构造制作与安装手工电弧焊焊接工程。施工准备2.1材料及...
某某某中心钢结构屋顶绿化工程施工方案单位:内蒙古某某某工程有限公司(公章)日期:20××年×月×日目录第一章:施工依据和原则...........
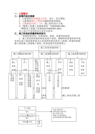
一、工程概况二、监理内容及根据1、已批准的杭州城建立计院、设计、设计图纸。2、已批准的浙江工程咨询编制的监理规划。3、已批准的中国二...
施工方案本工程为锦州宝地小学综合楼钢结构屋面工程,工程量包括38.4m×33.6m钢结构大屋顶一个及24m×33.6m小屋架一个,大屋架钢梁选用H(17...
钢构造工程监理施行细那么一.编制根据1.已批准的本工程监理规划2.与本专业工程有关的、设计和技术资料:1)、?建筑工程施工质量验收统一?G...
第一章:概述一.工程概况1.概述烧结脱硫区域建(构)筑物防腐处理工程位于四烧厂区内,该工程(根据施工图内容)包括①五烧抽风机屋面瓦更...
焊接机器人在机车钢结构焊接生产中的应用性分析随着我国经济的不断发展,焊接行业取得了令人瞩目的成绩。我国已成为钢材使用量较多的国家,...

