1.编制依据1.1相关设计文件1.2工程质量验收标准《建筑项目工程施工质量验收统一标准》(GB50300-2001)《钢结构工程施工质量验收规范》(G...
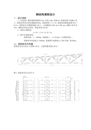
钢结构课程设计-、设计资料1、已知条件:梯形钢屋架跨度33m,长度120m,柱距6m。屋架铰接于混凝土柱上,屋面采用单层彩色钢板波形瓦,屋面...
户外钢结构单立柱广告牌预算清单(HD-21*7总高24m)修建安装工程预算单HD-21*7双面单立柱广告塔预算表(总高24m)预算说明1.本预算为工程直...
钢结构企业文化标语【篇一:企业文化标语大全】企业文化标语大全【范例一】企业文化:诚信、踏实、优质、一流!经营理念:追求卓越无止境、...
1徐州通域空间结构有限公司钢结构施工方案编制要点--------工程部编制2徐州通域空间结构有限公司目录三、工程概况与重、难点分析四、组织机...
钢结构吊装施工安全控制安全第一,风险预控,过程管理、持续改进!安全第一,风险预控,过程管理、持续改进!目录一相关事件安全经验反馈二...
1中建八局南宁会展技术攻关QC小组祝中建总公司QC大会圆满成功2攻克南宁国际会展中心二期工程72m跨180t重钢屋架吊装施工技术难关发布人:徐...
一、工程概况1.1工程概况:台山电厂位于广东省台山市以南约50km的铜鼓湾口,属台山市田头镇,电厂规划装机容量为8台600MW等级机组,是广东...
起重吊装安全技术专项施工方案***************工程吊装安全方案编制人:审核人:审批人:编制单位:目录一、钢结构安装部署…………………...
目录第一章工程概况及施工重难点.......................................................11.1工程总体概述................................
模拟试题三:一、填空题(每空1分,共计22)1、钢结构防腐常采用的方法有________,________。[点击查看答案]答:涂防腐漆、混凝土包裹2、...
越秀星汇翰府项目售楼部钢结构工程施工方案(目录)第一章工程概况及编制依据.............................................................
农村自建轻钢结构别墅入门基础知识轻钢别墅微信是建房迷转载的精华轻钢结构房屋相关微信文章,目的是让建房迷的朋友更多了解轻钢结构房屋在...
方案审批表锦江区大安农贸市场工程施工组织设计工程名称锦江区大安农贸市场工程结构形式砖混、钢结构面积783.3㎡层数1层建设单位成都市农锦...
12345678_91011121314
1第九届广西(钦州)园博会建设项目施工(4)标六角亭钢结构框架安装方案编制人:审核人:批准人:江西省园艺城乡建设集团有限公司2016年8...
北京市门头沟区农村合作经济经营管理站业务用房改造工程(二期)编制:审核:批准:北京矿建建设集团有限公司二〇一七年九月一日目录第一章...
目录一、编制依据................................................3二、工程概况................................................4三、...
一、工程概况1、工程简介工程名称:项目业主方:建筑设计单位:建设地点:建筑工程等级:特级设计使用年限:50年建筑类别:一类公共建筑耐...
上海冠达尔钢结构有限公司10t、10+10t电动双梁桥式起重机供货合同合同编号:2007030303签定地:宝杨路2001号二零零七年三月十五日供货合同...

