电脑桌面
添加小米粒文库到电脑桌面
安装后可以在桌面快捷访问

2024年安全生产奖惩制度VIP免费

2024年安全生产奖惩制度_第1页
1/9
2024年安全生产奖惩制度_第2页
2/9
2024年安全生产奖惩制度_第3页
3/9
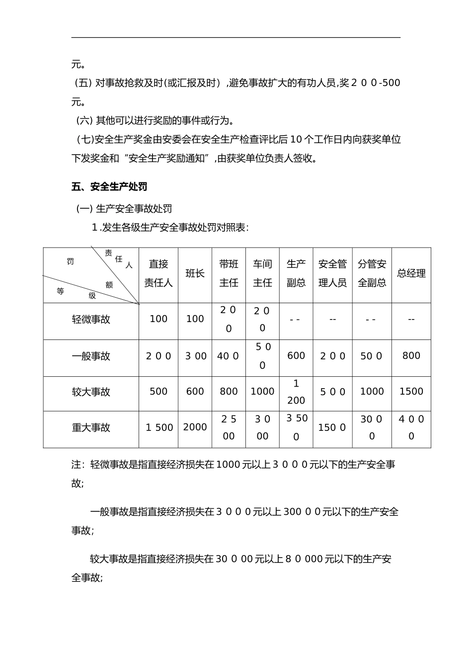
安全生产奖惩制度一、目的为进一步提升公司整体安全生产管理水平,落实公司各级安全责任和管理制度,规范、保障各级履行安全生产管理职责,有效促进工作现场安全管理水平,实现安全生产,特制定本制度。二、工作原则(一)安全生产奖惩以事实为依据,坚持公开、公正以及教育与处罚相结合的原则,实现鼓励先进、鞭策后进。(二)安全生产奖惩以公司内部经济奖惩为主。达到奖励标准的,由公司内部予以奖励;违反公司安全生产管理制度的,公司内部予以处罚;触犯国家有关安全生产法律、法规的,由国家司法机关依法追究法律责任。(三)本着“教育为主、惩罚为辅”的原则,对同时违反本制度两项规定以上的,则择其较重一项予以处罚,本制度不执行合并处罚。三、职责(一)安环部负责《安全生产奖惩制度》的制定、修订工作;负责按照本制度的监督、检查、处罚及通报工作。(二)财务部负责按照安环部开出的奖惩单,进行奖金的支出与罚款的收缴。(三)各部门负责按照本制度的内容执行。四、安全生产奖励(一)在生产作业过程中,认真执行安全生产管理制度和操作规程,制止违章指挥、违章作业、违反劳动纪律现象,在评比周期内未发生安全事故的。(二)积极主动排查、治理安全事故隐患,避免各类生产安全事故发生的。(三)在劳动保护、安全技术方面,有创新发明、技术改进或提出合理化建议被采纳,经实施后效果显著的。(四)对及时发现事故隐患并果断采取措施,避免了发生重大伤亡事故或重大设备事故(修复费5万元以上或经济损失10万元以上者),奖励500-1000元。(五)对事故抢救及时(或汇报及时),避免事故扩大的有功人员,奖200-500元。(六)其他可以进行奖励的事件或行为。(七)安全生产奖金由安委会在安全生产检查评比后10个工作日内向获奖单位下发奖金和“安全生产奖励通知”,由获奖单位负责人签收。五、安全生产处罚(一)生产安全事故处罚1.发生各级生产安全事故处罚对照表:直接责任人班长带班主任车间主任生产副总安全管理人员分管安全副总总经理轻微事故100100200200--------一般事故200300400500600200500800较大事故5006008001000120050010001500重大事故15002000250030003500150030004000注:轻微事故是指直接经济损失在1000元以上3000元以下的生产安全事故;一般事故是指直接经济损失在3000元以上30000元以下的生产安全事故;较大事故是指直接经济损失在30000元以上80000元以下的生产安全事故;责任人罚额等级重大事故是指直接经济损失在80000元以上的生产安全事故。2.发生重大及以上事故除进行罚款外,还应按照事故造成后果和严重程度对相关责任人进行撤职直至开除处分。3.在发生事故分析对策后3个月内(不含当月)仍然再发生安全事故的,对相应部门相关人员处以双倍的罚款(当月连续再发生事故的同样进行双倍的处罚);之后连续6个月未再发生安全事故的,对相应部门的被罚款人给予最近一次事故罚金的2倍作为奖励。4.以上事故负有刑事责任者,移交司法机关处理;属下列情况之一者从重处理:a.工作不负责,违反劳动纪律,不严格执行安全规章制度和安全技术操作规程造成事故的主要责任者;b.对已列入安全技术措施项目,不采取应急措施造成事故的主要责任者;c.违章指挥,强令冒险作业,不听从劝阻造成事故的主要责任者;d.忽视劳动保护条件,擅自拆除或闲置劳动保护设施造成事故的主要责任者;e.设备长期失修、带病运转,不采取措施造成事故的主要责任者;f.发生事故,不按“四不放过”原则进行处理,不认真吸取教训、采取措施,造成事故重复发生的主要责任者。5.严格执行事故报告制度,出现事故第一时间汇报(15分钟内),瞒报、谎报、迟报的,给予相关责任部门负责人罚款200元;导致事态扩大的给予责任部门负责人罚款500元。凡是发生事故,必须及时汇报至安环部,无论事故大小,都必须严格遵守“四不放过”原则,及时对事故进行调查分析,并提出切实可行的防范措施,并在3天内将分析结果以书面形式汇报安全管理人员。6.事故调查过程中个人或单位阻挠或拒绝接受调查的,对相关个人或单位负责人进行500-1000元/人•次的处罚。(二)安全生产管理违章处罚各车间或班组在现场安全...

1、当您付费下载文档后,您只拥有了使用权限,并不意味着购买了版权,文档只能用于自身使用,不得用于其他商业用途(如 [转卖]进行直接盈利或[编辑后售卖]进行间接盈利)。
2、本站所有内容均由合作方或网友上传,本站不对文档的完整性、权威性及其观点立场正确性做任何保证或承诺!文档内容仅供研究参考,付费前请自行鉴别。
3、如文档内容存在违规,或者侵犯商业秘密、侵犯著作权等,请点击“违规举报”。

碎片内容

2024年安全生产奖惩制度

您可能关注的文档

确认删除?
VIP
微信客服
  • 扫码咨询
会员Q群
  • 会员专属群点击这里加入QQ群
客服邮箱
回到顶部