电脑桌面
添加小米粒文库到电脑桌面
安装后可以在桌面快捷访问

建筑外门窗的建筑物理性能分级VIP免费

建筑外门窗的建筑物理性能分级_第1页
1/11
建筑外门窗的建筑物理性能分级_第2页
2/11
建筑外门窗的建筑物理性能分级_第3页
3/11
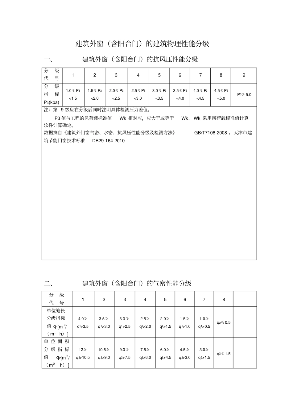
建筑外窗(含阳台门)的建筑物理性能分级一、建筑外窗(含阳台门)的抗风压性能分级分级代号1 2 3 4 5 6 7 8 9 分级指标P3(kpa) 1.0≤ P3<1.5 1.5≤ P3<2.0 2.0≤ P3<2.5 2.5≤P3<3.0 3.0≤ P3<3.5 3.5≤P3<4.0 4.0≤ P3<4.5 4.5≤P3<5.0 P3≥ 5.0 注:第 9 级应在分级后同时注明具体检测压力差值。P3 值与工程的风荷载标准值Wk 相对应,应大于或等于Wk。Wk 采用风荷载标准值计算软件计算确定。数据摘自《建筑外门窗气密、水密、抗风压性能分级及检测方法》GB/T7106-2008 。天津市建筑节能门窗技术标准DB29-164-2010 二、建筑外窗(含阳台门)的气密性能分级分级代号1 2 3 4 5 6 7 8 单位缝长分级指标值 q1[m3/( m·h)] 4.0≥q1>3.5 3.5≥q1>3.0 3.0≥q1>2.5 2.5≥q1>2.0 2.0≥q1>1.5 1.5≥q1>1.0 1.0≥q1>0.5 q2≤0.5 单 位 面 积分 级 指 标值q2[m 3/(m2·h) ] 12≥q2>10.5 10.5≥q2>9.0 9.0≥q2>7.5 7.5≥q2>6.0 6.0≥q2>4.5 4.5≥q2>3.0 3.0≥q2>1.5 q2≤1.5 注:数据摘自《建筑外门窗气密、水密、抗风压性能分级及检测方法》GB/T7106-2008 。居住建筑七层以下不应低于3 级,七层及以上不应低于4 级。公共建筑不应低于4 级。1,注 : 天津公共建筑节能规定采暖空间外门窗气密性不应低于6 级,非采暖空间采用推拉窗时,不应低于3 级。三、建筑外窗(含阳台门)的水密性能分级分级1 2 3 4 5 6 分级指标Δ P(Pa)100≤ Δ P <150 150≤Δ P <250 250≤Δ P <350 350≤Δ P <500 500≤Δ P <700 Δ P ≥700 注:数据摘自《建筑外门窗气密、水密、抗风压性能分级及检测方法》GB/T7106-2008 。Δ P(Pa)=风荷载标准值(Wk )× 0.1。位于大风且多雨的地区时,窗的水密性能不应低于3 级。 天津市建筑节能门窗技术标准DB29-164-2010 四、建筑外窗(含阳台门)传热系数分级分级1 2 3 4 5 分级指标值K[W/(m2?K)] K≥5.0 5.0> K ≥4.0 4.0> K ≥ 3.5 3.5> K ≥ 3.0 3.0> K ≥ 2.5 分级6 7 8 9 10 分级指标值K[W/(m2?K)] 2.5> K ≥2.0 2.0> K ≥1.6 1.6> K ≥ 1.3 1.3> K ≥ 1.1 K<1.1 注:数据摘自《建筑外窗保温性能分级及检测方法》GB/T 8484-2008 。传热系数 K= W/ (m2?K),不得低于《公共建筑节能设计标准》、《** 地区居住建筑节能设计标准》或《天津市居住建筑节能设...

1、当您付费下载文档后,您只拥有了使用权限,并不意味着购买了版权,文档只能用于自身使用,不得用于其他商业用途(如 [转卖]进行直接盈利或[编辑后售卖]进行间接盈利)。
2、本站所有内容均由合作方或网友上传,本站不对文档的完整性、权威性及其观点立场正确性做任何保证或承诺!文档内容仅供研究参考,付费前请自行鉴别。
3、如文档内容存在违规,或者侵犯商业秘密、侵犯著作权等,请点击“违规举报”。

碎片内容

建筑外门窗的建筑物理性能分级

您可能关注的文档

确认删除?
VIP
微信客服
  • 扫码咨询
会员Q群
  • 会员专属群点击这里加入QQ群
客服邮箱
回到顶部