电脑桌面
添加小米粒文库到电脑桌面
安装后可以在桌面快捷访问

工程施工联系单_全部1VIP专享VIP免费

工程施工联系单_全部1_第1页
1/17
工程施工联系单_全部1_第2页
2/17
工程施工联系单_全部1_第3页
3/17
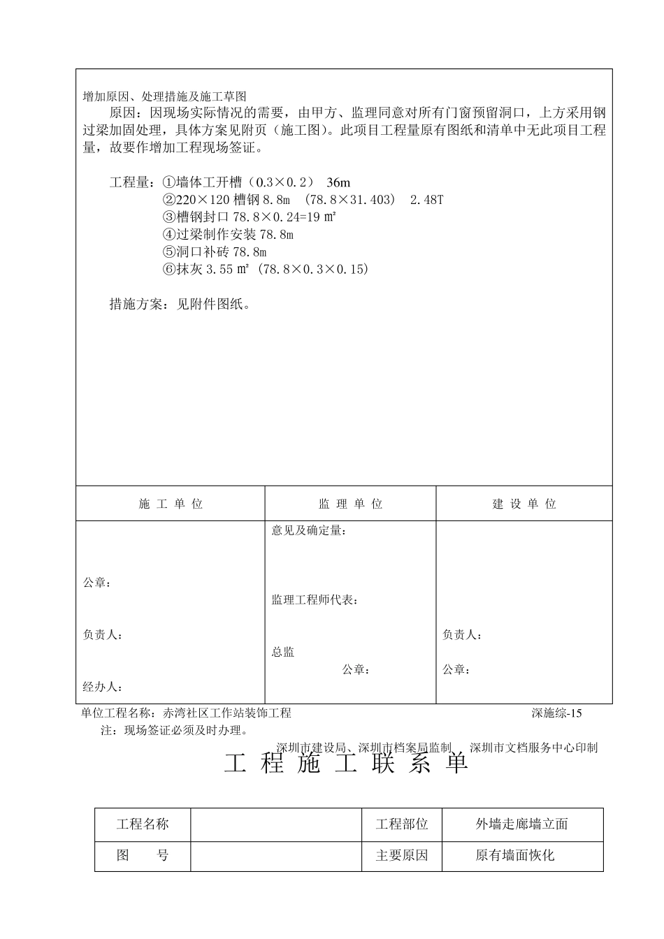
工 程 施 工 联 系 单 工程名称 阳澄·鸿景湾(北标段) 工程部位 图 号 主要原因 建设工程人工工资指导价变更 联 系 内 容 致: 建设单位:苏州欣阳房地产开发有限公司 监理单位:苏州东大建设监理有限公司 根据《省住房城乡建设厅关于发布建设工程人工工资指导价的通知》,2 0 1 3 年建设工程人工工资指导价已发布。我项目部已对鸿景湾(北标段)2 0 1 3 年 3 月 1 日前完成工程量统计汇总。 附件:省住房城乡建设厅关于发布建设工程人工工资指导价的通知 鸿景湾北标段 3 月 1 号前土建完成工作量汇总表; 鸿景湾北标段 3 月 1 号前安装完成工作量汇总表; 请甲方、监理对完成工作量予以确认。 监理(建设)单位: (盖章) 负责人: 年 月 日 施工单位: (盖章) 工程负责人: 年 月 日 工 程 施 工 联 系 单 工程名称 阳澄·鸿景湾(北标段) 工程部位 图 号 主要原因 外脚手架拆除 联 系 内 容 致: 建设单位:苏州欣阳房地产开发有限公司 监理单位:苏州东大建设监理有限公司 阳澄·鸿景湾北标段 1 2 #-2 3 #房外墙保温工程施工已完成,外墙涂料工程六幢基本完成,1 9 #、2 3 #两幢经过检查验收,已具备脚手架拆除条件。为确保现场施工总进度,项目部定于 9 月 4 日开始拆除脚手架。请甲方、监理给予配合。 监理(建设)单位: (盖章) 负责人: 年 月 日 施工单位: (盖章) 工程负责人: 年 月 日 增加工程名称 位置、范围 施工期限 主要工程量 单位工程名称:赤湾社区工作站装饰工程 深施综-15 注:现场签证必须及时办理。 深圳市建设局、深圳市档案局监制 深圳市文档服务中心印制 工 程 施 工 联 系 单 工程名称 工程部位 外墙走廊墙立面 图 号 主要原因 原有墙面恢化 增加原因、处理措施及施工草图 原因:因现场实际情况的需要,由甲方、监理同意对所有门窗预留洞口,上方采用钢过梁加固处理,具体方案见附页(施工图)。此项目工程量原有图纸和清单中无此项目工程量,故要作增加工程现场签证。 工程量:①墙体工开槽(0.3×0.2) 36m ②220×120 槽钢8.8m (78.8×31.403) 2.48T ③槽钢封口78.8×0.24=19 ㎡ ④过梁制作安装78.8m ⑤洞口补砖 78.8m ⑥抹灰 3.55 ㎡ (78.8×0.3×0.15) 措施方案:见附件图纸。 施 工 单 位 监 理 单 位 建 设 单 位 公章: 负责人...

1、当您付费下载文档后,您只拥有了使用权限,并不意味着购买了版权,文档只能用于自身使用,不得用于其他商业用途(如 [转卖]进行直接盈利或[编辑后售卖]进行间接盈利)。
2、本站所有内容均由合作方或网友上传,本站不对文档的完整性、权威性及其观点立场正确性做任何保证或承诺!文档内容仅供研究参考,付费前请自行鉴别。
3、如文档内容存在违规,或者侵犯商业秘密、侵犯著作权等,请点击“违规举报”。

碎片内容

工程施工联系单_全部1

确认删除?
VIP
微信客服
  • 扫码咨询
会员Q群
  • 会员专属群点击这里加入QQ群
客服邮箱
回到顶部