电脑桌面
添加小米粒文库到电脑桌面
安装后可以在桌面快捷访问

新型LED驱动器TEC9607及其应用VIP免费

新型LED驱动器TEC9607及其应用_第1页
1/6
新型LED驱动器TEC9607及其应用_第2页
2/6
新型LED驱动器TEC9607及其应用_第3页
3/6
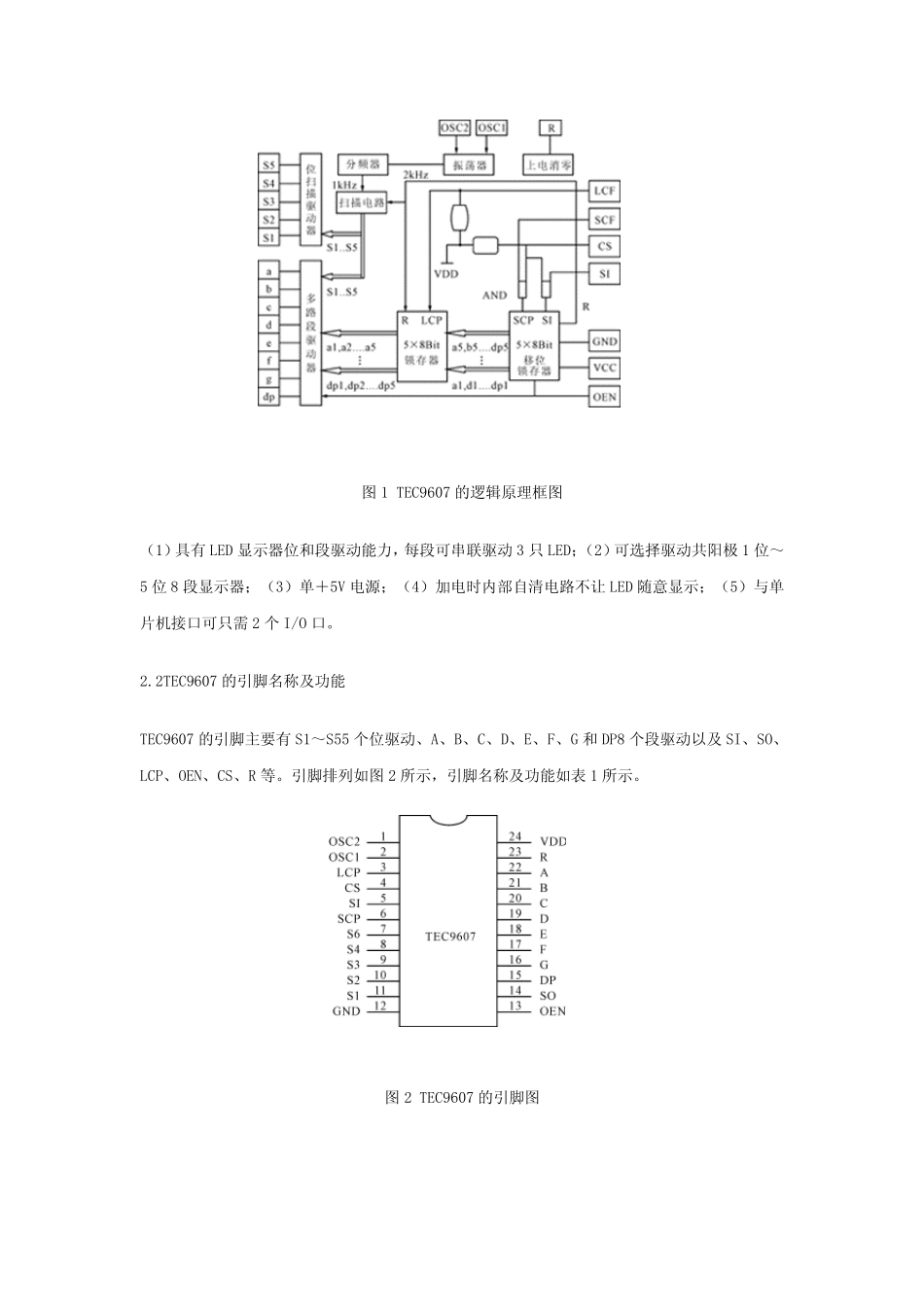
新型LED 驱动器TEC9607 及其应用 随着智能仪器的广泛应用,显示器作为仪器的窗口显得尤为重要。LED 显示器有静态和动态驱动显示两种方式。在静态方式下,N 位静态数字显示器要求有N×8 根 I/O 口,占用I/O 资源较多。在显示位数较多时,为节省硬件资源往往采用动态显示方式,即便如此,5 位显示器也需要9 根~13 根 I/O 线口,并且占用CPU 较长时间,容易和CPU 发生冲突。为此,常常使用8155或 8279 等接口器件扩展 I/O,但仍需外加许多驱动器件,电路仍较复杂。近来推出的ICM7218、MAX7219 等器件,虽能解决这些矛盾,但是芯片价格不菲。除非不得已,大家仍乐于用串行移入信号、并行输出的集成电路 74LS164 作LED 数字显示器的驱动电路,数字显示器多少位,就用多少片 74LS164。这种方式接线复杂,占用印制板面积大,综合成本仍不低,而且显示内容容易被干扰出错,更新数据时显示器还会出现闪烁。 国产的全定制集成电路 TEC9607 器件是 5 位LED 数字显示器驱动用ASIC。TEC9607 采用标准24引脚DIP 型封装 ,与 单 片机 、微 处 理 器接口很 简 单 ,使用方便。每 片价格仅 为国外同 类 产品 的1/3,而功 能和国外产品 相 当 。 2TEC9607 的特 点 及引脚功 能 2.1TEC9607 的主 要特 点 TEC9607 是驱动共 阳 极 5 位8 段 LED 显示器或共 阳 极 5×8 点 阵 LED 显示的ASIC,逻 辑 框 图 如图1 所 示。器件由 开 机 自 清 零 电路、振 荡 电路、位扫 描 驱动电路、5×8bit 移位寄 存 器、5×8bit数据锁 存 器、多路选 择 电路、共 阳 极 段 驱动电路等组 成,可 与 各 种型号的微 处 理 器接口。其主 要特 点 有: 图1 TEC9607 的逻辑原理框图 (1)具有LED 显示器位和段驱动能力,每段可串联驱动3 只LED;(2)可选择驱动共阳极1 位~5 位8 段显示器;(3)单+5V 电源;(4)加电时内部自清电路不让LED 随意显示;(5)与单片机接口可只需2 个I/O 口。 2.2TEC9607 的引脚名称及功能 TEC9607 的引脚主要有S1~S55 个位驱动、A、B、C、D、E、F、G 和DP8 个段驱动以及SI、SO、LCP、OEN、CS、R 等。引脚排列如图2 所示,引脚名称及功能如表 1 所示。 图2 TEC9607 的引脚图 表1 TEC9607 的引脚名称及功能 脚号 名称 功能说明 5 SI 串行输入数据,由微处理器程序给出。 6 SCP 串行移位脉冲,...

1、当您付费下载文档后,您只拥有了使用权限,并不意味着购买了版权,文档只能用于自身使用,不得用于其他商业用途(如 [转卖]进行直接盈利或[编辑后售卖]进行间接盈利)。
2、本站所有内容均由合作方或网友上传,本站不对文档的完整性、权威性及其观点立场正确性做任何保证或承诺!文档内容仅供研究参考,付费前请自行鉴别。
3、如文档内容存在违规,或者侵犯商业秘密、侵犯著作权等,请点击“违规举报”。

碎片内容

新型LED驱动器TEC9607及其应用

小辰6+ 关注
实名认证
内容提供者

出售各种资料和文档

相关文档

确认删除?
VIP
微信客服
  • 扫码咨询
会员Q群
  • 会员专属群点击这里加入QQ群
客服邮箱
回到顶部