电脑桌面
添加小米粒文库到电脑桌面
安装后可以在桌面快捷访问

新建建(构)筑物防雷设施检测项目VIP免费

新建建(构)筑物防雷设施检测项目_第1页
1/8
新建建(构)筑物防雷设施检测项目_第2页
2/8
新建建(构)筑物防雷设施检测项目_第3页
3/8
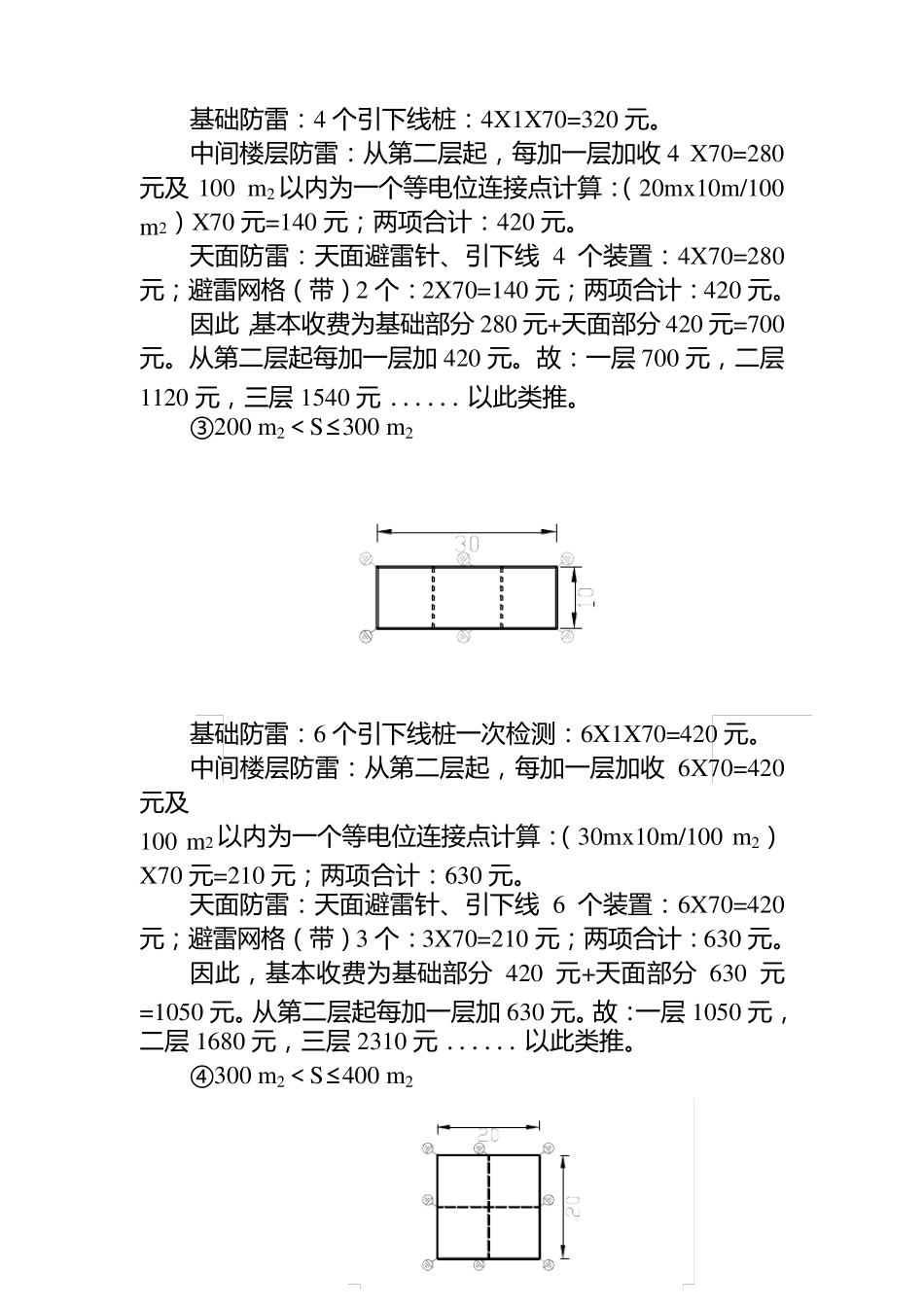
附 件 3: 新建建(构)筑物防雷设施检测项目、程序及收费计算办法 一 、 收 费 标 准 : 根 据 中 华 人 民 共 和 国 强 制 性 国 家 标 准 《 建 筑 物 防 雷 设 计规 范 》 GB50057-94( 2000 年 版 ) 等 要 求 按 新 建 建 筑 物 的 占地 面 积 及 楼 层 高 度 所 必 须 具 备 的 防 雷 装 置 数 量 来 确 定 所 需的 检 测 点 , 每 个 测 点 每 次 检 测 收 费 70 元 。 新 建 建 筑 物 占 地 面 积 分 为 两 大 档 次 :( 1) 小 于 1000m2 ,每 100 m2 一 个 档 次 ;( 2) 大 于 1000m2 , 每 200 m2 一 个 档 次 。 二 、 检 测 项 目 和 程 序 1、 项 目 : 按 照 《 海 南 省 建 设 项 目 防 雷 工 程 分 段 跟 踪 检 测 手 册 》 规定 的 检 测 项 目 , 分 成 五 大 部 分 : ①基础接地 体部 分 ; ②中 间楼 层 侧击雷 防 护部 分 ; ③天面 直击雷 部 分 ; ④整幢楼 的 等 电位处理部 分 ; ⑤雷 击电磁脉冲防 护部 分 。 2、 程 序 : <一 >基础防 雷 :( 项 目 1-19) ①完成 桩基础, 开始绑扎承台、 地 梁钢筋时; ②完成 地 梁浇注, 开始绑扎钢筋时; ③完成 柱的 浇注, 开始首层 绑扎板筋时; <二 >中 间楼 层 防 雷 :( 项 目 20-25) 从第二 层 起, 每 层 均要 检 查防 雷 装 置 有关组成 部 分 的 情况,检 测 项 目20-25 的 各项 数 据 和 检 查等 电位连接的 情况按100 m2 为 一 个 等 电位连接点 。 <三>天面 防 雷 :( 项 目 26-41) ①天面 绑扎板筋焊接完避雷 网格时, 检 测 项 目26-30 的各项 数 据 , 收 费 按 规 范 规 定 的 网格数 量 计 算。 ②焊接完天面 避雷 针、 带时, 检 查其项 目31-41 的 各项参数 , 收 费 按 防 雷 装 置 的 个 数 计 算。 <四>整幢楼 的 等 电位处理部 分 :( 项 目 42-51) <五 >雷 击 电 磁 脉 冲 防 护 部 分 :( 项 目 52-58) 三 、 不 同 占 地 面 积 ( S)、 楼 层 的 建 筑 物 收 费 计 算 方 法 ( 以每 个 检 测 点 每 次 70 元 ):...

1、当您付费下载文档后,您只拥有了使用权限,并不意味着购买了版权,文档只能用于自身使用,不得用于其他商业用途(如 [转卖]进行直接盈利或[编辑后售卖]进行间接盈利)。
2、本站所有内容均由合作方或网友上传,本站不对文档的完整性、权威性及其观点立场正确性做任何保证或承诺!文档内容仅供研究参考,付费前请自行鉴别。
3、如文档内容存在违规,或者侵犯商业秘密、侵犯著作权等,请点击“违规举报”。

碎片内容

新建建(构)筑物防雷设施检测项目

确认删除?
VIP
微信客服
  • 扫码咨询
会员Q群
  • 会员专属群点击这里加入QQ群
客服邮箱
回到顶部