电脑桌面
添加小米粒文库到电脑桌面
安装后可以在桌面快捷访问

浆砌片石(排水沟、急流槽)施工质量要求VIP免费

浆砌片石(排水沟、急流槽)施工质量要求_第1页
1/7
浆砌片石(排水沟、急流槽)施工质量要求_第2页
2/7
浆砌片石(排水沟、急流槽)施工质量要求_第3页
3/7
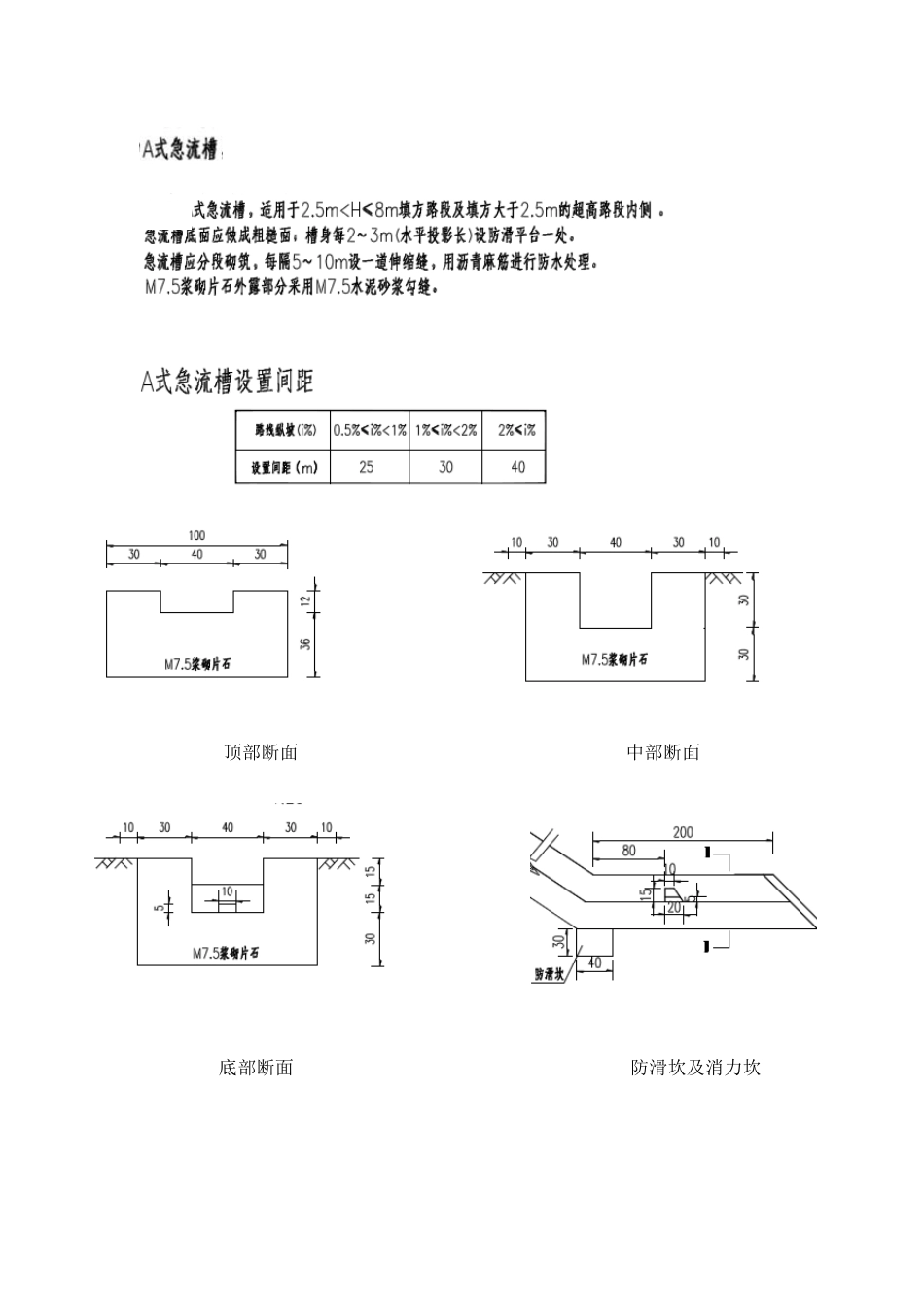
浆 砌 片 石 ( 排 水 沟 、 急 流 槽 ) 施 工 质 量 要 求 设 计 要 求 1、 砂 浆 强 度 : 砌 体 均 采 用 M7.5水 泥 砂 浆 砌 筑 , 并 采 用 M7.5水 泥 砂 浆 勾 缝 。 2、 石 料 : 石 料 采 用 质 地 坚 硬 、 不 易 风 化 无 裂 纹 的 新 鲜 石 料 。 M7.5浆 砌 片 石用 块 、 片 石 抗 压 强 度 不 低 于 30MPa, 片 石 中 部 厚 度 不 应 小 于 15cm; 块 石 形 状 应 大致 成 立 方 体 , 无 锋 棱 突 角 , 底 面 及 顶 面 应 大 致 平 行 , 其 厚 度 不 小 于 20cm, 长 度不 小 于 其 宽 度 。 施 工 质 量 要 求 1) 砌 体 砂 浆 配 合 比 准 确 , 砌 缝 内 砂 浆 均 匀 饱 满 , 勾 缝 密 实 。 2) 浆 砌 片 (块 )石 、 混 凝 土 预 制 块 的 质 量 和 规 格 应 符 合 设 计 要 求 。 3) 砌 体 抹 面 应 平 整 、 压 光 、 直 顺 , 不 得 有 裂 缝 、 空 鼓 现 象 。 4)砌 块 应 错 缝 砌 筑 、 相 互 咬 紧 ; 浆 砌 时 砌 块 应 坐 浆 挤 紧 , 嵌 缝 后 砂 浆 饱 满 ,无 空 洞 现 象 ; 浆 砌 实 测 项 目 项 次 检 查 项 目 规 定值或允许偏差 检 查方 法和 频率 权值 1△ 砂 浆 强 度 (MPa) 在合 格 标准 内 按附录F检 查 3 2 轴线偏位(mm) 50 经纬仪或尺量 : 每200m测 5处 1 3 沟 底 高程(mm) +15 水 准 仪: 每200m5点 2 4 墙面 直 顺 度 (mm)或坡度 30 或不 陡于 设 计 20m拉线、 坡度 尺: 每200m测2处 1 5 断面 尺寸(mm) ±30 尺量 : 每200m测 2处 2 6 铺砌 厚 度 (mm) 不 小 于 设 计 尺量 : 每200m测 2处 1 7 基础垫层宽 、 厚 (mm) 不 小 于 设 计 尺量 : 每200m测 2处 1 外观质 量 要 求 : 1、 砌 体 内 侧及 沟 底 应 平 顺 。 砌 体 边缘直 顺 , 外露表面 平 整 。 2、 勾 缝 平 顺 , 缝 宽 均 匀 , 无 脱落现 象 。 3、 沟 底 不 得 有 杂物。 顶部断面 中部断面 底部断面 防滑坎及消力坎 B 式急流槽断面 顶部浆砌片石端墙 C 式急流槽断面...

1、当您付费下载文档后,您只拥有了使用权限,并不意味着购买了版权,文档只能用于自身使用,不得用于其他商业用途(如 [转卖]进行直接盈利或[编辑后售卖]进行间接盈利)。
2、本站所有内容均由合作方或网友上传,本站不对文档的完整性、权威性及其观点立场正确性做任何保证或承诺!文档内容仅供研究参考,付费前请自行鉴别。
3、如文档内容存在违规,或者侵犯商业秘密、侵犯著作权等,请点击“违规举报”。

碎片内容

浆砌片石(排水沟、急流槽)施工质量要求

您可能关注的文档

确认删除?
VIP
微信客服
  • 扫码咨询
会员Q群
  • 会员专属群点击这里加入QQ群
客服邮箱
回到顶部