电脑桌面
添加小米粒文库到电脑桌面
安装后可以在桌面快捷访问

测绘工程CAD11道路路线工程图的绘制VIP免费

测绘工程CAD11道路路线工程图的绘制_第1页
1/17
测绘工程CAD11道路路线工程图的绘制_第2页
2/17
测绘工程CAD11道路路线工程图的绘制_第3页
3/17
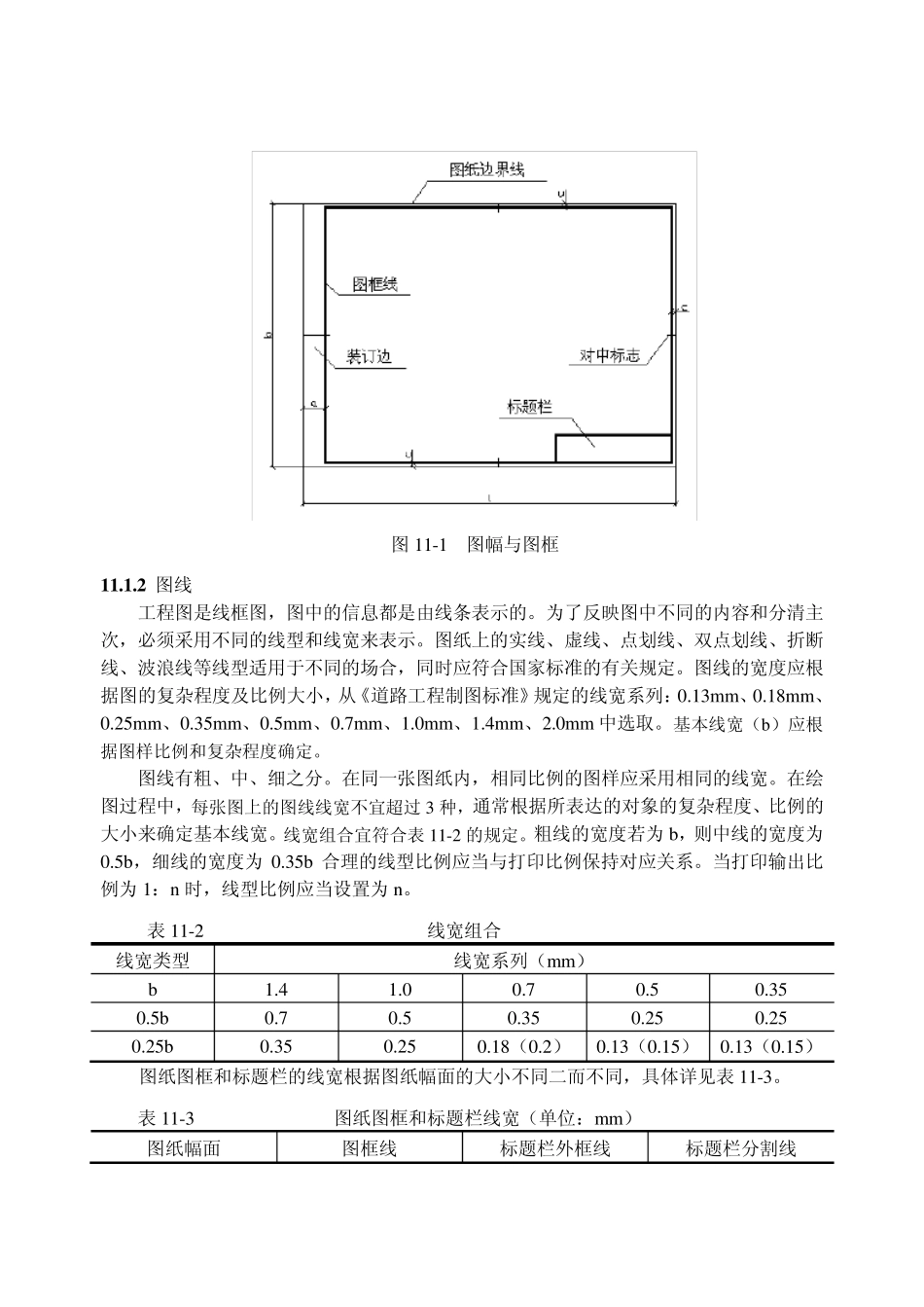
第十一章 道路路线工程图的绘制 在道路工程勘测、设计、施工中, 工程测量人员经常需要绘制道路路线的工程图,以指导工程的建设。道路路线工程图主要包括路线平面图、道路纵断面图和横断面图。本章主要介绍道路路线工程图、路线纵断面图和路线横断面图的绘制方法。 1 1 .1 道路绘图基本知识 在道路工程测量中,需要根据测量的数据,绘制出路线平面图、道路的纵断面图、道路的横断面图,作为道路设计和施工的依据。用Au toCAD 绘制道路的纵、横断面图,首先要确定图纸的大小、比例尺、线形、线宽、文字高度、尺寸标注的式样等内容。 1 1 .1 .1 图幅 图幅是指图纸的幅面大小,也就是指图纸本身的大小规格,图框是图纸上表示绘图范围的边线。每项工程都会有一整套的图纸,为便于装订批、保存和合理使用图纸,国家对图纸幅面进行了规定,见表11-1。表中尺寸代号如图11-1 所示。 表11-1 图幅及图框尺寸 图幅代号 尺寸代号 A0 A1 A2 A3 A4 b×l 841×1189 594×841 420×594 297×420 210×297 a 35 35 35 35 25 c 10 10 10 10 10 根据需要,图纸幅面的长边可以加长,但短边不得加长。长边加长的尺寸应符合有关规定,长边加长时,图幅A0、A2、A4 应为150mm 的整倍数;图幅A1、A3 应为210mm的整倍数。 1 1 .1 .2 图线 工程图是线框图,图中的信息都是由线条表示的。为了反映图中不同的内容和分清主次,必须采用不同的线型和线宽来表示。图纸上的实线、虚线、点划线、双点划线、折断线、波浪线等线型适用于不同的场合,同时应符合国家标准的有关规定。图线的宽度应根据图的复杂程度及比例大小,从《道路工程制图标准》规定的线宽系列:0.13mm、0.18mm、0.25mm、0.35mm、0.5mm、0.7mm、1.0mm、1.4mm、2.0mm 中选取。基本线宽(b)应根据图样比例和复杂程度确定。 图线有粗、中、细之分。在同一张图纸内,相同比例的图样应采用相同的线宽。在绘图过程中,每张图上的图线线宽不宜超过 3 种,通常根据所表达的对象的复杂程度、比例的大小来确定基本线宽。线宽组合宜符合表11-2 的规定。粗线的宽度若为b,则中线的宽度为0.5b,细线的宽度为0.35b 合理的线型比例应当与打印比例保持对应关系。当打印输出比例为1:n时,线型比例应当设置为n。 表11-2 线宽组合 线宽类型 线宽系列(mm) b 1.4 1.0 0.7 0.5 0.35 0.5b 0.7 0.5 0.35 0.25 0.25 0.25b 0.35 0.25 0.18(0.2) 0.13(...

1、当您付费下载文档后,您只拥有了使用权限,并不意味着购买了版权,文档只能用于自身使用,不得用于其他商业用途(如 [转卖]进行直接盈利或[编辑后售卖]进行间接盈利)。
2、本站所有内容均由合作方或网友上传,本站不对文档的完整性、权威性及其观点立场正确性做任何保证或承诺!文档内容仅供研究参考,付费前请自行鉴别。
3、如文档内容存在违规,或者侵犯商业秘密、侵犯著作权等,请点击“违规举报”。

碎片内容

测绘工程CAD11道路路线工程图的绘制

确认删除?
VIP
微信客服
  • 扫码咨询
会员Q群
  • 会员专属群点击这里加入QQ群
客服邮箱
回到顶部