电脑桌面
添加小米粒文库到电脑桌面
安装后可以在桌面快捷访问

建筑工程消防验收申报表样表VIP免费

建筑工程消防验收申报表样表_第1页
1/21
建筑工程消防验收申报表样表_第2页
2/21
建筑工程消防验收申报表样表_第3页
3/21
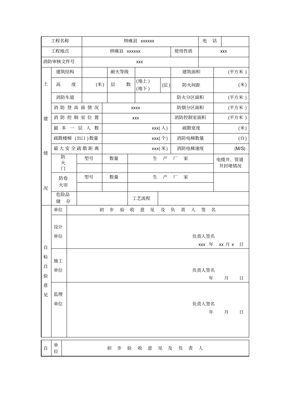
建筑工程消防验收申报表(样表)申报单位 (章):纳雍县 xxxx 申报日期:2002.02.02 申报所需材料(1)项目验收1、填写《建筑工程消防验收申报表》(一式两份)2、建设过程中消防部门的所有建筑消防设计审核文件(复印件,一式两份)3、消防检测机构的检测报告(两份原件)4、消防施工单位的资质证书(复印件,加盖单位公章)5、申报表上填写的各种消防设施中,消防产品(含防火阻燃材料)需提供该产品的检测报告(2)装修工程验收1、建设单位提出的验收申请(加盖公章)2、建设单位填写 《建筑工程消防验收申报表》(一式两份)3、建设工程中消防部门的建筑消防设计审核文件(复印件)4、消防检测机构的检测报告(原件)5、申报表上填写的装修材料(壁纸、地毯、纺织物)需提供其检测报告(复印件)建设单位纳雍县 xxxxxx( 盖建设单位章 ) 联系人xxx 工程名称纳雍县 xxxxxx 电话工程地点纳雍县 xxxxxx 使用性质xxx 消防审核文件号xxx 土建情况建筑结构耐火等级建筑面积(平方米 ) 高度(米 ) 层数(地上 ) (地下 ) (层 ) 防火间距(米) 消防车道防火分区面积(平方米 ) 消 防 登 高 面 情 况xxxx 防烟分区面积(平方米 ) 消 防 控 制 室 位 置xxx 消防控制室面积(平方米 ) 最 多一 层 人 数xxx( 人) 疏散宽度(米) 疏散楼梯 (出口 )数量xxx( 个) 消防电梯数量(台) 最 大 安 全 疏 散 距 离xxx( 米) 消防电梯速度(M/S) 防火门型号数量生产厂家电缆井、管道井封堵情况防卷火帘型号数量生产厂家危险品储存工艺流程自检自验意见单位初步验收意见及负责人签名设计单位负责人签名xxx 年xx 月 x 日施工单位负责人签名年月日监理单位负责人签名年月日自单位初步验收意见及负责人检自验情况建设单位消防设施室内外消火栓系统进水管数量(个) 室内消防用水量(升/秒) 进水管公称直径(毫米 ) 室外消防给水量(升/秒) 消防储水量(立方米 ) 室外消火栓公称管径(毫米 ) 室内消火栓间距(米) 室内消火栓数量(个) 室外消火栓间距(米) 室外消火栓数量(个) 消防立管公称直径(毫米 ) 配套消防卷盘(个) 消防水泵型号扬程(米水柱 ) 功率(瓦特 ) 流量(升/秒) 台数(台) 生产厂家系统类型1. 喷水灭火2. 喷雾水灭火3. 喷雾水冷却消防设施自动喷水灭火系统喷洒类型1、干式; 2、湿式; 3、预作用; 4、开式系统设置部位系统保护面积(立方米)产品名称型号生 产 厂 家数 量喷...

1、当您付费下载文档后,您只拥有了使用权限,并不意味着购买了版权,文档只能用于自身使用,不得用于其他商业用途(如 [转卖]进行直接盈利或[编辑后售卖]进行间接盈利)。
2、本站所有内容均由合作方或网友上传,本站不对文档的完整性、权威性及其观点立场正确性做任何保证或承诺!文档内容仅供研究参考,付费前请自行鉴别。
3、如文档内容存在违规,或者侵犯商业秘密、侵犯著作权等,请点击“违规举报”。

碎片内容

建筑工程消防验收申报表样表

确认删除?
VIP
微信客服
  • 扫码咨询
会员Q群
  • 会员专属群点击这里加入QQ群
客服邮箱
回到顶部