电脑桌面
添加小米粒文库到电脑桌面
安装后可以在桌面快捷访问

建筑工程资源供应计划表VIP免费

建筑工程资源供应计划表_第1页
1/4
建筑工程资源供应计划表_第2页
2/4
建筑工程资源供应计划表_第3页
3/4
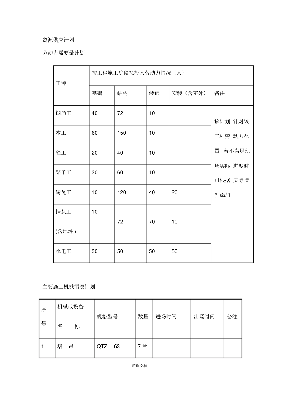
. 精选文档资源供应计划劳动力需要量计划工种按工程施工阶段拟投入劳动力情况(人)基础结构装饰安装(含室外)备注钢筋工407210该计划 针对该工程劳 动力配置。若不满足现场实际 进度时可根据 实际情况添加木工6015010砼工204010架子工306010砖瓦工101204020抹灰工(含地坪 )10727010水电工30505050主要施工机械需要计划序号机械或设备名称规格型号数量进场时间出场时间备注1塔吊QTZ — 637 台. 精选文档2抽水泵KQDL80/2020 台3混凝土输送泵40泵3 辆4钢筋切断机QJ4006 台5钢筋弯曲机WJ406 台6套丝机TS/1006 台7木工压刨机MB3046 台8木工圆盘锯MB646 台9木工平刨机MB504B6 台10交流电焊机BX 3-3006 台11插入式振捣器30 台12电台钻TQ36 台13空压机FG0750 台14钢筋调直机6 台15砂浆搅拌机3506 台16施工电梯SC200/200 6 台17高压水泵TFS376/110-G6 台. 精选文档本工程试验和检测仪器设备表序号仪器名称单位数量用途及说明1全站仪台6施工定位放线用2J2激光经纬仪台6结构楼层轴线测放3DS3 水平仪台6楼层标高定位用4激光铅垂仪台6楼层轴线控制点竖向投递550m 钢尺把10施工定位放线用65m 钢卷尺把30施工放线及质量检查用7无线对讲机对6指挥用(其中 2 对备用)8电脑台20技术、施工管理9打印机台3打印工程资料及各类文件10摄像机部1录制施工过程资料11数码照相机部1收集图片资料12兆欧表 ZC-3只2绝缘测试13地阻仪 ZC-8只2地板测试14万用表只2电气设备维修. 精选文档15检查尺套4现场质量检查16砼试模组30制作砼抗压试件17砂浆试模组8制作砌体砂浆抗压试件

1、当您付费下载文档后,您只拥有了使用权限,并不意味着购买了版权,文档只能用于自身使用,不得用于其他商业用途(如 [转卖]进行直接盈利或[编辑后售卖]进行间接盈利)。
2、本站所有内容均由合作方或网友上传,本站不对文档的完整性、权威性及其观点立场正确性做任何保证或承诺!文档内容仅供研究参考,付费前请自行鉴别。
3、如文档内容存在违规,或者侵犯商业秘密、侵犯著作权等,请点击“违规举报”。

碎片内容

建筑工程资源供应计划表

确认删除?
VIP
微信客服
  • 扫码咨询
会员Q群
  • 会员专属群点击这里加入QQ群
客服邮箱
回到顶部