电脑桌面
添加小米粒文库到电脑桌面
安装后可以在桌面快捷访问

建筑桩基工程施工记录表VIP免费

建筑桩基工程施工记录表_第1页
1/25
建筑桩基工程施工记录表_第2页
2/25
建筑桩基工程施工记录表_第3页
3/25
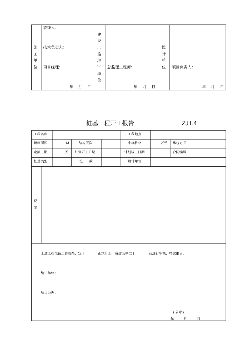
桩基工程概况 ZJ1.1建设单位项目负责人工程名称工程地址监理单位资质等级总监理工程师联系电话设计单位资质等级项目负责人联系电话桩基施工单位资质等级项目经理人联系电话单位地址质量检查员开工日期竣工日期桩基类型桩数桩径桩长桩基标价验收日期工程测量、定位放线记录 ZJ1.2 建设单位苏州苏信特钢有限公司设计单位江苏省冶金设计院有限公司工程名称50T AOD配套项目连铸机桩基工程图纸依据引进水准点位置车间地坪水准高度± 0.00 单位工程± 0.00 检查意见:施工单位放线人:技术负责人:项目经理:年月日建设︵监理︶单位总监理工程师:年月日设计单位项目负责人:年月日桩基工程开工报告 ZJ1.4工程名称工程地点建筑面积M2结构层次中标价格万元承包方式定额工期天计划开工日期计划竣工日期合同编号桩基类型桩数设计单位说明上述工程准备工作就绪,定于正式开工,希建设单位于前进行审核,特此报告。施工单位:项目经理:( 公章 ) 年月日审核意见:总监理工程师(建设单位项目负责人):(公章)年月日桩基工程竣工报告 ZJ1.5 建设单位:工程名称工程地点建筑面积结构层次中标价格万元承包方式双包定额工期开工日期竣工日期合同编号桩基类型桩数设计单位说明上述工程已施工完毕, 定于年月日进行竣工验收, 项呈上有关资料, 请于年月日前审核,特此报告。施工单位:江苏地基工程总公司项目经理:( 公章 ) 年月日审核意见:总监理工程师(建设单位项目负责人):(公章)年月日泥浆护壁成孔灌注桩施工验收记录 ZJ2.7 工程名称:序号施工日期桩位编号护壁泥浆性能泥浆护壁成孔深度成孔速度成孔垂直度孔底500cm内泥浆性能沉渣厚度备注埋深中心与桩中心偏差筒径监理工程师(建设单位项目负责人):质检员:钢筋笼制作安放施工验收记录 ZJ2.9 工程名称:验收日期:序号施工日期桩位编号主筋规格数量箍筋规格间距钢筋笼直径(cm)钢筋笼搭接长度偏差焊接质量备注监理工程师(建设单位项目负责人) :质检员:灌注桩水下混凝土施工记录 ZJ2.10 工程名称:导管类型:水泥强度等级:场地地坪标高:砼坍落度:砼强度等级:序号施工日期桩位编号设计桩长导管距孔底距离( m)设计砼量(m3)实际砼量(m3)砼灌注充盈系数浇注时间(min)堵管、导管进水或拔空位置备注监理工程师(建设单位项目负责人):质检员:钢材合格证、复试报告汇总表 ZJ2.11 序号钢材名称规格品种生产厂家进场数量合格证编号复试报告编号报告日期主要...

1、当您付费下载文档后,您只拥有了使用权限,并不意味着购买了版权,文档只能用于自身使用,不得用于其他商业用途(如 [转卖]进行直接盈利或[编辑后售卖]进行间接盈利)。
2、本站所有内容均由合作方或网友上传,本站不对文档的完整性、权威性及其观点立场正确性做任何保证或承诺!文档内容仅供研究参考,付费前请自行鉴别。
3、如文档内容存在违规,或者侵犯商业秘密、侵犯著作权等,请点击“违规举报”。

碎片内容

建筑桩基工程施工记录表

您可能关注的文档

确认删除?
VIP
微信客服
  • 扫码咨询
会员Q群
  • 会员专属群点击这里加入QQ群
客服邮箱
回到顶部