电脑桌面
添加小米粒文库到电脑桌面
安装后可以在桌面快捷访问

建筑结构几种等级、类别的划分VIP专享VIP免费

建筑结构几种等级、类别的划分_第1页
1/19
建筑结构几种等级、类别的划分_第2页
2/19
建筑结构几种等级、类别的划分_第3页
3/19
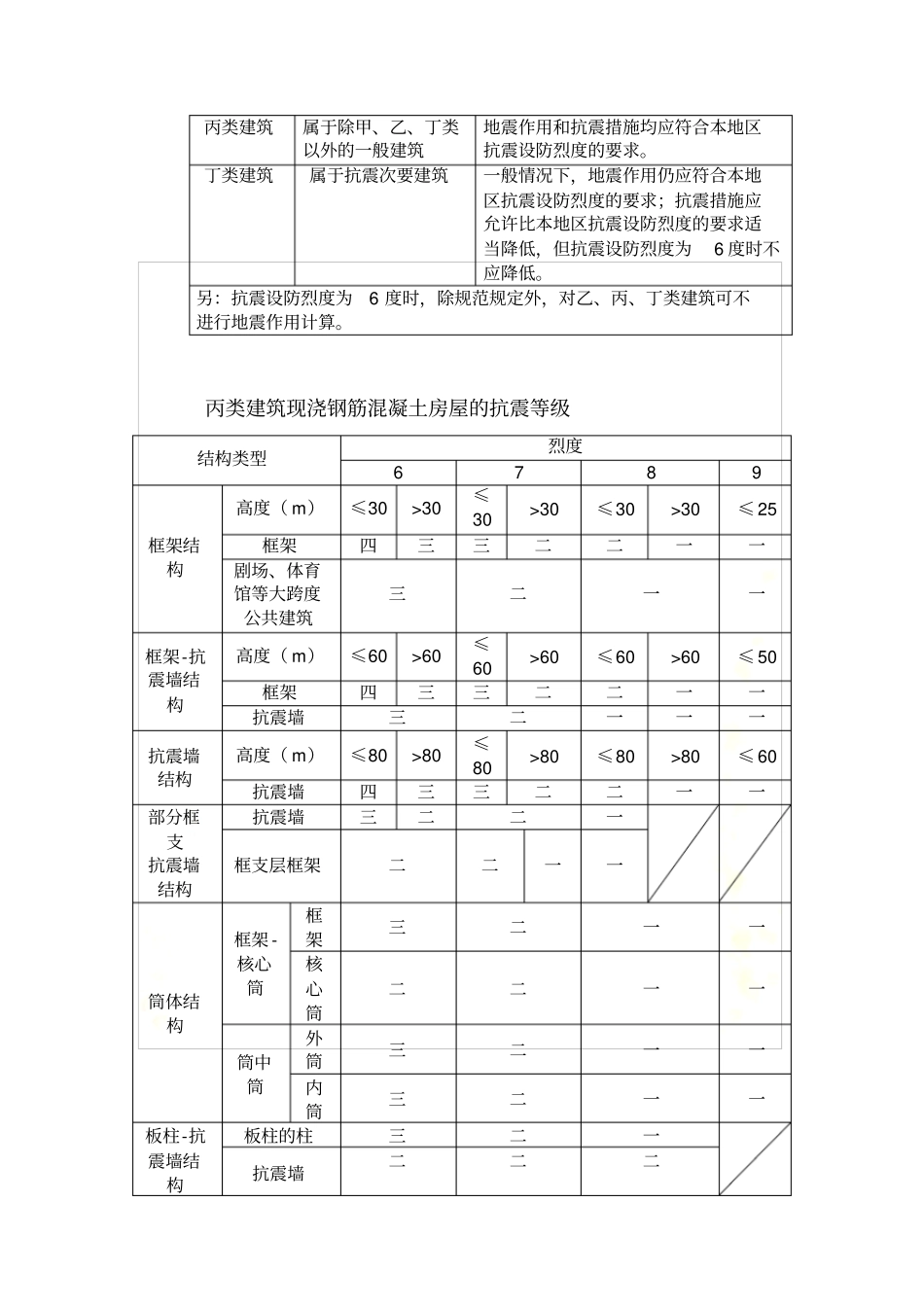
建筑结构几种等级、 类别的划分建筑结构几种等级、类别的划分各规范对建筑结构类别、等级的划分是不同的,其相互之间是有关系的也是有区别的,如不注意很容易混淆。《建筑结构可靠度设计统一标准》 (GB50068-2001)对建筑结构安全等级和设计使用年限的分类建筑结构安全等级安全等级破坏后果建筑物类型一级很严重重要的房屋二级严重一般的房屋三级不严重次要的房屋设计使用年限的分类类别设计使用年限示例15临时性的结构225易于替换的结构构件350普通房屋和构筑物4100纪念性建筑和特别重要的建筑结构《建筑抗震设计规范》 (GB50011-2001) 抗震设防分类和抗震设防标准类别内容设防标准甲类建筑属于重大建筑工程和地震时可能发生严重次生灾害地震作用应高于本地区抗震设防烈度的要求,其值应按批准的地震安全性评价结果确定;抗震措施,当抗震设防烈度为 6-8 度时,应符合本地区抗震设防烈度提高一度的要求,当为9度时,应符合比9 度抗震设防更高的要求。乙类建筑属于地震时使用功能不能中断惑需尽快恢复的建筑地震作用应符合本地区抗震设防烈度的要求;抗震措施,一般情况下,当抗震设防烈度为6-8 度时,应符合本地区抗震设防烈度提高一度的要求,当为 9 度时,应符合比9 度抗震设防更高的要求;地基基础的抗震措施,应符合有关规定。对较小的乙类建筑,当其结构改用抗震性能较好的结构类型时,应允许仍按本地区抗震设防烈度的要求采取抗震措施。丙类建筑属于除甲、乙、丁类以外的一般建筑地震作用和抗震措施均应符合本地区抗震设防烈度的要求。丁类建筑属于抗震次要建筑一般情况下,地震作用仍应符合本地区抗震设防烈度的要求;抗震措施应允许比本地区抗震设防烈度的要求适当降低,但抗震设防烈度为6 度时不应降低。另:抗震设防烈度为6 度时,除规范规定外,对乙、丙、丁类建筑可不进行地震作用计算。丙类建筑现浇钢筋混凝土房屋的抗震等级结构类型烈度6789框架结构高度( m)≤30 >30≤30 >30≤30 >30≤ 25 框架四三三二二一一剧场、体育馆等大跨度公共建筑三二一一框架-抗震墙结构高度( m)≤60 >60≤60 >60≤60 >60≤ 50 框架四三三二二一一抗震墙三二一一一抗震墙结构高度( m)≤80 >80≤80 >80≤80 >80≤ 60 抗震墙四三三二二一一部分框支抗震墙结构抗震墙三二二一框支层框架二二一一筒体结构框架 -核心筒框架三二一一核心筒二二一一筒中筒外筒三二一一内筒三二一一板柱-抗震墙结构板柱的柱三二一抗震墙二二...

1、当您付费下载文档后,您只拥有了使用权限,并不意味着购买了版权,文档只能用于自身使用,不得用于其他商业用途(如 [转卖]进行直接盈利或[编辑后售卖]进行间接盈利)。
2、本站所有内容均由合作方或网友上传,本站不对文档的完整性、权威性及其观点立场正确性做任何保证或承诺!文档内容仅供研究参考,付费前请自行鉴别。
3、如文档内容存在违规,或者侵犯商业秘密、侵犯著作权等,请点击“违规举报”。

碎片内容

建筑结构几种等级、类别的划分

文库响当当+ 关注
实名认证
内容提供者

该用户很懒,什么也没介绍

确认删除?
VIP
微信客服
  • 扫码咨询
会员Q群
  • 会员专属群点击这里加入QQ群
客服邮箱
回到顶部