电脑桌面
添加小米粒文库到电脑桌面
安装后可以在桌面快捷访问

建筑钢结构防火涂料施工记录表VIP免费

建筑钢结构防火涂料施工记录表_第1页
1/11
建筑钢结构防火涂料施工记录表_第2页
2/11
建筑钢结构防火涂料施工记录表_第3页
3/11
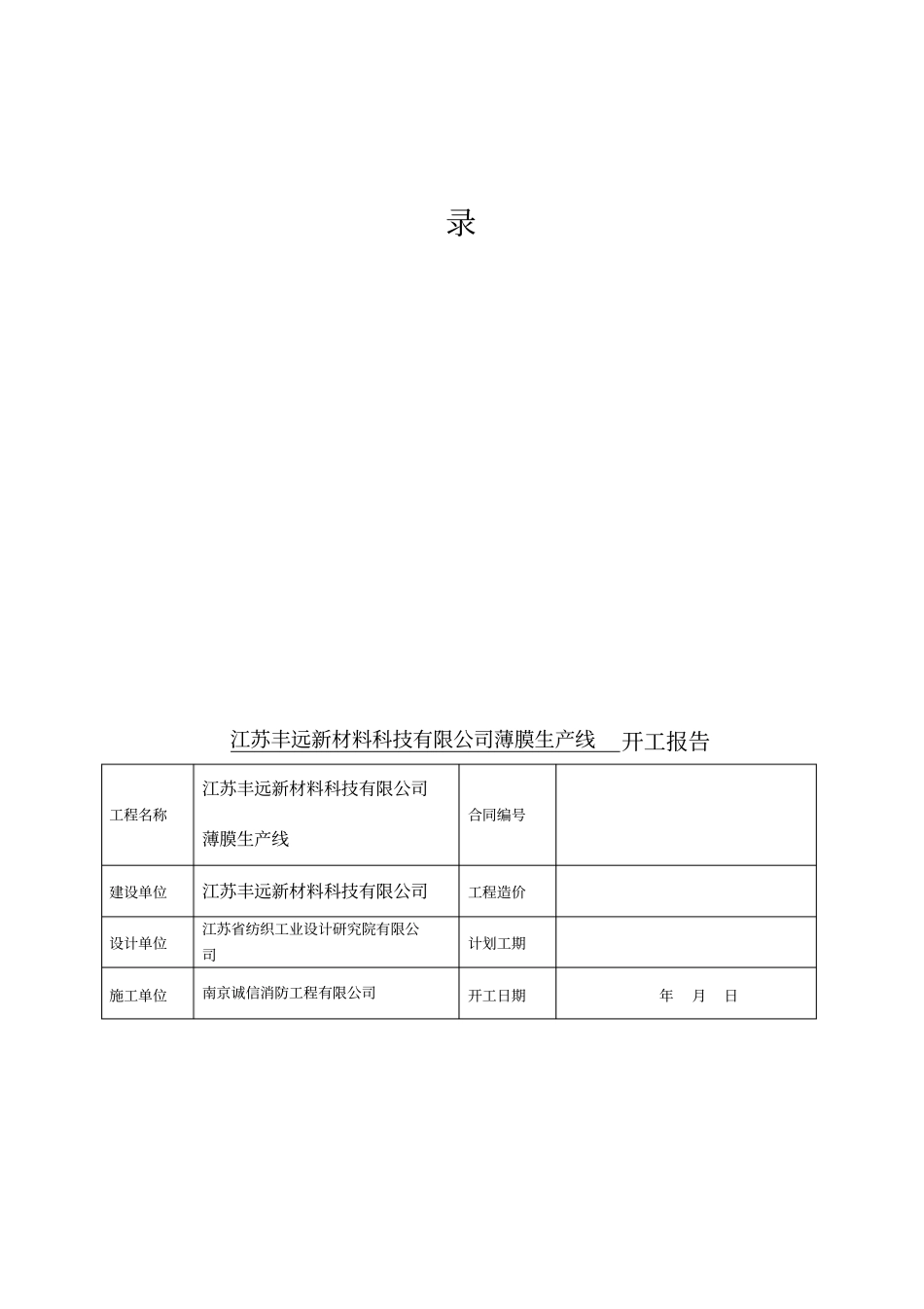
建 筑 钢 结 构 防 火 涂 料施工安装质量记录江苏丰远新材料科技有限公司薄膜生产线开工报告工程名称江苏丰远新材料科技有限公司薄膜生产线合同编号建设单位江苏丰远新材料科技有限公司工程造价设计单位江苏省纺织工业设计研究院有限公司计划工期施工单位南京诚信消防工程有限公司开工日期年月日工程内容负责该项目的消防系统(火灾自动报警系统、水喷淋系统、消火栓系统、防火涂料系统和防火隔断系统)施工安装调试,并协助建设方通过消防部门检测和验收。序号工 程 开 工 条 件实 际 情 况1 施工图会审、技术交底情况已交底2 施工组织设计(方案)批准交底情况已批准3 施工图预算编制情况已编制4 物资供应、设备材料落实情况已落实5 三通一平、土建条件情况已具备6 施工机械设备落实情况已落实7 劳动力落实情况已落实8 安全技术措施落实情况已落实9 备注建设 (监理 )单位:(章)施工单位:(章)代表:年月日代表:年月日第册第页建筑钢结构防火涂料施工记录表建设单位名称江苏丰远新材料科技有限公司地址工程项目名称江苏丰远新材料科技有限公司薄膜生产线工程建筑的耐火极限□一级□二级□二级□四级构件耐火极限钢柱钢梁钢楼板屋顶承重构件其他构件的耐火极限二级二级二级二级涂层厚度 (mm) 25 25 25 25 耐火时间( n ) 2.5 2 1.5 1.5 防火涂料的产品型号及名称室内厚型钢结构防火涂料 NH(SJ-1) 检测报告编号201430183 2015081809000504 防火涂料总用量( kg ) 1120 此批防火涂料符合国家标准,均为合格产品。防火涂料进场时间防火涂料进场验收意见施工单位盖章监理单位盖章建设单位盖章建筑钢结构防火涂料施工记录表施工单位名 称南京诚信消防工程有限公司资 质等 级壹级钢结构防火涂料施工及检测记录构 件次数编号第一遍厚度(mm)平均厚度(mm) 钢柱钢梁001 6 钢楼板001 6 屋顶承重构件001 6 其他防火涂料厚度检测结论(合格 / 不合格)合格检测人员签字施工单位盖章签字项目经理或现场负责人签字监理意见(合格 / 不合格)监理单位盖章签字建设单位意见 (合格/ 不合格)建设单位盖章签字建筑钢结构防火涂料施工记录表施工单位名 称南京诚信消防工程有限公司资 质等 级壹级钢结构防火涂料施工及检测记录构 件次数编号第二遍厚度(mm)平均厚度(mm) 钢柱钢梁002 6 钢楼板002 6 屋顶承重构件002 6 其他防火涂料厚度检测结论(合格 / 不合格)合格检测人员签字...

1、当您付费下载文档后,您只拥有了使用权限,并不意味着购买了版权,文档只能用于自身使用,不得用于其他商业用途(如 [转卖]进行直接盈利或[编辑后售卖]进行间接盈利)。
2、本站所有内容均由合作方或网友上传,本站不对文档的完整性、权威性及其观点立场正确性做任何保证或承诺!文档内容仅供研究参考,付费前请自行鉴别。
3、如文档内容存在违规,或者侵犯商业秘密、侵犯著作权等,请点击“违规举报”。

碎片内容

建筑钢结构防火涂料施工记录表

确认删除?
VIP
微信客服
  • 扫码咨询
会员Q群
  • 会员专属群点击这里加入QQ群
客服邮箱
回到顶部