电脑桌面
添加小米粒文库到电脑桌面
安装后可以在桌面快捷访问

建设工程施工现场安全管理内业标准DB2JT138-2015VIP免费

建设工程施工现场安全管理内业标准DB2JT138-2015_第1页
1/46
建设工程施工现场安全管理内业标准DB2JT138-2015_第2页
2/46
建设工程施工现场安全管理内业标准DB2JT138-2015_第3页
3/46
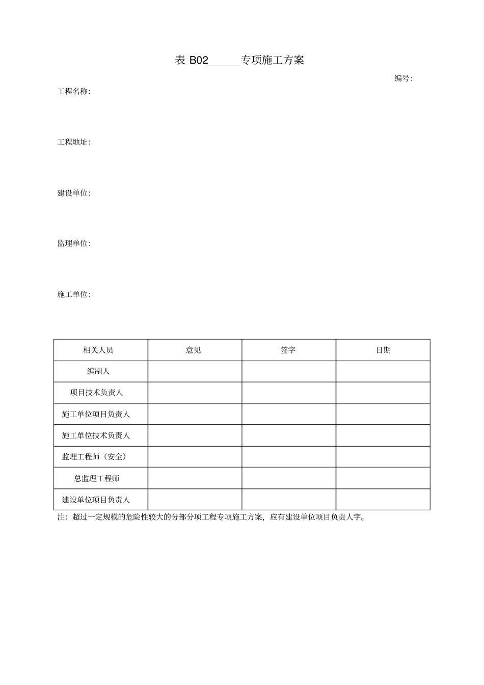
表 B01工程概况编号: 001 工程名称希望· 依山郡工程地址北为西山街,南为理想路,东侧为吉林市环境卫生管理处建设单位吉林市希望房地产有限公司项目负责人姓名尉来电话施工单位吉林市通陆建筑工程有限公司项目负责人姓名金荣林证书编号苏 232071330520 监理单位吉林市建铭建筑工程监理有限责任公司总监理工程师姓名胡勇证书编号吉林市建铭建筑工程监理有限责任公司安全监理姓名胡勇证书编号吉建安 D(2013)0000034 勘察单位吉林省吉林轻工业设计院有限公司项目负责人姓名逄金海证书编号设计单位吉林绿地兴合建筑设计有限公司项目负责人姓名李佳彬证书编号建设安全监管部门吉林市建设工程安全监督站电话建筑面积(㎡)57300 结构剪力墙层数地上11~17 地下1 计划开工日期2015 年 5 月 12 日计划竣工日期2017 年 7 月 30 日施工许可证编号安全生产许可证号0600021-9 现场管理人员技术负责人姓名陈小兰施工员姓名徐忠杰证书编号NO:090910 证书编号S2013100644 安全员姓名陆德泉技术员姓名顾江杰证书编号苏建安 C(2010)0640330 证书编号S2013100641 姓名高建兵质检员姓名宗建兵证书编号苏建安 C(2011)0641165 证书编号S2013100646 姓名张建平设备员姓名证书编号苏建安 C(2011)0640117 姓名材料员姓名郭浩然救护员姓名证书编号100100 姓名表 B02 专项施工方案编号:工程名称:工程地址:建设单位:监理单位:施工单位:相关人员意见签字日期编制人项目技术负责人施工单位项目负责人施工单位技术负责人监理工程师(安全)总监理工程师建设单位项目负责人注:超过一定规模的危险性较大的分部分项工程专项施工方案,应有建设单位项目负责人字。表 B03 专项施工方案会签表编号:工程名称施工单位生产计划部门:负责人(签字)年月日施工单位技术(质量)部门:负责人(签字)年月日施工单位安全部门:负责人(签字)年月日施工单位设备部门:负责人(签字)年月日施工单位材料部门:负责人(签字)年月日表 B04超过一定规模的危险性较大的分部分项工程专家论证报告编号:工程名称总承包单位项目负责人分包单位项目负责人分部分项工程名称专家论证意见(可另加附页):结论性意见:□通过;□修改后通过;□不通过组长(签字):年月日专家一览表姓名性别年龄工作单位职称专业签字总承包单位(盖章)年月日表 B05安全技术交底总目录编号:工程名称施工单位序号安全技术交底名称(部位)交底人交底日期接受交...

1、当您付费下载文档后,您只拥有了使用权限,并不意味着购买了版权,文档只能用于自身使用,不得用于其他商业用途(如 [转卖]进行直接盈利或[编辑后售卖]进行间接盈利)。
2、本站所有内容均由合作方或网友上传,本站不对文档的完整性、权威性及其观点立场正确性做任何保证或承诺!文档内容仅供研究参考,付费前请自行鉴别。
3、如文档内容存在违规,或者侵犯商业秘密、侵犯著作权等,请点击“违规举报”。

碎片内容

建设工程施工现场安全管理内业标准DB2JT138-2015

您可能关注的文档

确认删除?
VIP
微信客服
  • 扫码咨询
会员Q群
  • 会员专属群点击这里加入QQ群
客服邮箱
回到顶部