电脑桌面
添加小米粒文库到电脑桌面
安装后可以在桌面快捷访问

建设工程质量检测合同VIP免费

建设工程质量检测合同_第1页
1/4
建设工程质量检测合同_第2页
2/4
建设工程质量检测合同_第3页
3/4
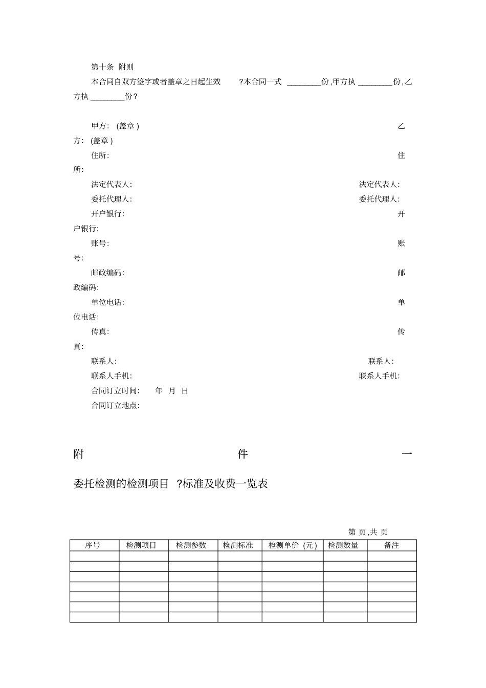
建设工程质量检测合同合同编号:甲方 (委托人 ):乙方 (检测机构 ):检测机构编号:根据《中华人民共和国合同法》?《建筑工程资料管理规程》?《北京市建设工程质量检测管理规定》等法律法规的规定,遵循平等 ?自愿 ?公平和诚实守信的原则,甲乙双方就本建设工程检测事宜协商一致,签订本合同 ?第一条 工程概况1.1 工程名称:1.2 工程地点:1.3 结构类型:1.4 监督单位:1.5 开工日期:竣工日期:1.6 其他:第二条 检测项目甲方委托乙方的检测项目:□ 见证取样检测□主体结构工程检测□地基基础工程检测□ 钢结构工程检测□建筑幕墙工程检测□室内环境检测□ 其他:具体的检测项目?数量及检测参数见附件一?第三条 检测依据检测依据为现行有效的国家?行业及北京市相关标准?第四条 检测费用的结算方式本合同收费标准执行北京市物价局京价(收)字[2002]181 号文件规定的收费标准及《北京建设工程质量检测收费标准指导价(试行 )》[见附件二 (略 )],以上标准之外的检测项目收费标准委托双方可商议定价?4.1 双方同意按照实际发生检测项目及数量计算总检测费?4.2 检测费按每月进行结算,并由乙方提供检测费结算单,甲方需在接到结算清单15 日内支付检测费 ?逾期支付费用的,每日按支付费用的______% 向乙方支付滞纳金?4.3 本工程的检测费末次结算通知发出后,甲方需在 90 天内办理最终检测费的结算,逾期支付 ,则向乙方每日支付检测费的0.5%作为滞纳金 ?4.4 甲方对检测项目及费用有异议的,应及时与乙方进行协商,但不得以各种原因拖欠检测费用 ?4.5 甲乙双方签订好合同后,甲方应给乙方预付款?4.6 其他付款方式:________________________________________________________ ?^m 第五条 甲方的权利义务5.1 甲方须向乙方提供委托检测的工程概况,并制定该工程的试验计划?5.2 甲方应对样品的真实性?代表性负责 ,同时详细填写检测委托单?5.3 委托检测前 ,甲方应将甲方代表?见证单位和见证人员以书面形式通知乙方?上述人员发生变更时 ,甲方应及时书面告知乙方?5.4 委托“见证”检测前,甲方必须提供“见证取样和送检见证人告知书”,送“见证”检测样品时附“见证记录”?5.5 现场检测项目 ,甲方应提前 ________日将现场检测日期通知乙方?并提供必要的外部工作条件 ?需要时见证人员应到场进行见证?5.6 甲方不得以任何方式要求乙方修改检测数据出具虚假检测报告?5.7 双方签订本合同后,当工程概况中所列信息以及委托的检...

1、当您付费下载文档后,您只拥有了使用权限,并不意味着购买了版权,文档只能用于自身使用,不得用于其他商业用途(如 [转卖]进行直接盈利或[编辑后售卖]进行间接盈利)。
2、本站所有内容均由合作方或网友上传,本站不对文档的完整性、权威性及其观点立场正确性做任何保证或承诺!文档内容仅供研究参考,付费前请自行鉴别。
3、如文档内容存在违规,或者侵犯商业秘密、侵犯著作权等,请点击“违规举报”。

碎片内容

建设工程质量检测合同

您可能关注的文档

确认删除?
VIP
微信客服
  • 扫码咨询
会员Q群
  • 会员专属群点击这里加入QQ群
客服邮箱
回到顶部