电脑桌面
添加小米粒文库到电脑桌面
安装后可以在桌面快捷访问

建设资金已经落实承诺书样本VIP免费

建设资金已经落实承诺书样本_第1页
1/6
建设资金已经落实承诺书样本_第2页
2/6
建设资金已经落实承诺书样本_第3页
3/6
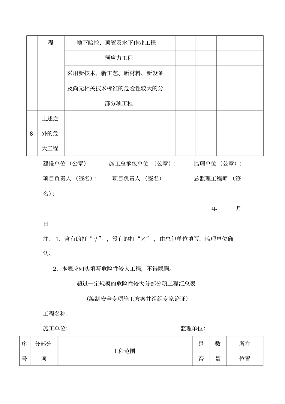
建设资金已经落实承诺书(样本)建设单位现对项目(施工中标通知书中项目名称)在建设过程中作如下承诺:建设资金已经落实,为万元。我在此所作的承诺真实有效。如不履行承诺, 本企业愿接受住房城乡建设主管部门及其他部门依据有关法律法规等给予的行政处罚及处理。建设单位(公章) :法定代表人(签章) :日期:年月日危险性较大分部分项工程汇总表(编制安全专项施工方案)工程名称:施工单位:监理单位:序号分部分项工程范围是否含有数量所在位置1基坑支护与降水工程开挖深度超过3m(含 3m)或虽未超过3m,但地质条件和周围环境复杂的基坑(槽)支护、降水工程2土方开挖工程开挖深度超过3m(含 3m)的基坑(槽)的土方开挖工程3模板工各类工具式模板工程:包括大模板、滑程及支撑体系模、爬模、飞模等工程混凝土模板支撑工程: 搭设高度 5m及以上;搭设跨度10m及以上;施工总荷载10kN/㎡及以上;集中线荷载 5kN/m及以上,高度大于支撑水平投影宽度且相对独立无联系构件的混凝土模板支撑工程4起重吊装及安装拆卸工程采用非常规起重设备、方法,且单件起吊重量在 10kN及以上的起重吊装工程采用起重机械进行安装的工程起重机械设备自身的安装、拆卸5脚手架工程搭设高度 24m及以上的落地式钢管脚手架工程附着式整体和分片提升脚手架工程悬挑式脚手架工程吊篮脚手架工程自制卸料平台、移动操作平台工程新型及异型脚手架工程6拆除、爆破工程建筑物、构筑物拆除工程采用爆破拆除的工程7其它危险性较大的工建筑幕墙安装工程钢结构、网架和索膜结构安装工程人工挖孔桩工程程地下暗挖、顶管及水下作业工程预应力工程采用新技术、新工艺、新材料、新设备及尚无相关技术标准的危险性较大的分部分项工程8上述之外的危大工程建设单位 (公章):施工总承包单位 (公章):监理单位(公章):项目负责人 (签名):项目负责人 (签名):总监理工程师 (签名):年月日注: 1、含有的打“√” ,没有的打“×” ,由总包单位填写,监理单位确认。2、本表应如实填写危险性较大工程,不得隐瞒。超过一定规模的危险性较大分部分项工程汇总表(编制安全专项施工方案并组织专家论证)工程名称:施工单位:监理单位:序号分部分项工程范围是否数量所在位置含有1深基坑工程开挖深度超过5m(含 5m)的基坑(槽)的土方开挖、支护、降水工程开挖深度不超过5m,但地质条件、 周围环境和地下管线复杂,或影响毗邻建筑(构筑)物安全的基坑(槽)的...

1、当您付费下载文档后,您只拥有了使用权限,并不意味着购买了版权,文档只能用于自身使用,不得用于其他商业用途(如 [转卖]进行直接盈利或[编辑后售卖]进行间接盈利)。
2、本站所有内容均由合作方或网友上传,本站不对文档的完整性、权威性及其观点立场正确性做任何保证或承诺!文档内容仅供研究参考,付费前请自行鉴别。
3、如文档内容存在违规,或者侵犯商业秘密、侵犯著作权等,请点击“违规举报”。

碎片内容

建设资金已经落实承诺书样本

您可能关注的文档

确认删除?
VIP
微信客服
  • 扫码咨询
会员Q群
  • 会员专属群点击这里加入QQ群
客服邮箱
回到顶部