电脑桌面
添加小米粒文库到电脑桌面
安装后可以在桌面快捷访问

6-2公司设施及设备策划程序09VIP专享VIP免费

6-2公司设施及设备策划程序09_第1页
1/5
6-2公司设施及设备策划程序09_第2页
2/5
6-2公司设施及设备策划程序09_第3页
3/5
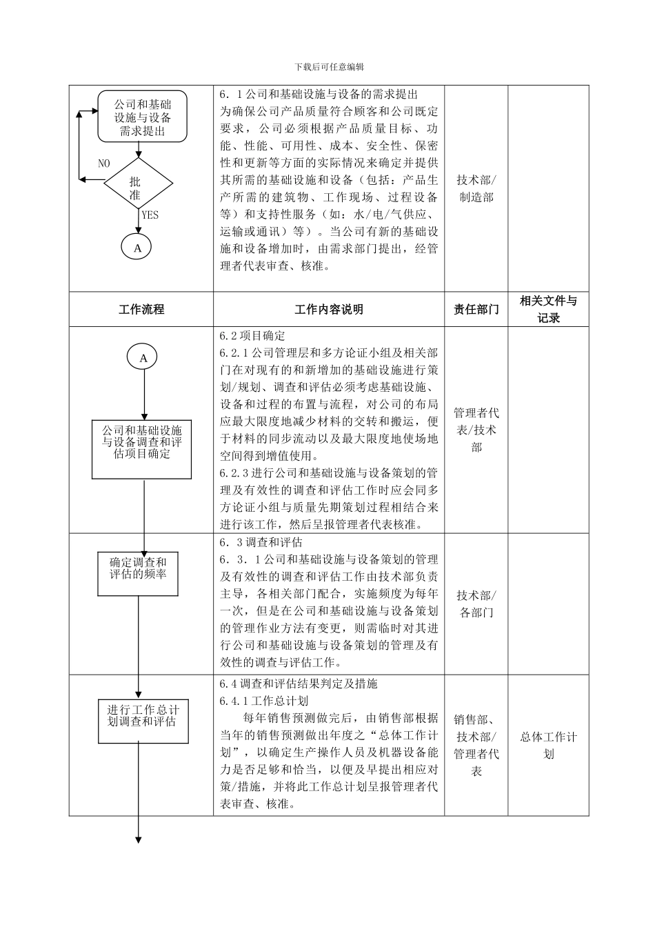
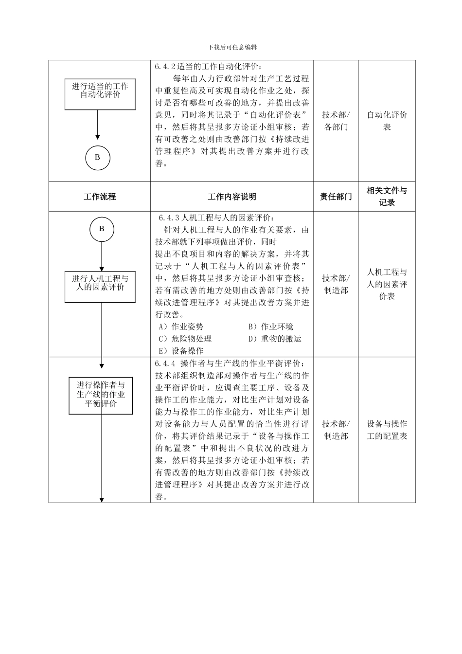
公司设施及设备策划程序1. 目的确定公司在制造/生产过程中对现有操作和过程效果的评价方法,使公司的布局最大限度地减少材料的交转和搬运,便于材料的同步流动以及最大限度地使场地空间得到增值使用,以达到持续改进和不断提高制造过程能力之目的。2. 范围本程序适用于新产品/过程或修改过的产品/过程或环境发生变更的原有产品/过程。3. 引用文件Q/AQ P 7.8-2024 《设备管理程序》Q/AQ P 7.9-2024 《工装管理程序》Q/AQ P 7.1-2024 《新产品开发控制程序》Q/AQ P 8.7-2024 《持续改进管理程序》4. 术语和定义 多方论证小组:由多个部门组成的就某具体工作进行论证和评价的组织,一般由技术部、品质部 、制造部、销售部、采购部、财务部、人力行政部等组成。本程序由技术部牵头。5. 职责5.1 技术部负责设施、设备和过程策划有效性的调查和评估工作之执行。5.2 多方论证小组负责设施、设备和过程策划有效性调查和评估之相关资料的评审。5.3 管理者代表负责设施、设备和过程策划有效性调查和评估之相关资料的核准。6.工作流程和内容工作流程工作内容说明责任部门相关文件与记录下载后可任意编辑NO YES6.1 公司和基础设施与设备的需求提出为确保公司产品质量符合顾客和公司既定要求,公司必须根据产品质量目标、功能、性能、可用性、成本、安全性、保密性和更新等方面的实际情况来确定并提供其所需的基础设施和设备(包括:产品生产所需的建筑物、工作现场、过程设备等)和支持性服务(如:水/电/气供应、运输或通讯)等)。当公司有新的基础设施和设备增加时,由需求部门提出,经管理者代表审查、核准。技术部/制造部工作流程工作内容说明责任部门相关文件与记录6.2 项目确定6.2.1 公司管理层和多方论证小组及相关部门在对现有的和新增加的基础设施进行策划/规划、调查和评估必须考虑基础设施、设备和过程的布置与流程,对公司的布局应最大限度地减少材料的交转和搬运,便于材料的同步流动以及最大限度地使场地空间得到增值使用。6.2.3 进行公司和基础设施与设备策划的管理及有效性的调查和评估工作时应会同多方论证小组与质量先期策划过程相结合来进行该工作,然后呈报管理者代表核准。管理者代表/技术部6.3 调查和评估6.3.1 公司和基础设施与设备策划的管理及有效性的调查和评估工作由技术部负责主导,各相关部门配合,实施频度为每年一次,但是在公司和基础设施与设备策划的管理作业方法有变更,则需临时...

1、当您付费下载文档后,您只拥有了使用权限,并不意味着购买了版权,文档只能用于自身使用,不得用于其他商业用途(如 [转卖]进行直接盈利或[编辑后售卖]进行间接盈利)。
2、本站所有内容均由合作方或网友上传,本站不对文档的完整性、权威性及其观点立场正确性做任何保证或承诺!文档内容仅供研究参考,付费前请自行鉴别。
3、如文档内容存在违规,或者侵犯商业秘密、侵犯著作权等,请点击“违规举报”。

碎片内容

6-2公司设施及设备策划程序09

确认删除?
VIP
微信客服
  • 扫码咨询
会员Q群
  • 会员专属群点击这里加入QQ群
客服邮箱
回到顶部