电脑桌面
添加小米粒文库到电脑桌面
安装后可以在桌面快捷访问

EPS外墙外保温系统饰面施工方案VIP专享VIP免费

EPS外墙外保温系统饰面施工方案_第1页
1/10
EPS外墙外保温系统饰面施工方案_第2页
2/10
EPS外墙外保温系统饰面施工方案_第3页
3/10
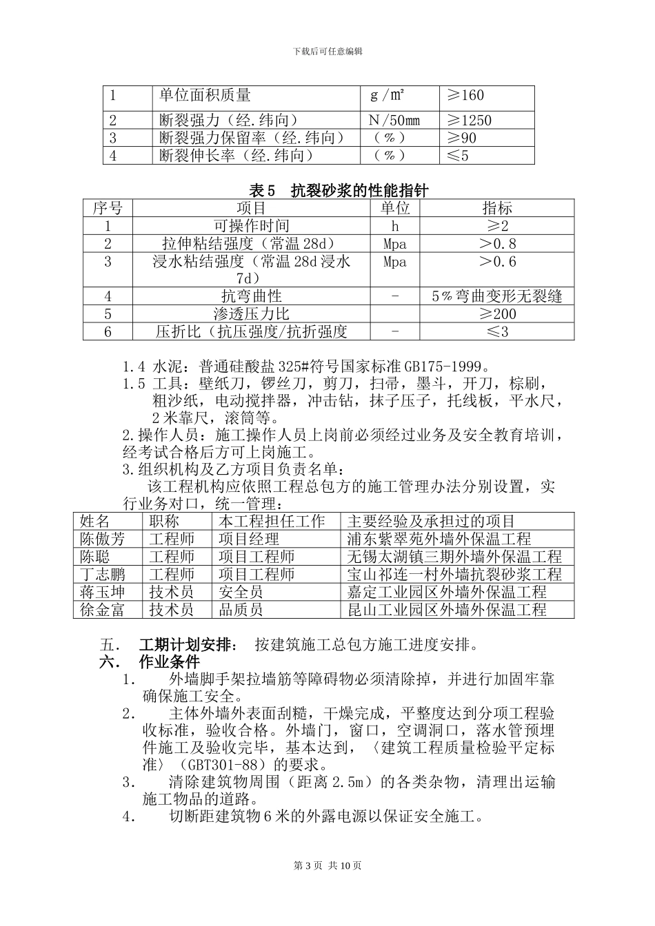
下载后可任意编辑目 录XPS 外墙外保温系统施工方案一. 工程概况1.工程名称 顾村镇大家园管理服务用房项目 2.工程地点 宝安公路 3.结构形式 框架三层 4.楼层高度 十米左右 5.保温面积 1000 平方左右 6.工程条件:屋面防水层与结构工程分别施工及验收完毕。外墙表面刮糙,干燥完成,平整度达到分项工程验收标准;门窗空调管道等开孔,预埋件安装完毕。本工程外墙饰面层采纳大理石钢挂式,安装龙骨、钻孔、组装焊接及清理全部过程操作完毕验收后,再保温工程施工。二. 编制依据依据施工图纸设计要求〈外墙外保温建筑构造〉02J121—1;第 1 页 共 10 页序号项 目页 数1工程概况22编制依据23施工部署24系统材料的技术要求及人员准备2-65工期计划安排6-76作业条件7-127外墙外保温施工工艺流程7-128质量验收标准12-139成品保护及注意问题13-1410验收程序1411安全措施与文明施工14-1512环境保护措施15下载后可任意编辑上海市工程建设法律规范〈住宅建筑节能工程施工质量验收规程〉,DGJ08—113—2024J10598—2024 等相关条款。三. 施工部署保温层实行由下至上平行排布方式粘贴;防护层由下至上平行排布施工;采纳点框粘贴法;饰面层按标准施工。四. 系统材料的技术要求及人员准备1.材料:保温系统材料采纳 B1 级防火聚苯板,规格为3.5cm,规格应符合设计要求,采纳上海春隆节能装饰材料有限公司生产的粘结砂浆和罩面砂浆。网格布采纳 160 克标准耐碱网格布1.1 XPS 板保温粘接剂:符合《膨胀聚苯板薄抹灰外墙保温系统》(JG149-2024)标准要求。表 1序号测试项目状态性能指针检测结果1拉伸粘结/MP a(与水泥砂浆)原强度≧0.60≧0.77耐水≧0.40≧0.572拉伸粘接强度/MP a(与 XPS 板)原强度≧0.01≧0.12耐水≧0.01≧0.123可操作时间/h/1.5~4.031.2 XPS 聚苯乙烯泡沫塑料板:&50㎜,符号《绝热用聚苯乙烯泡沫塑料》GB/T10801。1-2024 标准。表 2序号测试项目性能指针1压缩强度(KP@)≥1002表观密度(㎏/M3)≥203导热系数 25℃@90 天(W/M.K)≤0.0414尺寸稳定性(﹪)≤1.55体积吸水率(﹪)≤1.06燃烧性能(B2 级)阻燃型1.3 耐碱网格布:符号《膨胀聚苯板簿抹灰外墙外保温系统》(JG149-2024)标准要求。其它技术见表 3,4,5,6.表 3 耐碱网格布的要求指标型能序号项目单位性能指针第 2 页 共 10 页下载后可任意编辑1单位面积质量g/㎡≥1602断裂强力(经.纬向)N/50㎜≥12503...

1、当您付费下载文档后,您只拥有了使用权限,并不意味着购买了版权,文档只能用于自身使用,不得用于其他商业用途(如 [转卖]进行直接盈利或[编辑后售卖]进行间接盈利)。
2、本站所有内容均由合作方或网友上传,本站不对文档的完整性、权威性及其观点立场正确性做任何保证或承诺!文档内容仅供研究参考,付费前请自行鉴别。
3、如文档内容存在违规,或者侵犯商业秘密、侵犯著作权等,请点击“违规举报”。

碎片内容

EPS外墙外保温系统饰面施工方案

确认删除?
VIP
微信客服
  • 扫码咨询
会员Q群
  • 会员专属群点击这里加入QQ群
客服邮箱
回到顶部