电脑桌面
添加小米粒文库到电脑桌面
安装后可以在桌面快捷访问

mogong绩效考核方案v2.0VIP免费

mogong绩效考核方案v2.0_第1页
1/5
mogong绩效考核方案v2.0_第2页
2/5
mogong绩效考核方案v2.0_第3页
3/5
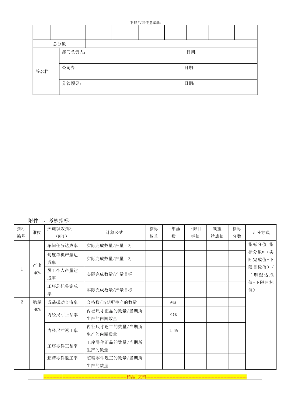
下载后可任意编辑台州耀江轴承有限公司磨工调试工绩效管理方案一、 目的:通过绩效管理方案的实施,提高员工积极性,持续不断的提升磨工车间的生产效率。二、 绩效管理原则:公开原则、客观性原则、反馈原则、时限性原则。三、 绩效考核适用范围:本激励方案适用于磨工车间调试工。四、 绩效考核方式:个人考核被考核对象考核人考核维度权重备注月度季度年度调试工直属主管KPI方法100%//能力素养指标///1、 月度绩效考核分数计算:绩效考核分数=∑KPI 指标得分; 2、 行为态度(能力素养指标):临时不考核。五、 绩效考核指标制定:1、岗位KPI的提取可从三个方面进行提取,从部门承担的战略指标分解得到的,依据岗位职责确定关键结果领域并进行指标衡量,从必须改善的工作弱项着手寻找衡量的指标。2、关键绩效指标一般为4-6个,最多不超过8个。3、一般情况下关键绩效考核指标及目标值保持相对稳定性。当实际运行情况与考核结果出现较大偏差时,考核人及被考核对象均可提出指标变更申请。六、考核评分表及具体考核指标:(见附件)七、 绩效考核:1、绩效考核周期结束,主管应根据被考核对象的工作绩效完成情况进行考评。2、绩效考核的内容包括考核数据采集、考核指标打分、绩效沟通、签字确认、考核汇总、考核结果发布等。3、绩效考核的时间要求如下:(1)月度考核:必须在月度结束后 3 个工作日内完成上月考核工作。4、考核主管与被考核员工就考核结果达成充分一致后,考核人在考核表上签字生效。5、公司办将考核结果汇总作为计算绩效薪酬的依据。八、绩效考核等级:1、绩效考核等级根据关键绩效考核得分情况不同分为五个等级,具体见下表。被考核对象考核等级卓越优秀良好合格需改进调试工等级代号SABCD考核分数(M)M>10099≥M>9595≥M>9090≥M>85M<85绩效系数1.31.110.90.5九、绩效工资计算方式:1、 绩效结果运用:月度奖金,基本工资调整、晋升/降级、其他。2、 绩效结果运用方式:月度奖金:月度奖金计算方式:奖励对象奖励方式奖励依据考核周期备注调试工个人绩效工资=本人标准绩效工资×本人当期绩效系数个人绩效等级月度奖金同当月工资一起发放---------------------------------------------------------精品 文档---------------------------------------------------------------------下载后可任意编辑工资调整:工资调整周期为一年,即年度调薪。晋升/轮岗/降级/换岗:A、晋升/轮岗:若出现岗位空缺或进行...

1、当您付费下载文档后,您只拥有了使用权限,并不意味着购买了版权,文档只能用于自身使用,不得用于其他商业用途(如 [转卖]进行直接盈利或[编辑后售卖]进行间接盈利)。
2、本站所有内容均由合作方或网友上传,本站不对文档的完整性、权威性及其观点立场正确性做任何保证或承诺!文档内容仅供研究参考,付费前请自行鉴别。
3、如文档内容存在违规,或者侵犯商业秘密、侵犯著作权等,请点击“违规举报”。

碎片内容

mogong绩效考核方案v2.0

您可能关注的文档

确认删除?
VIP
微信客服
  • 扫码咨询
会员Q群
  • 会员专属群点击这里加入QQ群
客服邮箱
回到顶部