电脑桌面
添加小米粒文库到电脑桌面
安装后可以在桌面快捷访问

r2024最新污水厂运营投标方案文件标准版污水厂运营协议VIP免费

r2024最新污水厂运营投标方案文件标准版污水厂运营协议_第1页
1/2
r2024最新污水厂运营投标方案文件标准版污水厂运营协议_第2页
2/2
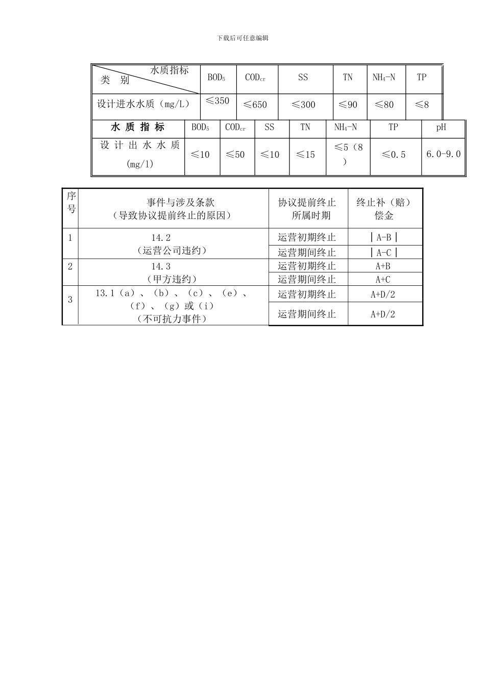
下载后可任意编辑 水质指标讼舍摄茔类 别讼舍摄茔BOD5讼舍摄茔CODcr讼舍摄茔SS讼舍摄茔TN讼舍摄茔NH4-N讼舍摄茔TP讼舍摄茔设计进水水质(mg/L)讼舍摄茔≤350讼舍摄茔≤650讼舍摄茔≤300讼舍摄茔≤90讼舍摄茔≤80讼舍摄茔≤8讼舍摄茔 水 质 指 标讼舍摄茔BOD5讼舍摄茔CODcr讼舍摄茔SS讼舍摄茔TN讼舍摄茔NH4-N讼舍摄茔TP讼舍摄茔pH讼舍摄茔设 计 出 水 水 质(mg/l)讼舍摄茔≤10讼舍摄茔≤50讼舍摄茔≤10讼舍摄茔≤15讼舍摄茔≤5(8)讼舍摄茔≤0.5讼舍摄茔6.0-9.0讼舍摄茔序号讼舍摄茔事件与涉及条款讼舍摄茔(导致协议提前终止的原因)讼舍摄茔协议提前终止讼舍摄茔所属时期讼舍摄茔终止补(赔)偿金讼舍摄茔1讼舍摄茔14.2讼舍摄茔(运营公司违约)讼舍摄茔运营初期终止讼舍摄茔│A-B│讼舍摄茔运营期间终止讼舍摄茔│A-C│讼舍摄茔2讼舍摄茔14.3讼舍摄茔(甲方违约)讼舍摄茔运营初期终止讼舍摄茔A+B讼舍摄茔运营期间终止讼舍摄茔A+C讼舍摄茔3讼舍摄茔13.1(a)、(b)、(c)、(e)、(f)、(g)或(i)讼舍摄茔(不可抗力事件)讼舍摄茔运营初期终止讼舍摄茔A+D/2讼舍摄茔运营期间终止讼舍摄茔A+D/2讼舍摄茔下载后可任意编辑序号讼舍摄茔参 数讼舍摄茔污染当量值(千克)讼舍摄茔1讼舍摄茔五日生化需氧量 BOD5讼舍摄茔0.5讼舍摄茔2讼舍摄茔化学需氧量 CODCR讼舍摄茔1讼舍摄茔3讼舍摄茔悬浮物 SS讼舍摄茔4讼舍摄茔4讼舍摄茔总氮或 NH4-N(以 N 计)讼舍摄茔0.8讼舍摄茔5讼舍摄茔总磷(以 P 计)讼舍摄茔0.25讼舍摄茔

1、当您付费下载文档后,您只拥有了使用权限,并不意味着购买了版权,文档只能用于自身使用,不得用于其他商业用途(如 [转卖]进行直接盈利或[编辑后售卖]进行间接盈利)。
2、本站所有内容均由合作方或网友上传,本站不对文档的完整性、权威性及其观点立场正确性做任何保证或承诺!文档内容仅供研究参考,付费前请自行鉴别。
3、如文档内容存在违规,或者侵犯商业秘密、侵犯著作权等,请点击“违规举报”。

碎片内容

r2024最新污水厂运营投标方案文件标准版污水厂运营协议

您可能关注的文档

确认删除?
VIP
微信客服
  • 扫码咨询
会员Q群
  • 会员专属群点击这里加入QQ群
客服邮箱
回到顶部