电脑桌面
添加小米粒文库到电脑桌面
安装后可以在桌面快捷访问

TS16949年度业务计划VIP免费

TS16949年度业务计划_第1页
1/19
TS16949年度业务计划_第2页
2/19
TS16949年度业务计划_第3页
3/19
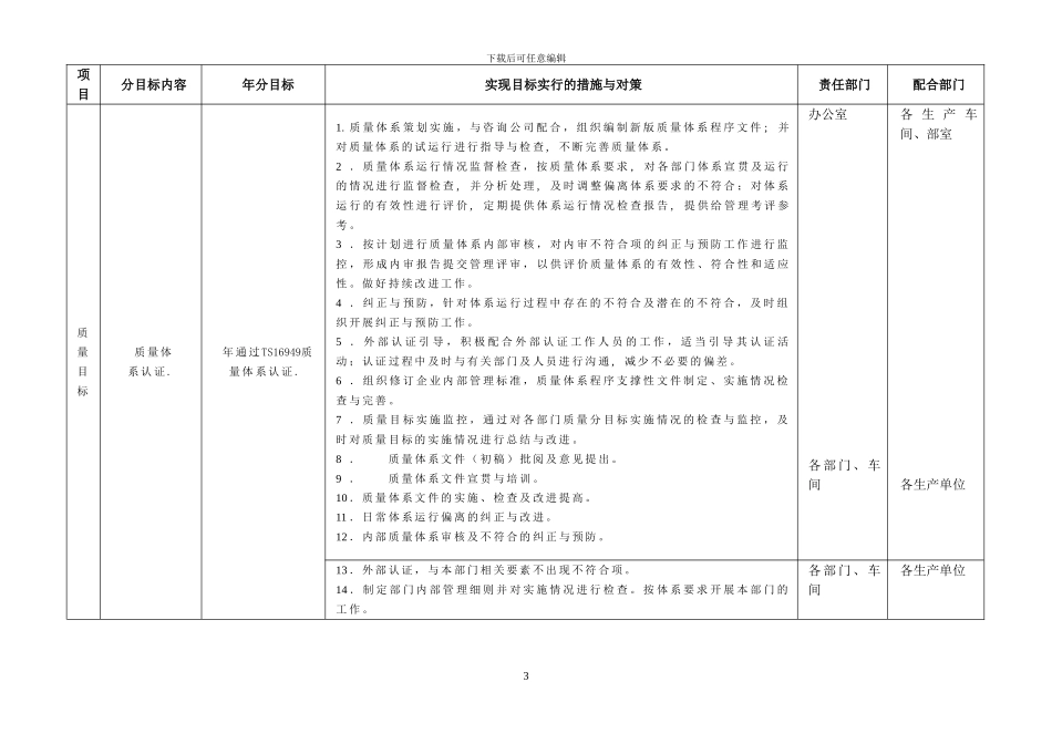
下载后可任意编辑 受 控 号年 业 务 计 划编 制 : 批 准 : 目 录 1下载后可任意编辑一 、年 公 司 业 务 计 划 -------------------------------------------------------- 1-8二 、年 公 司 业 务 计 划 ---------------------------------------------------- 9三 、同 行 业 先 进 企 业 比 较 ----------------------------------------------------------10四 、公 司 级 数 据 监 控 情 况 一 览 表 ----------------------------------------------------11五 、 年 公 司 质 量 成 本 目 标 计 划 ------------------------------------------------ 13年公司业务计划2下载后可任意编辑项目分目标内容年分目标实现目标实行的措施与对策责任部门配合部门质量目标质 量 体系 认 证 .年 通 过 TS16949质量 体 系 认 证 .1. 质 量 体 系 策 划 实 施 , 与 咨 询 公 司 配 合 , 组 织 编 制 新 版 质 量 体 系 程 序 文 件 ;并对 质 量 体 系 的 试 运 行 进 行 指 导 与 检 查 ,不 断 完 善 质 量 体 系 。2 . 质 量 体 系 运 行 情 况 监 督 检 查 , 按 质 量 体 系 要 求 ,对 各 部 门 体 系 宣 贯 及 运 行的 情 况 进 行 监 督 检 查 ,并 分 析 处 理 ,及 时 调 整 偏 离 体 系 要 求 的 不 符 合 ; 对 体 系运 行 的 有 效 性 进 行 评 价 ,定 期 提 供 体 系 运 行 情 况 检 查 报 告 ,提 供 给 管 理 考 评 参考 。3 . 按 计 划 进 行 质 量 体 系 内 部 审 核 , 对 内 审 不 符 合 项 的 纠 正 与 预 防 工 作 进 行 监控 , 形 成 内 审 报 告 提 交 管 理 评 审 , 以 供 评 价 质 量 体 系 的 有 效 性 、 符 合 性 和 适 应性 。 做 好 持 续 改 进 工 作 。4 . 纠 正 与 预 防 , 针 对 体 系 运 行 过 程 中 存 在 的 不 符 合 及 潜 在 的 不 符 合 , 及 时 组织 开 展 纠 正 与 预 防 工 作 。5 . 外 部 认 证 引 导 , 积 极 配 合 外 部 认 证 工 作 人 员 的 工 作 , 适 当 引 导 其 认 证 活动...

1、当您付费下载文档后,您只拥有了使用权限,并不意味着购买了版权,文档只能用于自身使用,不得用于其他商业用途(如 [转卖]进行直接盈利或[编辑后售卖]进行间接盈利)。
2、本站所有内容均由合作方或网友上传,本站不对文档的完整性、权威性及其观点立场正确性做任何保证或承诺!文档内容仅供研究参考,付费前请自行鉴别。
3、如文档内容存在违规,或者侵犯商业秘密、侵犯著作权等,请点击“违规举报”。

碎片内容

TS16949年度业务计划

确认删除?
VIP
微信客服
  • 扫码咨询
会员Q群
  • 会员专属群点击这里加入QQ群
客服邮箱
回到顶部