电脑桌面
添加小米粒文库到电脑桌面
安装后可以在桌面快捷访问

液压挖掘机试验大纲VIP免费

液压挖掘机试验大纲_第1页
1/12
液压挖掘机试验大纲_第2页
2/12
液压挖掘机试验大纲_第3页
3/12
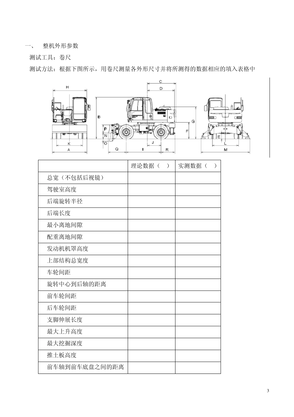
1 液压挖掘机试验 测 试 大 纲 2 目 录 一、 整机外形参数 ....................................................................................................... 3 二、 斗容 ....................................................................................................................... 4 三、 爬坡能力 ............................................................................................................... 4 四、 实际挖掘测试 ....................................................................................................... 5 五、 行车速度测试 ....................................................................................................... 6 六、 液压缸移动速度测试 ........................................................................................... 7 七、 制动性能测试 ....................................................................................................... 8 八、 液压油温升测试 ................................................................................................... 8 九、 噪音测试 ............................................................................................................... 9 十、 稳定性的测试 ..................................................................................................... 1 1 3 一、 整机外形参数 测试工具:卷尺 测试方法:根据下图所示,用卷尺测量各外形尺寸并将所测得的数据相应的填入表格中 理论数据(mm) 实测数据(mm) A:总宽(不包括后视镜) 2530 B:驾驶室高度 3030 C:后端旋转半径 1980 D:后端长度 1980 E:最小离地间隙 360 F:配重离地间隙 1215 G:发动机机罩高度 2320 H:上部结构总宽度 2465 I:车轮间距 2550 J:旋转中心到后轴的距离 1000 K:前车轮间距 1915 L:后车轮间距 1915 M:支脚伸展长度 3570 N:最大上升高度 440 O:最大挖掘深度 150 P:推土板高度 590 Q:前车轴到前车底盘之间的距离 1300 4 R:后车轴到后车底盘之间的距离 1020 二、 斗容 铲斗斗容量按 GB 3225和 JG 5038.1的有关规定进行测量。并将数据填写如下:...

1、当您付费下载文档后,您只拥有了使用权限,并不意味着购买了版权,文档只能用于自身使用,不得用于其他商业用途(如 [转卖]进行直接盈利或[编辑后售卖]进行间接盈利)。
2、本站所有内容均由合作方或网友上传,本站不对文档的完整性、权威性及其观点立场正确性做任何保证或承诺!文档内容仅供研究参考,付费前请自行鉴别。
3、如文档内容存在违规,或者侵犯商业秘密、侵犯著作权等,请点击“违规举报”。

碎片内容

液压挖掘机试验大纲

您可能关注的文档

确认删除?
VIP
微信客服
  • 扫码咨询
会员Q群
  • 会员专属群点击这里加入QQ群
客服邮箱
回到顶部