电脑桌面
添加小米粒文库到电脑桌面
安装后可以在桌面快捷访问

混凝土灌注桩监理细则VIP免费

混凝土灌注桩监理细则_第1页
1/25
混凝土灌注桩监理细则_第2页
2/25
混凝土灌注桩监理细则_第3页
3/25
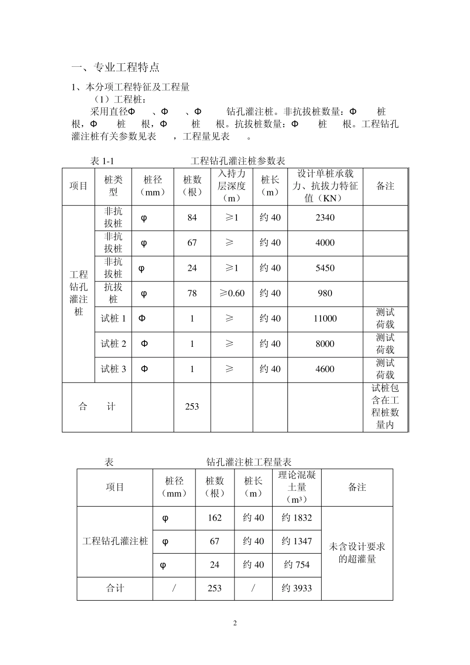
×××钻孔灌注桩工程 监 理 实 施 细 则 编制: 审批: ×××工程监理有限公司 ××××××项目监理部 年 月 日 1 目 录 一、专业工程特点„„„„„„„„„„„„„„„2 二、监理工作依据„„„„„„„„„„„„„„„4 三、监理工作流程„„„„„„„„„„„„„„„7 四、监理工作的控制要点及目标值„„„„„„„„9 五、监理工作的方法及措施 „„„„„„„„„„16 2 一、专业工程特点 1、本分项工程特征及工程量 (1)工程桩: 采用直径Ф 600、Ф 800、Ф 1000钻孔灌注桩。非抗拔桩数量:Ф 600桩84根,Ф 800桩67根,Ф 1000桩24根。抗拔桩数量:Ф 600桩78根。工程钻孔灌注桩有关参数见表1-1,工程量见表1-2。 表1-1 工程钻孔灌注桩参数表 项目 桩类型 桩径 (mm) 桩数 (根) 入持力层深度(m) 桩长 (m) 设计单桩承载力、抗拔力特征值(KN) 备注 工程钻孔灌注桩 非抗拔桩 φ 600 84 ≥1 约 40 2340 非抗拔桩 φ 800 67 ≥1 约 40 4000 非抗拔桩 φ 1000 24 ≥1 约 40 5450 抗拔桩 φ 600 78 ≥0.60 约 40 980 试桩1 Ф 1000 1 ≥1 约 40 11000 测试 荷载 试桩2 Ф 800 1 ≥1 约 40 8000 测试 荷载 试桩3 Ф 600 1 ≥1 约 40 4600 测试 荷载 合 计 253 试桩包含在工程桩数量内 表1-2 钻孔灌注桩工程量表 项目 桩径 (mm) 桩数 (根) 桩长 (m) 理论混凝土量 (m3) 备注 工程钻孔灌注桩 φ 600 162 约 40 约 1832 未含设计要求的超灌量 φ 800 67 约 40 约 1347 φ 1000 24 约 40 约 754 合计 / 253 / 约 3933 3 (2)基坑围护结构 基坑围护结构主要分为三部分: ⑪围护钻孔灌注桩:工程量见表2。 ⑫深层搅拌桩:包括止水帷幕、坑底加固两部分。水泥掺量为土重的15%,木质素外加剂掺量为水泥土重量的 0.2%。工程量见表3。 基坑围护结构钻孔灌注桩,桩径φ 800、φ 1000。桩顶标高-3.50m,桩底标高分别为-14.20m、-16.90m、-17.50m、18.50m、23.80m。支撑立柱钻孔灌注桩,桩径φ 800,桩顶标高-6.60m或-7.20m,钢立柱顶标高-2.80m,桩底标高约-18.6~-24.2m。冠梁、支撑梁顶标高-2.80m,底标高-3.50m。围护钻孔灌注桩混凝土强度等级 C25,冠梁及支撑梁 C25。 表2 围护钻孔灌注桩工程量表 项目 桩径 (m m ) 桩数 (根) 桩长...

1、当您付费下载文档后,您只拥有了使用权限,并不意味着购买了版权,文档只能用于自身使用,不得用于其他商业用途(如 [转卖]进行直接盈利或[编辑后售卖]进行间接盈利)。
2、本站所有内容均由合作方或网友上传,本站不对文档的完整性、权威性及其观点立场正确性做任何保证或承诺!文档内容仅供研究参考,付费前请自行鉴别。
3、如文档内容存在违规,或者侵犯商业秘密、侵犯著作权等,请点击“违规举报”。

碎片内容

混凝土灌注桩监理细则

您可能关注的文档

确认删除?
VIP
微信客服
  • 扫码咨询
会员Q群
  • 会员专属群点击这里加入QQ群
客服邮箱
回到顶部