电脑桌面
添加小米粒文库到电脑桌面
安装后可以在桌面快捷访问

混凝土结构设计—课程设计VIP免费

混凝土结构设计—课程设计_第1页
1/21
混凝土结构设计—课程设计_第2页
2/21
混凝土结构设计—课程设计_第3页
3/21
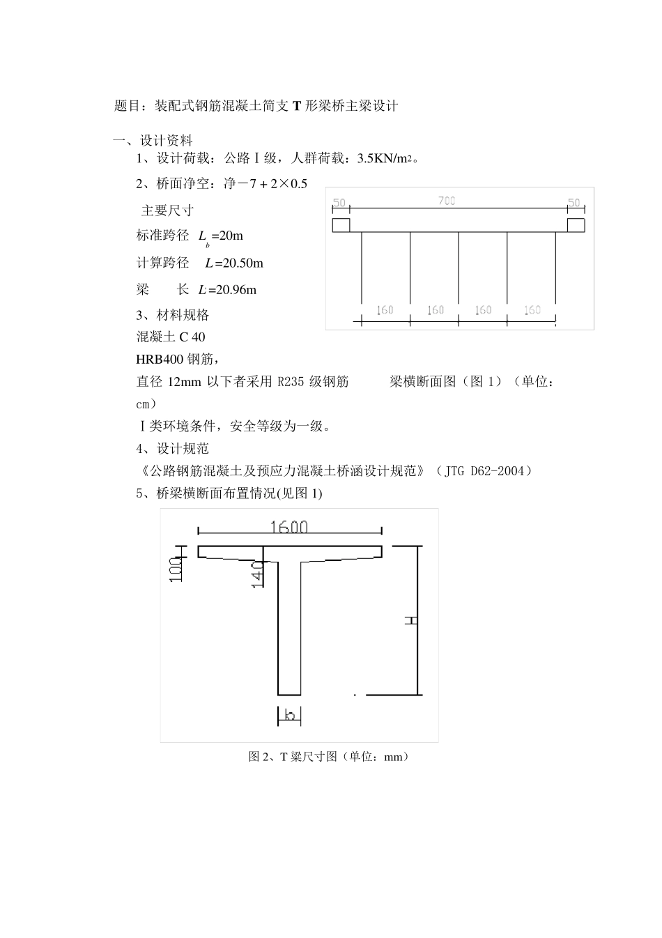
混凝土结构设计课程设计 ――装配式钢筋混凝土简支 T 形梁桥主梁 指导教师: 肖金梅 班 级: 1 4 土木工程6 班 学生姓名: 邝佛伟 设计时间: 2017 年 5 月 1 号 题目:装配式钢筋混凝土简支T 形梁桥主梁设计 一、设计资料 1、设计荷载:公路Ⅰ级,人群荷载:3.5KN/m 2。 2、桥面净空:净-7 + 2×0.5 主要尺寸 标准跨径 bL =20m 计算跨径 L =20.50m 梁 长 'L =20.96m 3、材料规格 混凝土C 40 HRB400 钢筋, 直径 12m m 以下者采用 R235 级钢筋 梁横断面图(图 1)(单位:cm) Ⅰ类环境条件,安全等级为一级。 4、设计规范 《公路钢筋混凝土及预应力混凝土桥涵设计规范》(JTG D62-2004) 5、桥梁横断面布置情况(见图 1) 图 2、T 粱尺寸图(单位:m m ) 二、设计荷载 1、承载能力极限状态下,作用效应为: 跨中截面:mKNMd• 2 1 0 0 KNVd8 0 4/l截面:mKNMd• 1 6 0 0 支点截面:0dM KNVd4 2 0 2、施工期间,简支梁吊点设在距梁端m ma4 0 0,梁自重在跨中截面引起的弯矩.5 5 01mKNMG•。 3、使用阶段,T 梁跨中截面汽车荷载标准值产生的弯矩为mKNMQ•0 4.6 1 01(未计入冲击系数),人群荷载产生的弯矩为mKNMQ•3 0.6 02,永久作用产生的弯矩为mKNMQ• 7 6 03。 三、设计内容 1、截面尺寸拟定(参照已有的设计资料或见图 2); 2 、跨中截面正截面强度计算及复核(选择钢筋并复核截面强度); 3 、斜截面强度计算及复核(剪力钢筋设计及截面复核); 4 、裂缝及变形计算; 5 、绘制钢筋图,编制钢筋明细表、总表。 四、主要参考资料 1、《公路钢筋混凝土及预应力混凝土桥涵设计规范》(JTG D62-2004)人民交通出版社, 2 0 0 4 2、公路桥涵标准图《装配式钢筋混凝土 T 形桥梁》 T 形梁截面尺寸(图2)(2000) 3、贾艳敏主编《结构设计原理》, 人民交通出版社,2 0 0 4 4 、《公路钢筋混凝土及预应力混凝土桥涵设计规范》( JTG D60-2004),人民交通出版社,2 0 0 4 取值分组情况:1-9 号 b=180mm H=1200mm 10-18 号 b=180mm H=1300mm 19-27 号 b=180mm H=1400mm 28-36 号 b=200mm H=1200mm 37-45 号 b=200mm H=1300mm 46-55 号 b=200mm H=1400mm 解: 1,截面尺寸拟定 设腹板宽度:b=180mm,T 形截面梁高:H=1400mm 由图2 所示T 形截面受压翼板的...

1、当您付费下载文档后,您只拥有了使用权限,并不意味着购买了版权,文档只能用于自身使用,不得用于其他商业用途(如 [转卖]进行直接盈利或[编辑后售卖]进行间接盈利)。
2、本站所有内容均由合作方或网友上传,本站不对文档的完整性、权威性及其观点立场正确性做任何保证或承诺!文档内容仅供研究参考,付费前请自行鉴别。
3、如文档内容存在违规,或者侵犯商业秘密、侵犯著作权等,请点击“违规举报”。

碎片内容

混凝土结构设计—课程设计

您可能关注的文档

确认删除?
VIP
微信客服
  • 扫码咨询
会员Q群
  • 会员专属群点击这里加入QQ群
客服邮箱
回到顶部