电脑桌面
添加小米粒文库到电脑桌面
安装后可以在桌面快捷访问

混凝土结构设计总说明VIP免费

混凝土结构设计总说明_第1页
1/20
混凝土结构设计总说明_第2页
2/20
混凝土结构设计总说明_第3页
3/20
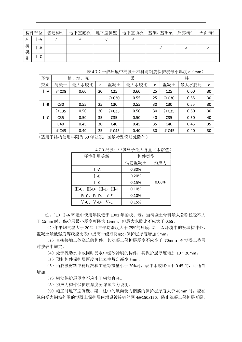
混凝土结构设计总说明 1.总则 1.1 本工程按国家现行有效的设计规范、规程及标准进行设计,施工单位除应遵守本说明及各设计图纸详图外,尚应执行现行国家施工规范、规程和工程所在地区主管部门颁布的有关规程及规定,并应在设计图纸通过施工图审查,取得施工许可证后方可施工,不得违规违章施工,确保各阶段施工安全。 1.2 本工程位于广东省佛山市高明区,本工程所建的为多层住宅和多层商业,本工程使用的测量高程为黄海高程;±0.000 为室内地面标高,相当高程标高12.50 米。 1.3 尺寸单位除注明外,以毫米(m m )为单位,平面角以度(º)分(’)秒(”)表示,标高以米(m )为单位。 2.建筑结构安全等级及设计使用年限 2.1 本工程为异形柱结构。 2.2 本工程建筑结构的安全等级为二级,结构设计基准期为50 年,结构设计使用年限为50 年,建筑抗震设防类别为标准设防类,地基基础设计等级为乙级。 3.设计依据 3.1 采用国家现行有效的设计规范、规程、统一标准、标准图集、工程建设标准强制性条文及"住房与城乡建设部有关公告"作为不能违反的法规,同时考虑工程所在地区实际情况采用地区性规范。 3.2 本工程结构设计遵循的主要标准、规范、规程: (1)国标部分 建筑结构可靠度设计统一标准 GB50068-2001 建筑结构荷载规范 GB50009-2012 混凝土结构设计规范 GB50010-2010(2015 年版) 砌体结构设计规范 GB50003-2011 建筑工程抗震设防分类标准 GB50223-2008 建筑抗震设计规范 GB50011-2010(2016 年版) 混凝土结构耐久性设计规范 GB/T50476-2008 建筑地基基础设计规范 GB50007-2011 建筑桩基技术规范 JGJ94-2008 建筑设计防火规范 GB50016-2014 (2)广东省标准部分 建筑地基基础设计规范 DBJ15-31-2003 建筑地基处理技术规范 DBJ15-38-2015 非承重混凝土小型砌块砌体工程技术规程 DBJ/T15-18-97 静压预制混凝土桩基础技术规程 DBJ/T15-94-2013 3.3 本工程结构设计采用的计算程序及辅助计算软件名称/软件版本号/编制单位分别为GSSAP;17.0;广东省设计建筑研究院。结构整体计算嵌固部位为地下室顶板层。 3.4 本工程岩土工程勘察报告由佛山市顺德区勘察有限公司提供。基础施工时若发现地质实际情况与岩土工程勘察报告与设计要求不符时,须通知设计人员及岩土工程勘察单位技 术人员共同研究处理。 4 .结构抗震设计、荷载、防火及耐久性要求 4.1 本工程为抗震设防工程,工程所在...

1、当您付费下载文档后,您只拥有了使用权限,并不意味着购买了版权,文档只能用于自身使用,不得用于其他商业用途(如 [转卖]进行直接盈利或[编辑后售卖]进行间接盈利)。
2、本站所有内容均由合作方或网友上传,本站不对文档的完整性、权威性及其观点立场正确性做任何保证或承诺!文档内容仅供研究参考,付费前请自行鉴别。
3、如文档内容存在违规,或者侵犯商业秘密、侵犯著作权等,请点击“违规举报”。

碎片内容

混凝土结构设计总说明

您可能关注的文档

确认删除?
VIP
微信客服
  • 扫码咨询
会员Q群
  • 会员专属群点击这里加入QQ群
客服邮箱
回到顶部