电脑桌面
添加小米粒文库到电脑桌面
安装后可以在桌面快捷访问

混凝土结构设计楼板设计计算书VIP免费

混凝土结构设计楼板设计计算书_第1页
1/13
混凝土结构设计楼板设计计算书_第2页
2/13
混凝土结构设计楼板设计计算书_第3页
3/13
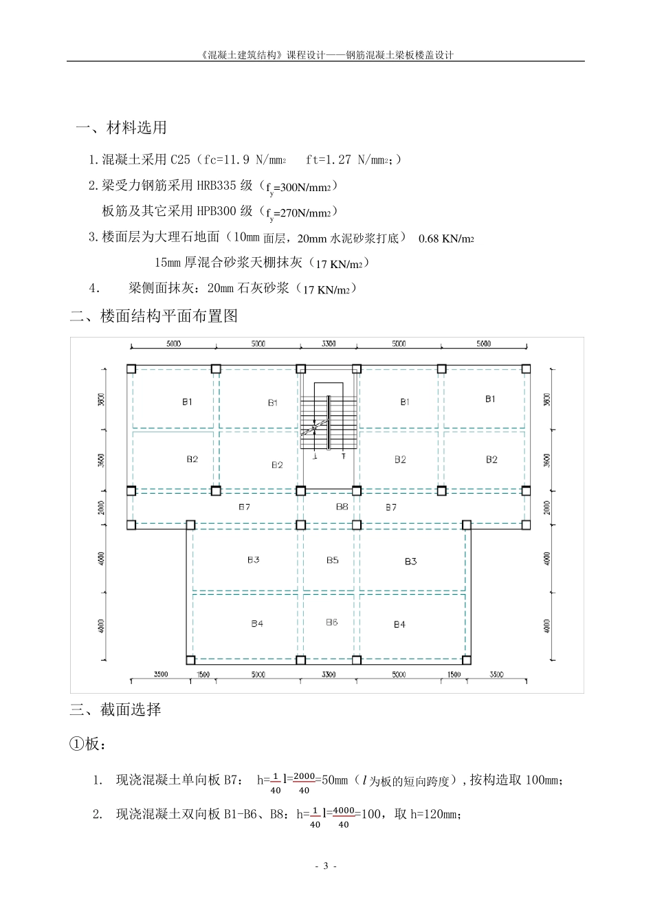
《混凝土建筑结构》课程设计——钢筋混凝土梁板楼盖设计 - 1 - 目 录 一、材料选用………………………………………………………………………………3 二、截面确定………………………………………………………………………………3 三、楼盖结构平面布置图…………………………………………………………………4 四、双向板的计算…………………………………………………………………………5 1. 荷载计算 ………………………………………………………………5 2. 弯矩计算 ………………………………………………………………5 3. 配筋计算 ………………………………………………………………6 4. 验算最小配筋率…………………………………………………………7 五、单向板的计算…………………………………………………………………………7 1、按塑性方法计算单向板…………………………………………………………7 1.1 荷载计算 … … … … … … … … … … … … … … … … … … … … … … … … 7 1.2 计算简图 … … … … … … … … … … … … … … … … … … … … … … … … 7 1.3 弯矩计算及配筋 … … … … … … … … … … … … … … … … … … … … … 7 1.4 验算最小配筋率 ………………………………………………………8 2、按弹性方法计算单向板…………………………………………………………8 2.1 荷载计算 … … … … … … … … … … … … … … … … … … … … … … … … 8 2.2 计算简图 … … … … … … … … … … … … … … … … … … … … … … … … 8 2.3 弯矩计算及配筋…………………………………………………………9 2.4 验算最小配筋率……………………………………………………… 10 3、二者对比说明 六、次梁的计算 …………………………………………………………………………7 1、L1 梁的计算…………………………………………………………………… 10 1.1 荷载计算……………………………………………………………… 10 1.2 计算简图……………………………………………………………… 10 1.3 正截面承载力计算及配筋…………………………………………… 11 1.4 斜截面承载力计算...

1、当您付费下载文档后,您只拥有了使用权限,并不意味着购买了版权,文档只能用于自身使用,不得用于其他商业用途(如 [转卖]进行直接盈利或[编辑后售卖]进行间接盈利)。
2、本站所有内容均由合作方或网友上传,本站不对文档的完整性、权威性及其观点立场正确性做任何保证或承诺!文档内容仅供研究参考,付费前请自行鉴别。
3、如文档内容存在违规,或者侵犯商业秘密、侵犯著作权等,请点击“违规举报”。

碎片内容

混凝土结构设计楼板设计计算书

您可能关注的文档

确认删除?
VIP
微信客服
  • 扫码咨询
会员Q群
  • 会员专属群点击这里加入QQ群
客服邮箱
回到顶部