电脑桌面
添加小米粒文库到电脑桌面
安装后可以在桌面快捷访问

第四章双代号网络习题VIP免费

第四章双代号网络习题_第1页
1/9
第四章双代号网络习题_第2页
2/9
第四章双代号网络习题_第3页
3/9
网络计划技术习题 1.双代号网络图的三要素是指( C )。 A.节点、箭杆、工作作业时间 B.紧前工作、紧后工作、关键线路 C.工作、节点、线路 D.工期、关键线路、非关键线路 2.利用工作的自由时差,其结果是( A )。 A.不会影响紧后工作,也不会影响工期 B.不会影响紧后工作,但会影响工期 C.会影响紧后工作,但不会影响工期 D.会影响紧后工作和工期 3.下列( C)说法是错误的。 A.总时差为零的工作是关键工作 B.由关键工作组成的线路是关键线路 C.总时差为零,自由时差一定为零 D.自由时差是局部时差,总时差是线路性时差 4.下列( B )说法是错误的。 A.任何工程都有规定工期、计划工期和计算工期 B.计划工期可以小于规定工期 C.计划工期可以等于规定工期 D.计划工期有时可等于计算工期 5.( D),会出现虚箭线。 A.当只有相同的紧后工作时 B.当只有不相同的紧后工作时 C.既有相同,又有不相同的紧后工作时 D.不受约束的任何情况 6.网络计划的缺点是( D)。 A.不能反映工作问题的逻辑 B.不能反映出关键工作 C.计算资源消耗量不便 D.不能实现电算化 7.某项工作有两项紧后工作 C、D,最迟完成时间:C=20 天, D=15 天,工作持续时间:C=7 天,D=12 天,则本工作的最迟完 成时间是( B )。 A. 13 天 B. 3 天 C. 8 天 D. 15 天 8.双代号网络图中的虚工作( C)。 A.即消耗时间,又消耗资源 B.只消耗时间,不消耗资源 C.即不消耗时间,又不消资源 D.不消髦时间,又消耗资源 9.下列不关虚工序的错误说法是( D )。 A.虚工序只表示工序之间的逻辑关系 B.混凝土养护可用虚工序表示 C.只有双代号网络图中才有虚工序 D.虚工作一般用虚箭线表示 10.网络计划中,工作最早开始时间应为( A )。 A.所有紧前工作最早完成时间的最大值 B.所有紧前工作最早完成时间的最小值 C.所有紧前工作最迟完成时间的最大值 D.所有紧前工作最迟完成时间的最大值 11.某项工作有两项紧后工作 C、D,最迟完成时间:C=30 天, D=20 天,工作持续时间:C=5 天,D=15 天,则本工作的最迟 完成时间是( B )。 A. 3 天 B.5 天 C.10 天 D.15 天 12.一般情况下,主要施工过程的流水节拍应是其他各施工工程流 水节拍的( )。 A.最大值 B.最小值 C.平均值 D.代数和 13.关于自由时差和总时差,下列说法中错误的是( )。 A.自由时差为零,总时差必定为零 B....

1、当您付费下载文档后,您只拥有了使用权限,并不意味着购买了版权,文档只能用于自身使用,不得用于其他商业用途(如 [转卖]进行直接盈利或[编辑后售卖]进行间接盈利)。
2、本站所有内容均由合作方或网友上传,本站不对文档的完整性、权威性及其观点立场正确性做任何保证或承诺!文档内容仅供研究参考,付费前请自行鉴别。
3、如文档内容存在违规,或者侵犯商业秘密、侵犯著作权等,请点击“违规举报”。

碎片内容

第四章双代号网络习题

您可能关注的文档

小辰4+ 关注
实名认证
内容提供者

出售各种资料和文档

确认删除?
VIP
微信客服
  • 扫码咨询
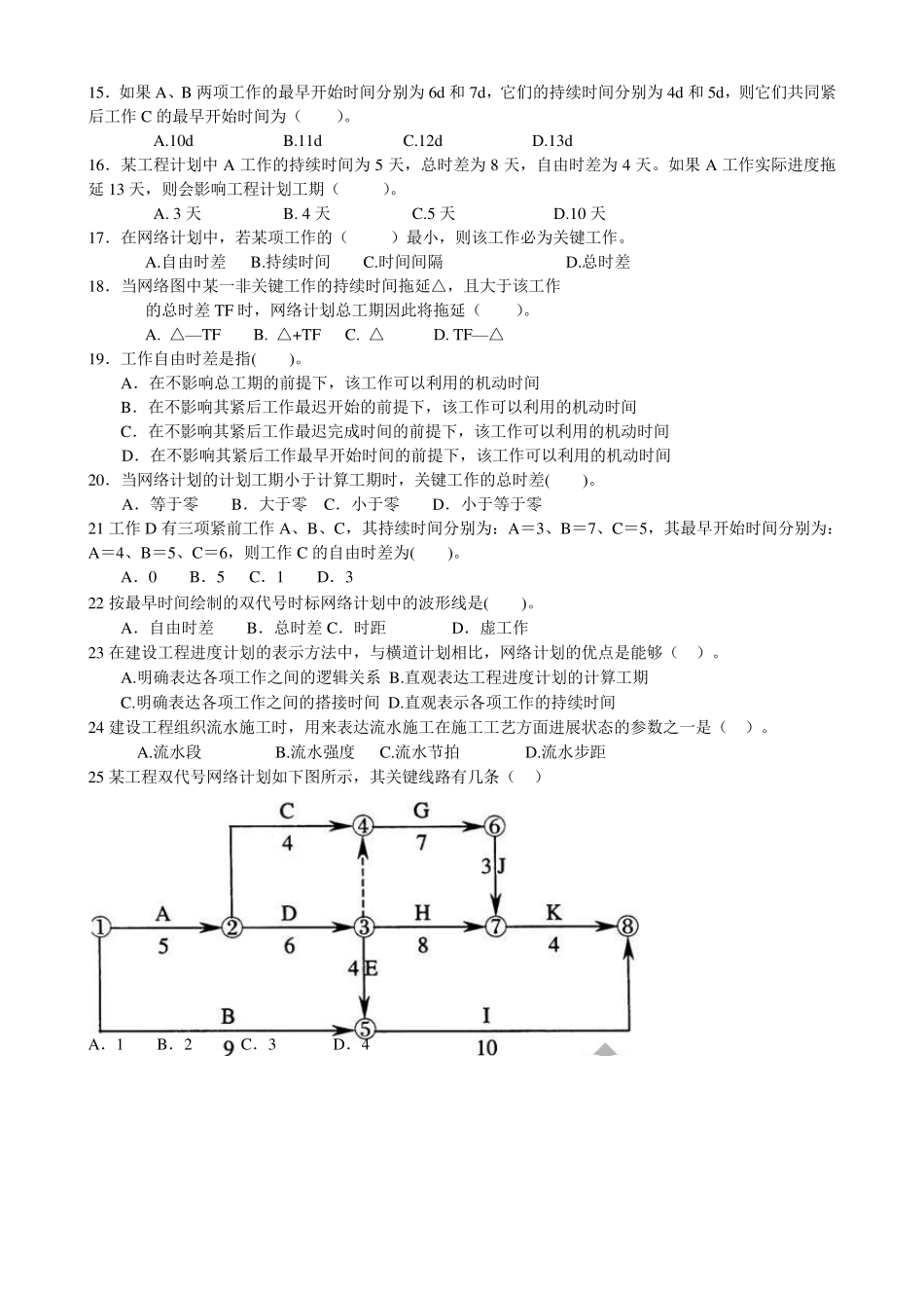
会员Q群
  • 会员专属群点击这里加入QQ群
客服邮箱
回到顶部