电脑桌面
添加小米粒文库到电脑桌面
安装后可以在桌面快捷访问

管道及设备保温技术交底VIP免费

管道及设备保温技术交底_第1页
1/6
管道及设备保温技术交底_第2页
2/6
管道及设备保温技术交底_第3页
3/6
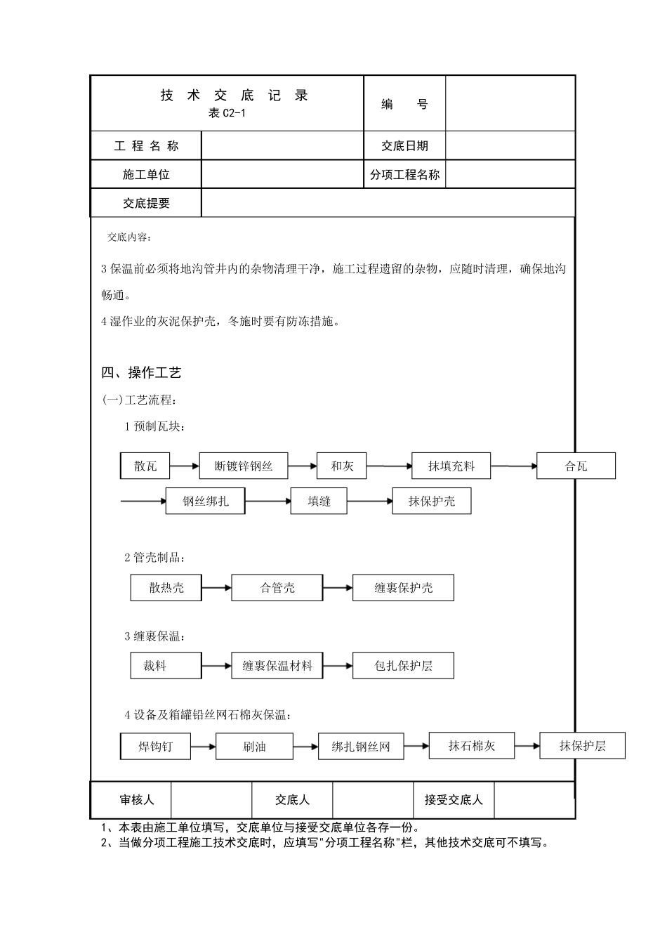
技 术 交 底 记 录 表C2-1 编 号 工 程 名 称 交底日期 施工单位 分项工程名称 交底提要 交底内容: 审核人 交底人 接受交底人 1、本表由施工单位填写,交底单位与接受交底单位各存一份。 2、当做分项工程施工技术交底时,应填写"分项工程名称"栏,其他技术交底可不填写。 管道及设备保温 本章适用于供采暖、生活用热水或蒸汽管道及设备的保温和给水排水管道的防结露保温。 一、材料要求 保温材料的性能、规格应符合设计要求,并具有合格证。一般常用的材料有: 1 预制瓦块:有泡沫混凝土、珍珠岩、蛭石、石棉瓦块等。 2 管壳制品:有岩棉、矿渣棉、玻璃棉、硬聚氨月旨泡沫塑料、聚苯乙烯泡沫塑料管壳等。 3 卷材:有聚苯乙烯泡沫塑料、岩棉等。 4 其他材料:有铅丝网、石棉灰,或用以上预制板块砌筑或粘接等。 二、主要机具 1 机具:砂轮锯、电焊机。 2 工具:钢筋、布剪、手锤、剁子、弯钩、铁锹、灰桶、平抹子、圆弧抹子。 3 其他:钢卷尺、钢针、靠尺、楔形塞尺等。 三、作业条件 1 管道及设备的保温应在防腐及水压试验合格后方可进行,如需先做保温层,应将管道的接口及焊缝处留出,待水压试验合格后再将接口处保温。 2 建筑物的吊顶及管井内需要做保温的管道,必须 在防腐试压合格,保温完 成 隐 检 合格后,土建才 能最 后封 闭 ,严 禁 颠 倒 工序 施 工。 技 术 交 底 记 录 表C2-1 编 号 工 程 名 称 交底日期 施工单位 分项工程名称 交底提要 交底内容: 审核人 交底人 接受交底人 1、本表由施工单位填写,交底单位与接受交底单位各存一份。 2、当做分项工程施工技术交底时,应填写"分项工程名称"栏,其他技术交底可不填写。 3 保温前必须将地沟管井内的杂物清理干净,施工过程遗留的杂物,应随时清理,确保地沟畅通。 4 湿作业的灰泥保护壳,冬施时要有防冻措施。 四、操作工艺 (一)工艺流程: 1 预制瓦块: 2 管壳制品: 3 缠裹保温: 4 设备及箱罐铅丝网石棉灰保温: 散瓦 断镀锌钢丝 和灰 抹填充料 合瓦 钢丝绑扎 填缝 抹保护壳 散热壳 合管壳 缠裹保护壳 裁料 缠裹保温材料 包扎保护层 焊钩钉 刷油 绑扎钢丝网 抹石棉灰 抹保护层 技 术 交 底 记 录 表C2-1 编 号 工 程 名 称 交底日期 施工单位 分项工程名称 交底提要 交底内容: 审核人 交底人 接受交底人 1、本表由施工单位填写...

1、当您付费下载文档后,您只拥有了使用权限,并不意味着购买了版权,文档只能用于自身使用,不得用于其他商业用途(如 [转卖]进行直接盈利或[编辑后售卖]进行间接盈利)。
2、本站所有内容均由合作方或网友上传,本站不对文档的完整性、权威性及其观点立场正确性做任何保证或承诺!文档内容仅供研究参考,付费前请自行鉴别。
3、如文档内容存在违规,或者侵犯商业秘密、侵犯著作权等,请点击“违规举报”。

碎片内容

管道及设备保温技术交底

您可能关注的文档

小辰+ 关注
实名认证
内容提供者

出售各种文档和资料

确认删除?
VIP
微信客服
  • 扫码咨询
会员Q群
  • 会员专属群点击这里加入QQ群
客服邮箱
回到顶部