电脑桌面
添加小米粒文库到电脑桌面
安装后可以在桌面快捷访问

弱电方案--综合布线术语VIP免费

弱电方案--综合布线术语_第1页
1/3
弱电方案--综合布线术语_第2页
2/3
弱电方案--综合布线术语_第3页
3/3
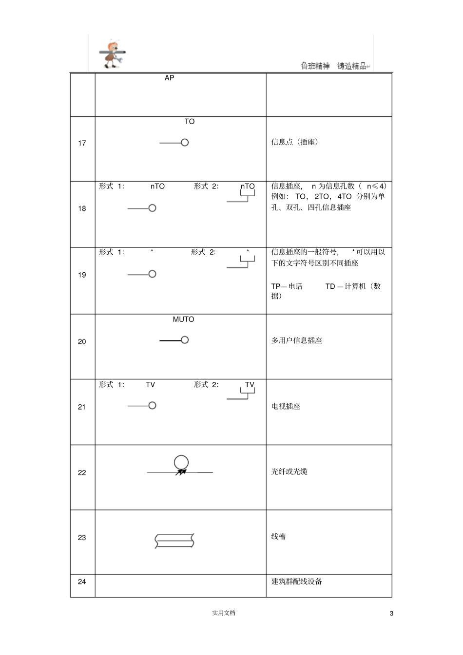
实用文档1 序号符号名称1形式 1:C D 形式 2: C D建筑群配线架 (系统图, 含跳线连接)2形式 1:B D 形式 2: B D建筑物配线架 (系统图, 含跳线连接)3形式 1:F D 形式 2: F D楼层配线架(系统图,含跳线连接)4FD楼层配线架(系统图,无跳线连接)5形式 1:CP 形式 2:CP 集合点配线箱6ODF光纤配线架 (光纤总连接盘, 系统图,含跳线连接)7LIU光纤连接盘 (系统图 )8MDF用户总配线架 (系统图, 含跳线连接)实用文档2 9*配线架柜的一般符号(平面图)* 可以用以下文字表示不同的配线架, CD —建筑群BD—建筑物FD—楼层10SB模块配线架式的供电设备(系统图)11HDD家居配线箱12HUB集线器13SW网络交换机14PABX程控用户交换机15IP网络电话16无线接入点实用文档3 AP17TO信息点(插座)18形式 1:nTO 形式 2:nTO信息插座, n 为信息孔数( n≤4)例如: TO, 2TO,4TO 分别为单孔、双孔、四孔信息插座19形式 1:* 形式 2:*信息插座的一般符号,*可以用以下的文字符号区别不同插座TP—电话TD —计算机(数据)20MUTO多用户信息插座21形式 1:TV 形式 2:TV电视插座22光纤或光缆23线槽24建筑群配线设备

1、当您付费下载文档后,您只拥有了使用权限,并不意味着购买了版权,文档只能用于自身使用,不得用于其他商业用途(如 [转卖]进行直接盈利或[编辑后售卖]进行间接盈利)。
2、本站所有内容均由合作方或网友上传,本站不对文档的完整性、权威性及其观点立场正确性做任何保证或承诺!文档内容仅供研究参考,付费前请自行鉴别。
3、如文档内容存在违规,或者侵犯商业秘密、侵犯著作权等,请点击“违规举报”。

碎片内容

弱电方案--综合布线术语

您可能关注的文档

确认删除?
VIP
微信客服
  • 扫码咨询
会员Q群
  • 会员专属群点击这里加入QQ群
客服邮箱
回到顶部