电脑桌面
添加小米粒文库到电脑桌面
安装后可以在桌面快捷访问

弱电管检验批记录VIP免费

弱电管检验批记录_第1页
1/10
弱电管检验批记录_第2页
2/10
弱电管检验批记录_第3页
3/10
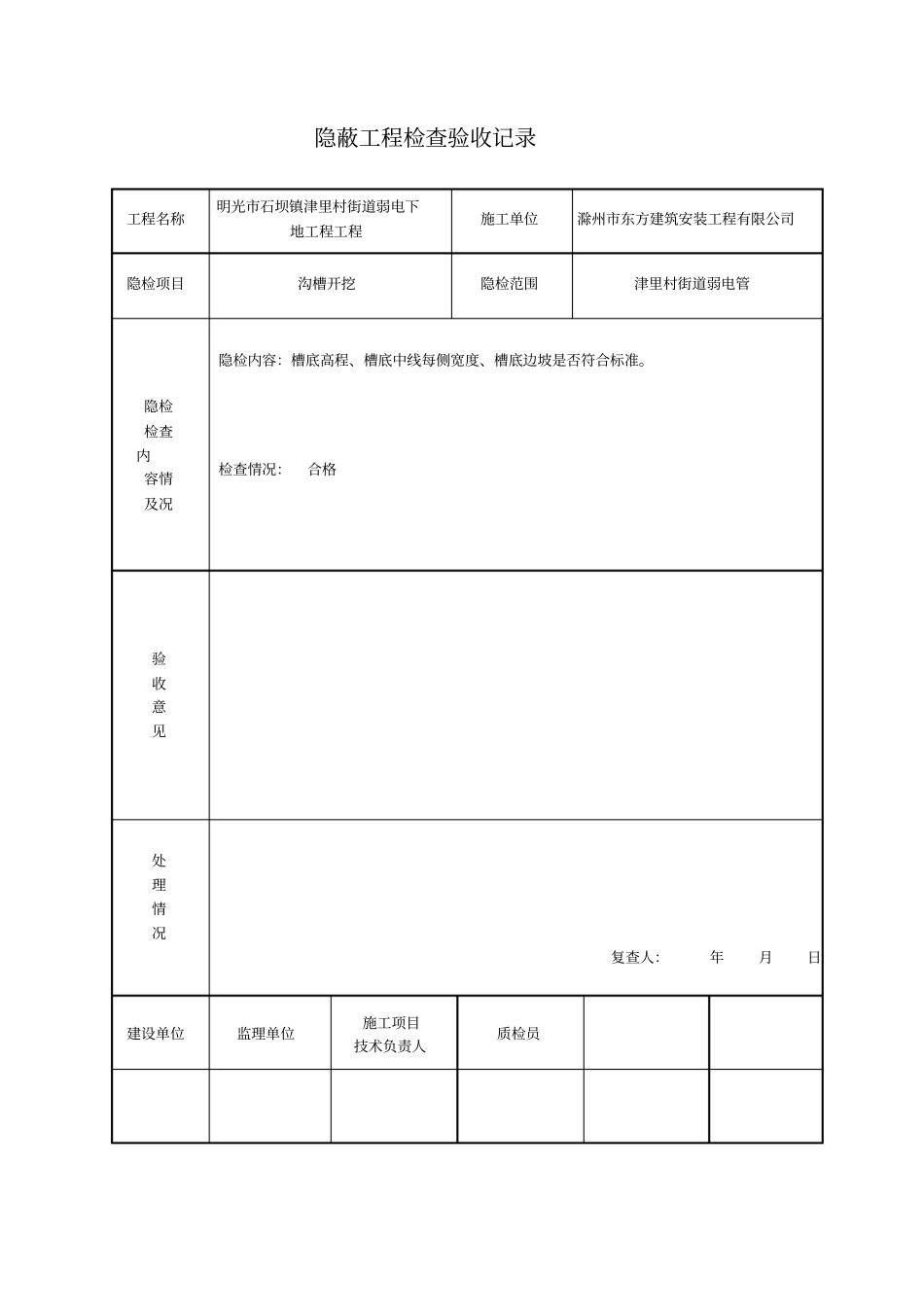
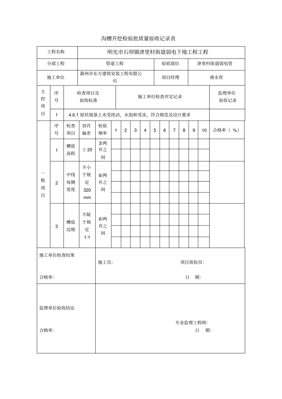
沟槽开挖报验申请表工程名称:明光市石坝镇津里村街道弱电下地工程工程致: 安徽嘉明建设工程项目管理有限公司(监理单位)我单位已完成了津里村街道弱电管沟槽开挖工作,现报上该工程报验申请表,请予以审查和验收。附件:检验批质量验收记录表隐蔽工程检查验收记录承包单位(章)项目经理日期审查意见:项目监理机构总/专业监理工程师日期隐蔽工程检查验收记录工程名称明光市石坝镇津里村街道弱电下地工程工程施工单位滁州市东方建筑安装工程有限公司隐检项目沟槽开挖隐检范围津里村街道弱电管隐检检查内容情及况隐检内容:槽底高程、槽底中线每侧宽度、槽底边坡是否符合标准。检查情况:合格验收意见处理情况复查人:年月日建设单位监理单位施工项目技术负责人质检员沟槽开挖检验批质量验收记录表工程名称明光市石坝镇津里村街道弱电下地工程工程分部工程管道工程验收部位津里村街道弱电管施工单位滁州市东方建筑安装工程有限公司项目经理褚永贵主控项目序号检查项目及验收标准施工单位检查评定记录监理单位验收记录1 4.6.1 原状地基土未受扰动,水泡和受冻,符合规范及设计要求一般项目序号检查项目容许偏差检验频率1 2 3 4 5 6 7 8 9 10 合格率( %)1 槽底高程± 20 3/两井之间2 中线每侧宽度不小于规定320mm 6/两井之间3 槽底边坡不陡于规定1:1 6/两井之间施工单位检查结果合格率:施工员:项目质检员:日期:监理单位验收结论合格率:专业监理工程师:日期:安管报验申请表工程名称:明光市石坝镇津里村街道弱电下地工程工程致: 安徽嘉明建设工程项目管理有限公司(监理单位)我单位已完成了津里村街道弱电管安管工作,现报上该工程报验申请表,请予以审查和验收。附件:检验批质量验收记录表隐蔽工程检查验收记录承包单位(章)项目经理日期审查意见:项目监理机构总/专业监理工程师日期隐蔽工程检查验收记录工程名称明光市石坝镇津里村街道弱电下地工程工程施工单位滁州市东方建筑安装工程有限公司隐检项目安管隐检范围津里村街道弱电管隐检内容及检查情况隐检内容:高程、中线检查情况:合格验收意见处理情况复查人:年月日建设单位监理单位施工项目技术负责人质检员安管质量验收记录表工程名称明光市石坝镇津里村街道弱电下地工程工程分部工程管道工程验收部位津里村街道弱电管施工单位滁州市东方建筑安装工程有限公司项目经理褚永贵主控项目序号检查项目及验收标准施工单位检查评定记录监理单位验收记录1 管...

1、当您付费下载文档后,您只拥有了使用权限,并不意味着购买了版权,文档只能用于自身使用,不得用于其他商业用途(如 [转卖]进行直接盈利或[编辑后售卖]进行间接盈利)。
2、本站所有内容均由合作方或网友上传,本站不对文档的完整性、权威性及其观点立场正确性做任何保证或承诺!文档内容仅供研究参考,付费前请自行鉴别。
3、如文档内容存在违规,或者侵犯商业秘密、侵犯著作权等,请点击“违规举报”。

碎片内容

弱电管检验批记录

确认删除?
VIP
微信客服
  • 扫码咨询
会员Q群
  • 会员专属群点击这里加入QQ群
客服邮箱
回到顶部