电脑桌面
添加小米粒文库到电脑桌面
安装后可以在桌面快捷访问

形位公差测试题VIP免费

形位公差测试题_第1页
1/3
形位公差测试题_第2页
2/3
形位公差测试题_第3页
3/3
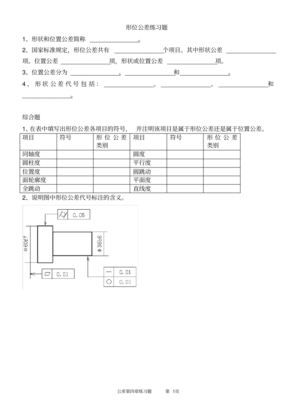
公差第四章练习题第 1页形位公差练习题1、形状和位置公差简称 _______________。2、国家标准规定,形位公差共有_______________个项目。其中形状公差 _______________项。位置公差 _______________项,形状或位置公差 _______________项。3、位置公差分为 _______________、_______________和_______________。4 、 形 状 公 差 代 号 包 括 : _______________、 _______________、 _______________和_______________。综合题1、在表中填写出形位公差各项目的符号, 并注明该项目是属于形位公差还是属于位置公差。项目符号形 位 公 差类别项目符号形 位 公 差类别同轴度圆度圆柱度平行度位置度圆跳动面轮廓度平面度全跳动直线度2、说明图中形位公差代号标注的含义。公差第四章练习题第 2页3、按下列要求在习题图上标出形位公差代号。(1)φ 50mm 圆柱面素线的直线度公差值为0.02mm。(2)φ 30mm 圆柱面的圆柱度公差值为0.05mm。(3)整个零件的轴线必须位于直径0.04mm 的圆柱面内。4、说明图中形位公差代号标注的含义(按形位公差读法及公差带含义两种方法说明)。公差第四章练习题第 3页5、将下列技术要求用代号标注在习题图上。(1)φ 20d7 圆柱面任一素线的直线度公差值为0.05mm。(2)φ 40m7 轴线相对于φ 20d7 轴线的同轴度公差值为φ0.01mm。(3)φ 10H6 槽的两平行平面中任一平面对另一平面的平行度公差值为0.015mm。(4)φ 10H6 槽的中心平面对φ40m7 轴线的对称度公差值为0.01mm。(5)φ 20d7 圆柱面的轴线对φ40m7 圆柱右端面的垂直度公差值为φ0.02mm。6、说明形位公差标注的含义。

1、当您付费下载文档后,您只拥有了使用权限,并不意味着购买了版权,文档只能用于自身使用,不得用于其他商业用途(如 [转卖]进行直接盈利或[编辑后售卖]进行间接盈利)。
2、本站所有内容均由合作方或网友上传,本站不对文档的完整性、权威性及其观点立场正确性做任何保证或承诺!文档内容仅供研究参考,付费前请自行鉴别。
3、如文档内容存在违规,或者侵犯商业秘密、侵犯著作权等,请点击“违规举报”。

碎片内容

形位公差测试题

您可能关注的文档

确认删除?
VIP
微信客服
  • 扫码咨询
会员Q群
  • 会员专属群点击这里加入QQ群
客服邮箱
回到顶部