电脑桌面
添加小米粒文库到电脑桌面
安装后可以在桌面快捷访问

微型桩施工技术交底VIP免费

微型桩施工技术交底_第1页
1/5
微型桩施工技术交底_第2页
2/5
微型桩施工技术交底_第3页
3/5
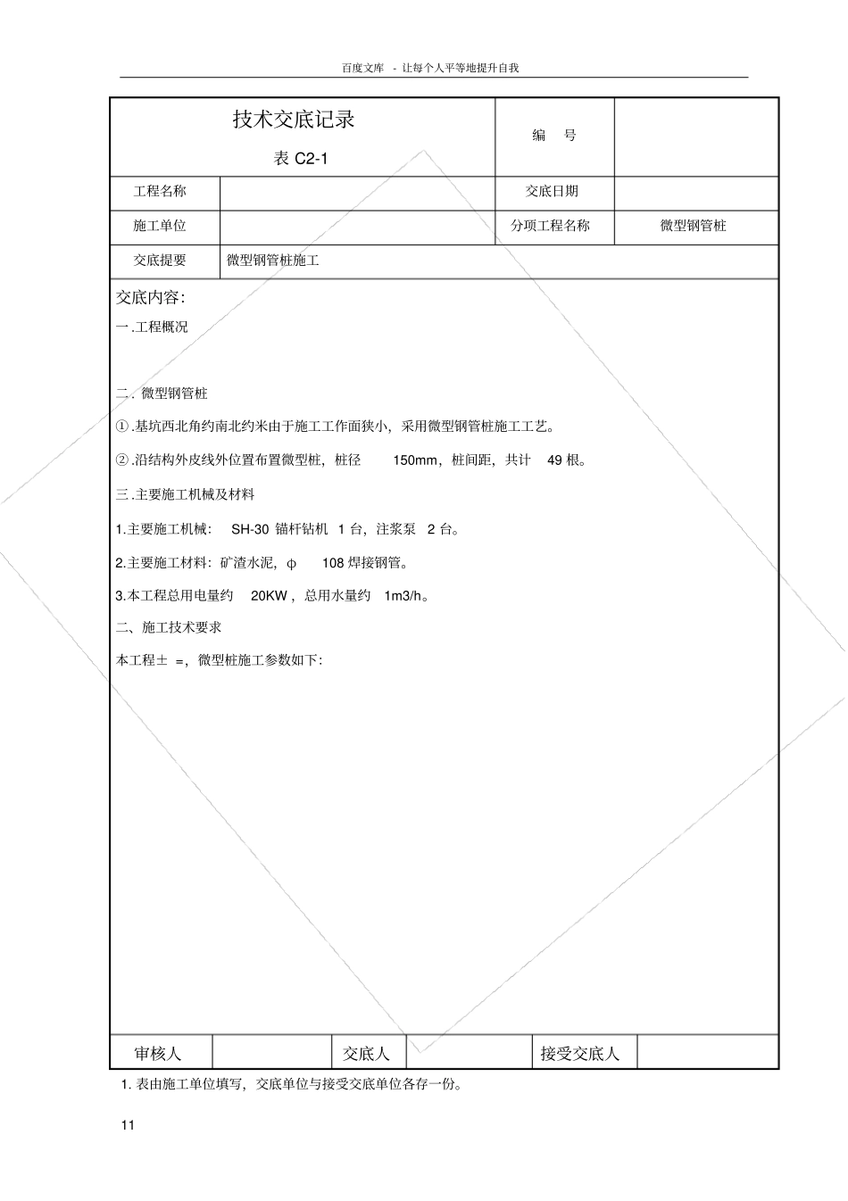
百度文库- 让每个人平等地提升自我11 技术交底记录表 C2-1编号工程名称交底日期施工单位分项工程名称微型钢管桩交底提要微型钢管桩施工交底内容:一 .工程概况二 . 微型钢管桩① .基坑西北角约南北约米由于施工工作面狭小,采用微型钢管桩施工工艺。② .沿结构外皮线外位置布置微型桩,桩径150mm,桩间距,共计49 根。三 .主要施工机械及材料1.主要施工机械:SH-30 锚杆钻机 1 台,注浆泵2 台。2.主要施工材料:矿渣水泥,φ108 焊接钢管。3.本工程总用电量约20KW ,总用水量约1m3/h。二、施工技术要求本工程± =,微型桩施工参数如下:审核人交底人接受交底人1. 表由施工单位填写,交底单位与接受交底单位各存一份。百度文库- 让每个人平等地提升自我22 2. 做分项工程施工技术交底时,应填写“分项工程名称”栏,其他技术交底可不填写。技术交底记录表 C2-1编号工程名称交底日期施工单位分项工程名称微型钢管桩交底提要微型钢管桩施工交底内容:桩径桩顶埋深 (m) 桩孔深(m) 嵌固深度(m) 钢管长(m) 桩中心距(m) 管径Φ22钢筋管数净浆强度碎石φ 150 地面15 φ 108 1 根M20 2-5mm 1)定位:根据桩位图及现场情况进行测量放线,桩位点处用钢钎打入土中10 ㎝,并注入石灰粉做标记。放点精度≤2 ㎝。2)成孔:成孔采用 SH30-2 型锚杆钻机, 对准孔位, 钻机调平控制垂直度,孔径 D=150 ㎜,间距 500mm。3)注浆:通过锚杆钻机钻杆用BW250/50 型泥浆泵注浆,要求泵压不低于4 公斤左右,水泥浆比重控制在㎏ /㎝ 3 左右,水灰比1:,成孔后压灌水泥浆护壁防止塌孔,4)钢管加工:钢管直径108mm,钢管管壁做成10mm 直径的孔,梅花状布置间距500mm,保证压浆能从空中溢出。钢管底部采用焊接封堵或用编织袋封堵,防止下入过程中有土进入管中。5)钢管连接:钢管采用3 根Φ 14 钢筋绑焊,焊接长度不小于10d 钢管下放完毕后,钢管顶部应跟地面水平。6)下入钢筋:下入Φ22 钢筋长度,确保钢筋居中。钢筋连接采用单面搭接焊,焊缝长度不小于10d。钢筋下放完毕后,边注浆边填灌碎石骨料。7) 补浆:注浆时必须连续注浆,注浆完毕后,在初凝前应进行二次补浆直至补满为止。8)冠梁主筋采用4 根Φ 22 钢筋绑扎搭接不小于35d,错开接头断面,箍筋采用Φ200@200。审核人交底人接受交底人百度文库- 让每个人平等地提升自我33 1. 表由施工单位填写,交底单位与接受交底单位各存一份。2. 做分项工程施工技术交...

1、当您付费下载文档后,您只拥有了使用权限,并不意味着购买了版权,文档只能用于自身使用,不得用于其他商业用途(如 [转卖]进行直接盈利或[编辑后售卖]进行间接盈利)。
2、本站所有内容均由合作方或网友上传,本站不对文档的完整性、权威性及其观点立场正确性做任何保证或承诺!文档内容仅供研究参考,付费前请自行鉴别。
3、如文档内容存在违规,或者侵犯商业秘密、侵犯著作权等,请点击“违规举报”。

碎片内容

微型桩施工技术交底

确认删除?
VIP
微信客服
  • 扫码咨询
会员Q群
  • 会员专属群点击这里加入QQ群
客服邮箱
回到顶部