电脑桌面
添加小米粒文库到电脑桌面
安装后可以在桌面快捷访问

2024年大棚施工综合方案VIP免费

2024年大棚施工综合方案_第1页
1/13
2024年大棚施工综合方案_第2页
2/13
2024年大棚施工综合方案_第3页
3/13
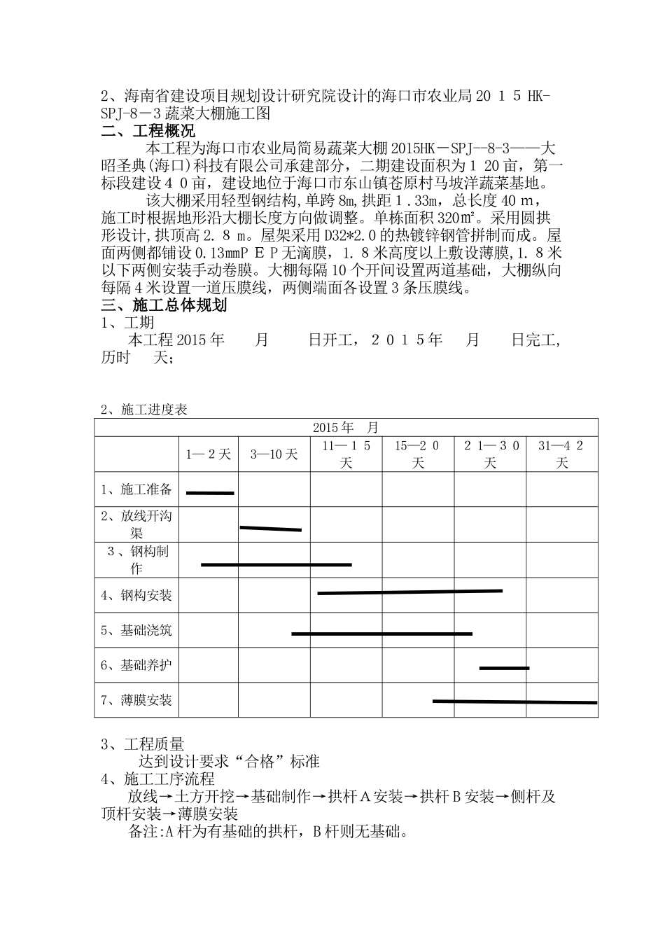
海口市农业局2015HK-SPJ-8-3蔬菜大棚(二期一标)施工组织方案海南道才温室工程有限公司一、编制依据1、现行国家有关规范《结构用冷弯空心型钢尺寸、外形、重量及允许偏差》GBT6728-2002《焊接钢管尺寸及单位长度重量》GBT21835-2008《金属覆盖层钢铁制件热浸镀锌层技术要求及试验方法》GB/T13912-20022、海南省建设项目规划设计研究院设计的海口市农业局2015HK-SPJ-8-3蔬菜大棚施工图二、工程概况本工程为海口市农业局简易蔬菜大棚2015HK-SPJ--8-3——大昭圣典(海口)科技有限公司承建部分,二期建设面积为120亩,第一标段建设40亩,建设地位于海口市东山镇苍原村马坡洋蔬菜基地。该大棚采用轻型钢结构,单跨8m,拱距1.33m,总长度40m,施工时根据地形沿大棚长度方向做调整。单栋面积320㎡。采用圆拱形设计,拱顶高2.8m。屋架采用D32*2.0的热镀锌钢管拼制而成。屋面两侧都铺设0.13㎜PEP无滴膜,1.8米高度以上敷设薄膜,1.8米以下两侧安装手动卷膜。大棚每隔10个开间设置两道基础,大棚纵向每隔4米设置一道压膜线,两侧端面各设置3条压膜线。三、施工总体规划1、工期本工程2015年月日开工,2015年月日完工,历时天;2、施工进度表2015年月1—2天3—10天11—15天15—20天21—30天31—42天1、施工准备2、放线开沟渠3、钢构制作4、钢构安装5、基础浇筑6、基础养护7、薄膜安装3、工程质量达到设计要求“合格”标准4、施工工序流程放线→土方开挖→基础制作→拱杆A安装→拱杆B安装→侧杆及顶杆安装→薄膜安装备注:A杆为有基础的拱杆,B杆则无基础。5、施工资料准备施工图纸会审无误。按施工图纸采购的材料已陆续进到施工现场,并按规定验收合格。施工机械已按平面布置图要求就位,具备使用条件。做好施工前的技术交底工作。6、施工现场准备临时设施搭建:根据施工现场平面布置图及临时设施计划搭建。组织设备及材料进场:按计划组织进场。7、施工用电用水现场供电状况,根据《施工现场临时用电安全技术规范》JGJ46-88要求,保障施工现场用电合理、安全,防止触电事故发生。施工用水根据施工期间生活用水,施工用水,施工消防用水做好用水计划安排。四、项目施工方案1、放线(1)检查校核经纬仪和水准仪并检定钢尺(2)了解、学习、校核施工图(3)校核红线装与水准点(4)根据国家GB50026-93工程测量规范、图纸和现场实际情况,制定切实可行的测量放线方案。使测量工作处于自我校核条件,保证测量结果的正确性。2、基础工程施工方案(1)基础开挖:基础开挖根据放线测量坐标点,采用机械与人工相结合的方式进行开挖,开挖尺寸均为Φ400mm*400mm*600mm,开挖间距为13.3米/组,4个/组,如附图所示。两端基础要严格按照图纸要求,不得乱挖,坑底不得存有松土的杂物。基础开挖完成后通知监理单位到现场查看。(2)基础浇筑:基础浇筑混凝土采用自拌混泥土。水泥选用普通硅酸盐水泥,进场水泥必须有出厂合格证,采购水泥入库按品种、标号、出厂日期分别堆放、标示,做到先进先用,严禁使用过期、受潮及混入杂质的水泥。砂石采用河沙,石子采用高强度、未风化碎石(最大直径40mm),要符合《普通混凝土用砂质量标准及检验方法》和《普通混凝土用碎石或卵石质量标准及检验方法》的有关规定。水采用不含有害杂质、水中不含影响水泥正常硬化的物质的地下水。自拌混凝土强度不低于C25标准。(3)混凝土浇筑:混凝土浇筑根据模具进行一次性浇筑,不留施工缝。(4)混凝土基础养护:混凝土达到终凝后,养护采用洒水养护且养护时间不小于7天。3、大棚主体钢结构(1)钢结构制作及技术要求:运输:钢构件运输时应根据钢构件长度、重量选用车辆,运输时保证钢构件不变形及不损伤涂层。检材:钢结构制作要对采购的钢材进行检查验收,看是否符合图纸要求与质量要求,检查质量证明或合格证,不能盲目下料。校正:对弯曲、变形的钢材必须进行校正,已确保制造质量,其方法是使用螺旋式压力机,千斤顶或氧炔火焰等手段使钢材恢复。放样:在熟悉图纸基础上,可按图制作下料用的样板和样杆。样板用来控制平面几何尺寸,样杆用来控制长度尺寸,样板及样杆必须经技术人员检查复核。拱杆D32*2.0mm热镀锌管...

1、当您付费下载文档后,您只拥有了使用权限,并不意味着购买了版权,文档只能用于自身使用,不得用于其他商业用途(如 [转卖]进行直接盈利或[编辑后售卖]进行间接盈利)。
2、本站所有内容均由合作方或网友上传,本站不对文档的完整性、权威性及其观点立场正确性做任何保证或承诺!文档内容仅供研究参考,付费前请自行鉴别。
3、如文档内容存在违规,或者侵犯商业秘密、侵犯著作权等,请点击“违规举报”。

碎片内容

2024年大棚施工综合方案

您可能关注的文档

确认删除?
VIP
微信客服
  • 扫码咨询
会员Q群
  • 会员专属群点击这里加入QQ群
客服邮箱
回到顶部