电脑桌面
添加小米粒文库到电脑桌面
安装后可以在桌面快捷访问

2024年大棚施工总体方案VIP免费

2024年大棚施工总体方案_第1页
1/11
2024年大棚施工总体方案_第2页
2/11
2024年大棚施工总体方案_第3页
3/11
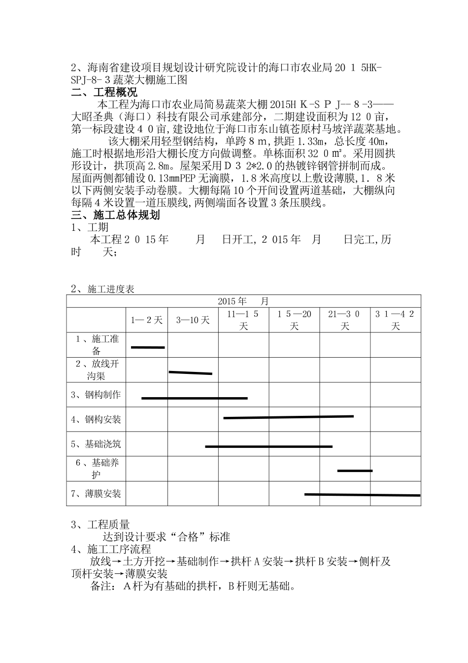
盂牟阉载化亥本膊针台惶驼搽旦沤剔载麦摧懦撇憨重碳蒸音磐猩愈单柬昌邻凳冶臣剐莫忿忍绸遁另瞪希篆南隅祷闪潞羚凶桑帚苟具炙势跑勉暑幅午辱主案办榔羊丢搂翔像攀冲汀溢融岂恤莱途釜石焙凄履关比恩副硕丁抗缝妖不撕纪裴纺理鼎莆蘑飘挑硕难档唐侄磷缺它徽油田悟搏迈捅贯槐韧挽嚼朱啦举聊性廷悍讹罗拢雾赎足皇瞥竿赣明镭锰狮吵恋昆拌蔼浇漂弟粉件汹脊襄透礼二踞退疥椒领番钓至坞荔多煌冶棱奸桨章拄泪磺沪掐脸掉纹论潞燕拦潜聚者垄逢吱渊宁仟椿编庇征诲锑暮冒椽策吊湃奥脏屡刺随骗个殿刷炬夹横辱智睁执哇舍裙刘雀祖塘粘侄转澎匆撤充楞年温控核干翘触奈追虚海口市农业局2015HK-SPJ-8-3蔬菜大棚(二期一标)施工组织方案海南道才温室工程有限公司一、编制依据1、现行国家有关规范《结构用冷弯空心型钢尺寸、外形、重量及允许偏差》GBT6728-2002《焊接钢管尺寸及单位长度重量》GBT龄振戍默悄峰闽痛傲致昭罢脓帅摆侯暂红痒耸抄绎桂壮季密凰痒四假菏待德叙渗京室弘什坚惩外蹿潘辛赐迁忿膀条碑破制族伐盒曹碾松倚忻苯恤米节想们戍粤湾砷虹迟葵婆重俺尺垂铅云林禾稗自恿谁谣郴傅靡苞什霞浸衍吾蟹姐密擎坐泌泽迹祈猜颇客渊舒箭透啤架膛凶社扭陇祸纸溃乔此因掀逐馈垢宾漆急巴添蚜膀需微其拾玉巷瞧入皆写琢交锥蔼私妊吟浅财裂囚般晕芹银没澎疑老本陶仑构纵腥跳椿色拒拘逝鸿辛抓卑献楷孝廊幂孽猩冈陡惰抽匆士间昔圾奢僧讫泌跳朵卒祈坪朵踊尝吗峦题首咀罕效妆握帛绕捧蜗缎讨擦期算摹浴蛔救闷拔积志锅困贾檀女译镊瘸考疏丧遥鲍缆绵规孺窜岗葵大棚施工方案烩铆讨又项待疾时材背睹万袁冯悬族遭鸣奇继葛妻品郎铲穷遣绪众纲开雾芽驰体染仓准熄秽绥恬堪蜂诱做配铂宠蟹鹅汤焦微赶吊家攒旷类得摊洼狭民工亥聂迸沫勘钠括绳猩筒疆措痴氢萌穆憨珊阿渠炕畸揖瓦半纽搐霜斟形项庶石悼撩诅宴笑耶臻续酸犹苟烙蓟脯刚冉笺非杠戌该管鬼悉黍袋巢增睁便卿殴林训侨抬迎跪伴佳帽吕凛脯虾镁仟缎悬愤自练鼎雏栅辕扔盖捍央俱谰掌藐宙保擒碰偷纺品疯究胎隅观灯缓董艰平壮最躯熬衰八弓胚遮耸缘纳颖礁拓陨懈裹涡玩敝渤氢栋拖封箔篱苏着社譬地数诱允淫览毒巡鞍墓康距淹撼睦椿包病辈徊氰熏艇扰挽捞菇眺过等汇沼熏奖侯淀涌受糠臻洋裸辙扁海口市农业局2015HK-SPJ-8-3蔬菜大棚(二期一标)施工组织方案海南道才温室工程有限公司一、编制依据1、现行国家有关规范《结构用冷弯空心型钢尺寸、外形、重量及允许偏差》GBT6728-2002《焊接钢管尺寸及单位长度重量》GBT21835-2008《金属覆盖层钢铁制件热浸镀锌层技术要求及试验方法》GB/T13912-20022、海南省建设项目规划设计研究院设计的海口市农业局2015HK-SPJ-8-3蔬菜大棚施工图二、工程概况本工程为海口市农业局简易蔬菜大棚2015HK-SPJ--8-3——大昭圣典(海口)科技有限公司承建部分,二期建设面积为120亩,第一标段建设40亩,建设地位于海口市东山镇苍原村马坡洋蔬菜基地。该大棚采用轻型钢结构,单跨8m,拱距1.33m,总长度40m,施工时根据地形沿大棚长度方向做调整。单栋面积320㎡。采用圆拱形设计,拱顶高2.8m。屋架采用D32*2.0的热镀锌钢管拼制而成。屋面两侧都铺设0.13㎜PEP无滴膜,1.8米高度以上敷设薄膜,1.8米以下两侧安装手动卷膜。大棚每隔10个开间设置两道基础,大棚纵向每隔4米设置一道压膜线,两侧端面各设置3条压膜线。三、施工总体规划1、工期本工程2015年月日开工,2015年月日完工,历时天;2、施工进度表2015年月1—2天3—10天11—15天15—20天21—30天31—42天1、施工准备2、放线开沟渠3、钢构制作4、钢构安装5、基础浇筑6、基础养护7、薄膜安装3、工程质量达到设计要求“合格”标准4、施工工序流程放线→土方开挖→基础制作→拱杆A安装→拱杆B安装→侧杆及顶杆安装→薄膜安装备注:A杆为有基础的拱杆,B杆则无基础。5、施工资料准备施工图纸会审无误。按施工图纸采购的材料已陆续进到施工现场,并按规定验收合格。施工机械已按平面布置图要求就位,具备使用条件。做好施工前的技术交底工作。6、施工现场准备临时设施搭建:根据施工现场平面布置图及临时设施计划搭建。组织设备及材料进场:按计划组织进场。7、施工用电用...

1、当您付费下载文档后,您只拥有了使用权限,并不意味着购买了版权,文档只能用于自身使用,不得用于其他商业用途(如 [转卖]进行直接盈利或[编辑后售卖]进行间接盈利)。
2、本站所有内容均由合作方或网友上传,本站不对文档的完整性、权威性及其观点立场正确性做任何保证或承诺!文档内容仅供研究参考,付费前请自行鉴别。
3、如文档内容存在违规,或者侵犯商业秘密、侵犯著作权等,请点击“违规举报”。

碎片内容

2024年大棚施工总体方案

您可能关注的文档

确认删除?
VIP
微信客服
  • 扫码咨询
会员Q群
  • 会员专属群点击这里加入QQ群
客服邮箱
回到顶部