电脑桌面
添加小米粒文库到电脑桌面
安装后可以在桌面快捷访问

2009年江苏造价员考试装饰案例分析VIP免费

2009年江苏造价员考试装饰案例分析_第1页
1/19
2009年江苏造价员考试装饰案例分析_第2页
2/19
2009年江苏造价员考试装饰案例分析_第3页
3/19
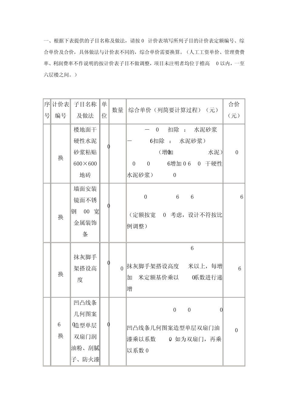
一、根据下表提供的子目名称及做法,请按04计价表填写所列子目的计价表定额编号、综合单价及合价,具体做法与计价表不同的,综合单价需要换算。(人工工资单价、管理费费率、利润费率不作说明的按计价表子目不做调整,项目未注明者均位于檐高20m以内,一至六层楼之间。) 序号 计价表编号 子目名称及做法 单位 数量 综合单价(列简要计算过程)(元) 合价(元) 1 12-94换 楼地面干硬性水泥砂浆粘贴600×600地砖 10 m2 4.2 414.98-10.83(扣除 1:2水泥砂浆)-35.61(扣除 1:3水泥砂浆)+45.97*0.28(增加 45.97kg32.5水泥)+0.303*162.16(增加 0.303M3干硬性水泥砂浆)=430.55 1808.31 2 17-25换 墙面安装镜面不锈钢 100mm宽金属装饰条 10 m 1.8 1170.47+964.69=2135.16 (定额按宽 50MM考虑,设计不符按比例调整) 3843.29 3 19-12换 抹灰脚手架搭设高度 14m 10 m2 20 42.13*1.1=46.34 抹灰脚手架搭设高度 12米以上,每增加 1米定额基价乘以1.05系数进行递增 926.8 4 16-209换 凹凸线条几何图案造型单层双扇门润油粉、刮腻子、防火漆10 m2 1 137.9*1.05*0.9=130.32 凹凸线条几何图案造型单层双扇门油漆乘以系数1.05,如为双扇门,再乘以系数0.9 130.32 二遍 5 12-114换 切割石材面镶嵌弧形铜条(铜条单价6 元/m) 10 m 2.1 (16.8*1.2+7.75*1.2)*(1+25%+12%)+8.52*1.2+10.2*5=101.58 切割石材面嵌弧形铜条,人工、合金钢切锯片,石料切割机乘以系数1.20 213.32 6 17-90换 花岗岩楼梯用旧地毯进行成品保护 10 m2 2.7 18.5*0.9=16.65 楼梯成品保护按台阶定额乘以系数0.9 44.96 二、某公司办公室位于某写字楼三楼,平面尺寸见下图,墙体厚度除卫生间内墙为120mm外,其余均为240mm;门洞宽度:除进户门为1000mm 外其余均为800mm。总经理办公室地面做法:断面为60×70 mm 木龙骨地楞(计价表为60×50mm),楞木间距及横撑的规格、间距同计价表,木龙骨与现浇楼板用M8×80 膨胀螺栓固定,螺栓设计用量为50 套,不设木垫块,免漆免刨实木地板面层,实木地板价格为160 元/m2,硬木踢脚线毛料断面为150×20 mm,设计长度为15.24米,钉在墙面木龙骨上,踢脚线油漆做法为刷底油、刮腻子、色聚氨酯漆四遍;总工办及经理室为木龙骨基层复合木地板地面;卫生间采用水泥砂浆贴 250×250 mm防 滑 地砖 (25mm 厚1:2.5防 水砂浆找 平层),防 滑 地砖 价格 3.5元...

1、当您付费下载文档后,您只拥有了使用权限,并不意味着购买了版权,文档只能用于自身使用,不得用于其他商业用途(如 [转卖]进行直接盈利或[编辑后售卖]进行间接盈利)。
2、本站所有内容均由合作方或网友上传,本站不对文档的完整性、权威性及其观点立场正确性做任何保证或承诺!文档内容仅供研究参考,付费前请自行鉴别。
3、如文档内容存在违规,或者侵犯商业秘密、侵犯著作权等,请点击“违规举报”。

碎片内容

2009年江苏造价员考试装饰案例分析

您可能关注的文档

小辰8+ 关注
实名认证
内容提供者

出售各种资料和文档

确认删除?
VIP
微信客服
  • 扫码咨询
会员Q群
  • 会员专属群点击这里加入QQ群
客服邮箱
回到顶部